LEMON Manuals: Even more car manuals for everyone: 1960-2025
Home >> Honda >> 2007 >> Civic Si L4-2.0L >> Repair and Diagnosis >> Specifications >> Mechanical Specifications >> Engine >> System Specifications >> Tightening Torques
April 5, 2026: LEMON Manuals is launched! Read the announcement.

Tightening Torques

Cylinder Head

Measure the diameter of each cylinder head bolt at point A and point B.





If either diameter is less than 10.6 mm (0.42 in.), replace the cylinder head bolt.

Tighten the cylinder head bolts in sequence to 39 N-m (4.0 kgf-m, 29 lbf-ft). Use a beam-type torque wrench. When using a preset-type torque wrench, be sure to tighten slowly and do not overtighten. If a bolt makes any noise while you are torquing it, loosen the bolt and retighten it from the first step.





After torquing, tighten all cylinder head bolts in two steps (90° per step). If you are using a new cylinder head bolt, tighten the bolt an extra 90°.


Intake Manifold

Intake Manifold:






Crankshaft Bearing
Tighten the bearing cap bolts, in sequence, to 29 N-m (3.0 kgf-m, 22 lbf-ft).





Tighten the bearing cap bolts an additional 56°





Tighten the 8 mm bolts, in sequence, to 22 N-m (2.2 kgf-m, 16 lbf-ft)






Connecting Rod
Tighten the connecting rod bolts 29 N-m (3.0 kgf-m, 22 lbf-ft)
Tighten the connecting rod bolts an additional 90°.






Crankshaft Pulley
Tighten the bolt to 49 N-m (5.0 kgf-m, 36 lbf-ft) with a torque wrench and 19 mm socket. Do not use an impact wrench.
Tighten the pulley bolt an additional 90°.


Oil Pump






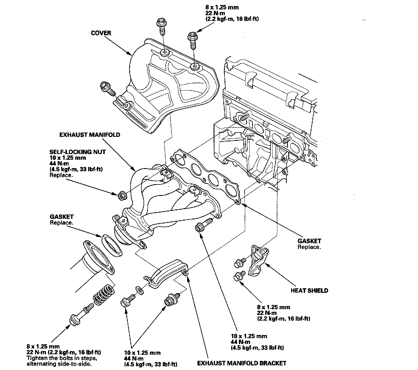
Exhaust Manifold





Install the exhaust manifold and tighten the bolts and nuts in a crisscross pattern in two or three steps, beginning with the inner bolt.


Water Pump






Exhaust Manifold