LEMON Manuals: Even more car manuals for everyone: 1960-2025
Home >> Honda >> 2007 >> Element 4WD L4-2.4L >> Repair and Diagnosis >> Diagrams >> Electrical Diagrams >> Powertrain Management >> System Diagram >> Control Module Circuit Diagrams >> ECM/PCM Electrical Connections
April 5, 2026: LEMON Manuals is launched! Read the announcement.

ECM/PCM Electrical Connections

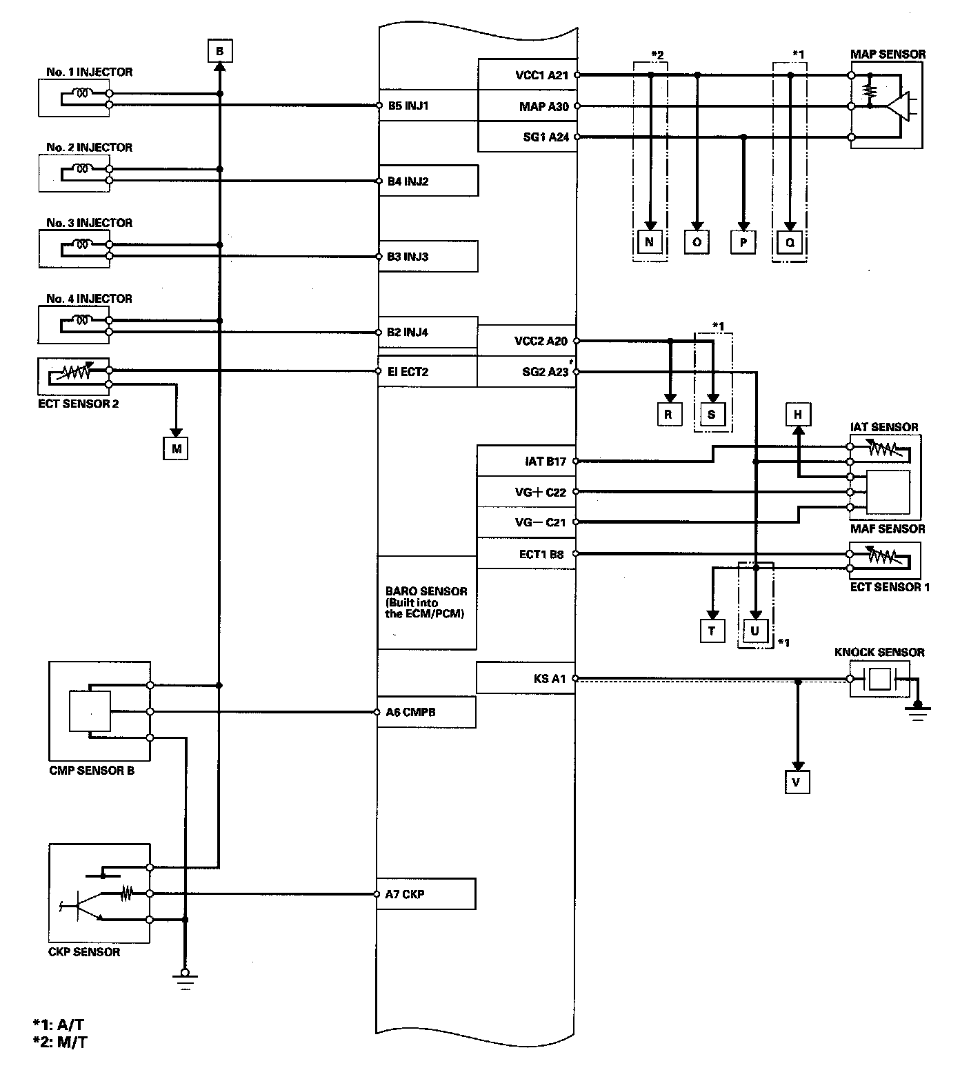
ECM/PCM Electrical Connections Part 1:



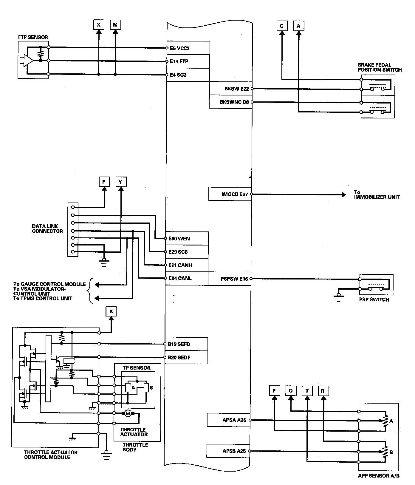
ECM/PCM Electrical Connections Part 2:



ECM/PCM Electrical Connections Part 3:



ECM/PCM Electrical Connections Part 4:



ECM/PCM Electrical Connections Part 5: