LEMON Manuals: Even more car manuals for everyone: 1960-2025
Home >> Honda >> 2007 >> Element SC, Automatic >> Repair and Diagnosis >> Engine Performance >> System >> Fuel And Emissions Systems >> General Troubleshooting Information >> Substituting the ECM/PCM >> Special Tools Required
April 5, 2026: LEMON Manuals is launched! Read the announcement.

Special Tools Required

Any one of the above updating tools can be used.

NOTE: Use this procedure when you need to substitute a known-good ECM/PCM during troubleshooting procedures.
  1. Connect the HDS to the data link connector (DLC) (A) located under the driver's side of the dashboard.
    Fig 1: Identifying Data Link Connector (DLC)
    G05448850Courtesy of AMERICAN HONDA MOTOR CO., INC.
  2. Turn the ignition switch to ON (II).
  3. Make sure the HDS communicates with the ECM/PCM. If it doesn't, go to DLC CIRCUIT TROUBLESHOOTING . If you are returning from DLC circuit troubleshooting, skip steps  4 thru  14, then clean the throttle body after substituting the ECM/PCM (see THROTTLE BODY CLEANING ).
  4. Select the INSPECTION MENU with the HDS.
  5. Select the ETCS TEST, then select the TP POSITION CHECK and follow the screen prompts.
    NOTE: If the TP POSITION CHECK indicates FAILED, continue this procedure.
  6. Turn the ignition switch to LOCK (0).
  7. Jump the SCS line with the HDS.
  8. Remove the passenger's dashboard undercover (see PASSENGER'S DASHBOARD UNDERCOVER REMOVAL/INSTALLATION ), the passenger's kick panel (see TRIM REMOVAL/INSTALLATION - DOOR AREAS ), and the glove box (see GLOVE BOX REMOVAL/INSTALLATION ).
  9. Cut the plastic cross brace in the glove box opening with diagonal cutters in the area shown, and discard it.
    Fig 2: Cutting Plastic Cross Brace In Glove Box Opening
    G05448851Courtesy of AMERICAN HONDA MOTOR CO., INC.
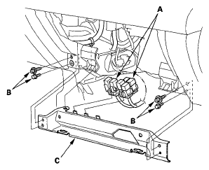
  10. Remove the relays (A), then remove the bolts (B) and the glove box frame (C).
    Fig 3: Identifying Relays, Bolts & Glove Box Frame
    G05448852Courtesy of AMERICAN HONDA MOTOR CO., INC.
  11. Remove the gray 20P ECM/PCM wire harness connector (A) from the ECM/PCM mounting bracket.
    Fig 4: ECM/PCM & Wire Harness Connector With Torque Specifications
    G05448853Courtesy of AMERICAN HONDA MOTOR CO., INC.
  12. Disconnect the ECM/PCM connectors (B).
  13. Remove the ECM/PCM mounting bolt (C) and the bracket.
  14. Remove the nuts (D), then remove the ECM/PCM (E).
  15. Install the parts in the reverse order of removal.
  16. Open the SCS line with the HDS.
  17. Turn the ignition switch to ON (II).
    NOTE: DTC P0630 "VIN Not Programmed or Mismatch" may be stored because the VIN has not been programmed into the ECM/PCM; ignore it, and continue this procedure.
  18. Manually input the VIN to the ECM/PCM with the HDS.
  19. Select the IMMOBI SYSTEM with the HDS.
  20. Enter the immobilizer code using the ECM/PCM replacement procedure in the HDS; it allows you to start the engine.
  21. Reset the ECM/PCM with the HDS.
  22. If the TP POSITION CHECK failed in step  5, clean the throttle body (see THROTTLE BODY CLEANING ).
  23. Update the ECM/PCM if it does not have the latest software.
  24. Do ECM/PCM IDLE LEARN PROCEDURE .
  25. Do the crank (CKP) pattern learn procedure.