LEMON Manuals: Even more car manuals for everyone: 1960-2025
Home >> Honda >> 2007 >> Element SC, Automatic >> Repair and Diagnosis >> Engine Performance >> System >> Fuel And Emissions Systems >> System Description >> Evaporative Emission (EVAP) Control Diagram >> ECM/PCM Circuit Diagram
April 5, 2026: LEMON Manuals is launched! Read the announcement.

ECM/PCM Circuit Diagram

Fig 1: Identifying ECM/PCM Circuit Diagram (1 Of 12)
G05448894Courtesy of AMERICAN HONDA MOTOR CO., INC.
Fig 2: Identifying ECM/PCM Circuit Diagram (2 Of 12)
G05448895Courtesy of AMERICAN HONDA MOTOR CO., INC.
Fig 3: Identifying ECM/PCM Circuit Diagram (3 Of 12)
G05448896Courtesy of AMERICAN HONDA MOTOR CO., INC.
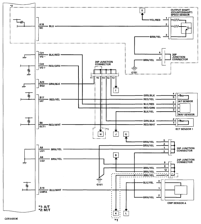
Fig 4: Identifying ECM/PCM Circuit Diagram (4 Of 12)
G05448897Courtesy of AMERICAN HONDA MOTOR CO., INC.
Fig 5: Identifying ECM/PCM Circuit Diagram (5 Of 12)
G05448898Courtesy of AMERICAN HONDA MOTOR CO., INC.
Fig 6: Identifying ECM/PCM Circuit Diagram (6 Of 12)
G05448899Courtesy of AMERICAN HONDA MOTOR CO., INC.
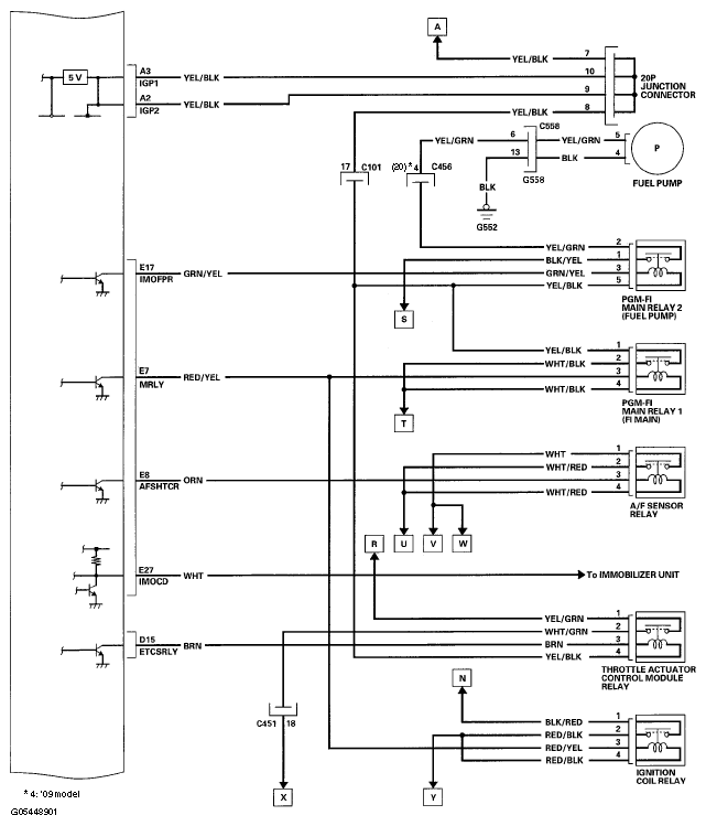
Fig 7: Identifying ECM/PCM Circuit Diagram (7 Of 12)
G05448900Courtesy of AMERICAN HONDA MOTOR CO., INC.
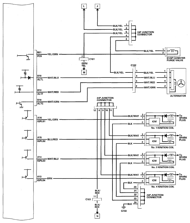
Fig 8: Identifying ECM/PCM Circuit Diagram (8 Of 12)
G05448901Courtesy of AMERICAN HONDA MOTOR CO., INC.
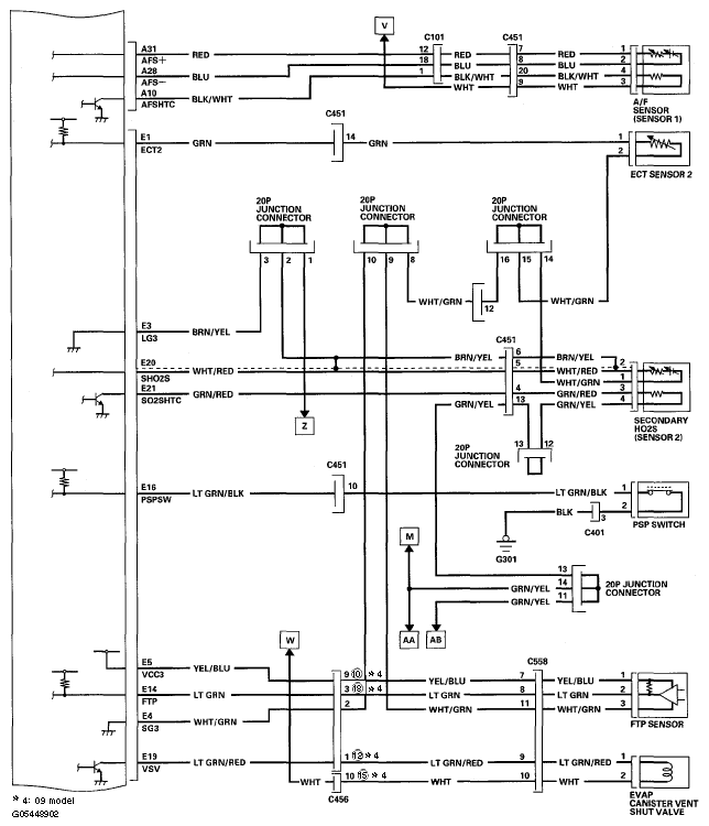
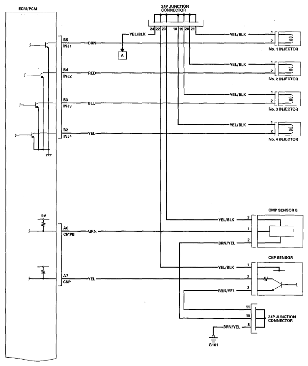
Fig 9: Identifying ECM/PCM Circuit Diagram (9 Of 12)
G05448902Courtesy of AMERICAN HONDA MOTOR CO., INC.
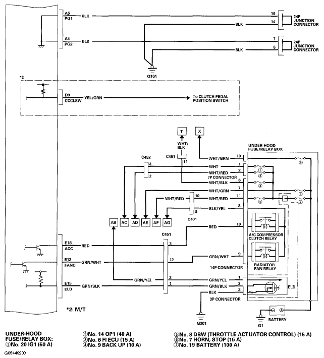
Fig 10: Identifying ECM/PCM Circuit Diagram (10 Of 12)
G05448903Courtesy of AMERICAN HONDA MOTOR CO., INC.
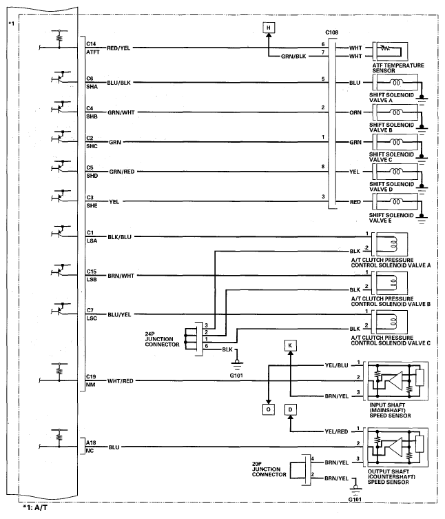
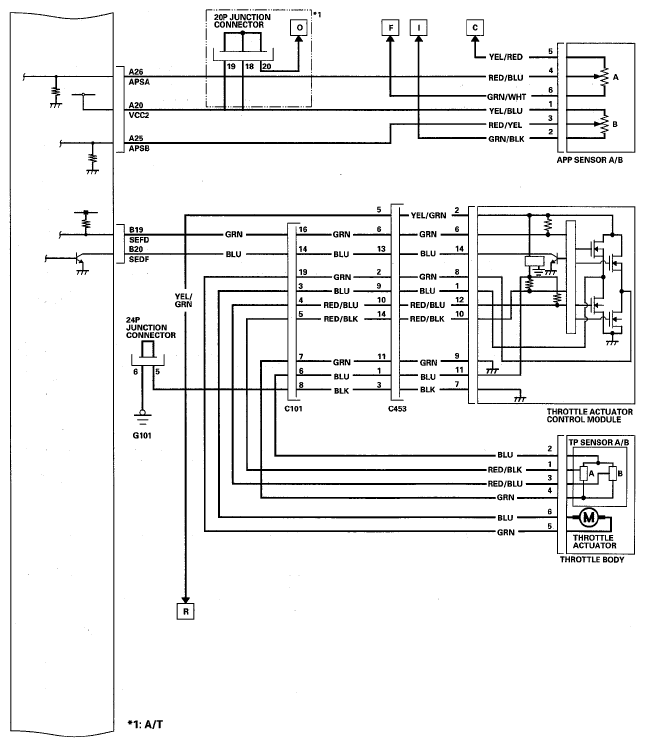
Fig 11: Identifying ECM/PCM Circuit Diagram (11 Of 12)
G05448904Courtesy of AMERICAN HONDA MOTOR CO., INC.
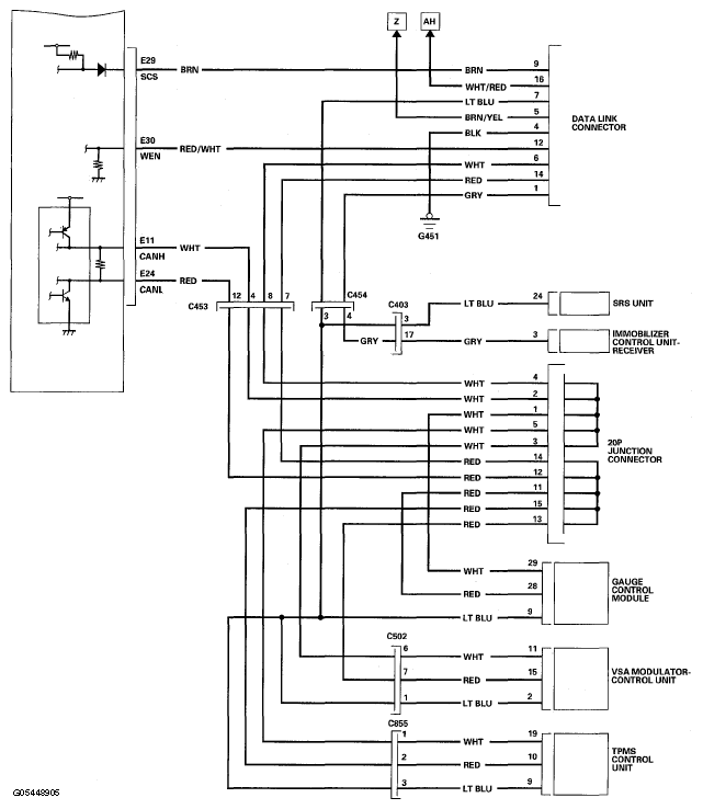
Fig 12: Identifying ECM/PCM Circuit Diagram (12 Of 12)
G05448905Courtesy of AMERICAN HONDA MOTOR CO., INC.