LEMON Manuals: Even more car manuals for everyone: 1960-2025
Home >> Honda >> 2007 >> Element SC, Automatic >> Repair and Diagnosis >> External Pages >> Different car >> Section 74 (Entry Lights Control System (V6)) >> Circuit Diagram
April 5, 2026: LEMON Manuals is launched! Read the announcement.

Circuit Diagram

WARNING: This page does not describe the selected car, but rather 6 other vehicles, including the 2015 Honda Crosstour, 2014 Honda Crosstour, 2013 Honda Crosstour, 2012 Honda Crosstour, and 2011 Honda Accord Crosstour. However, it is still accessible from the selected car via links, so may be relevant.
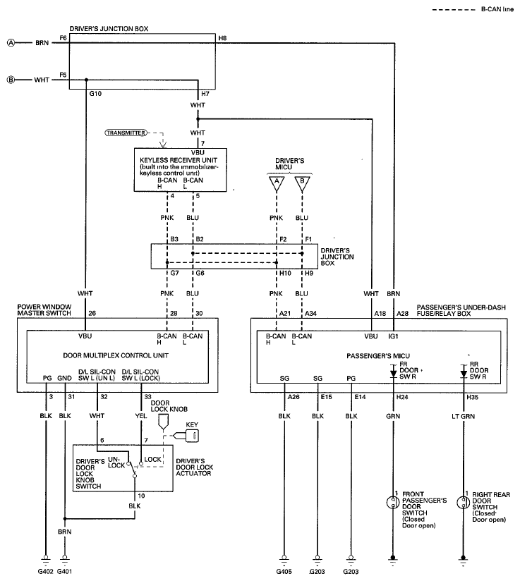
Fig 1: Entry Lights Control System - Circuit Diagram (1 Of 2)
G06420286Courtesy of AMERICAN HONDA MOTOR CO., INC.
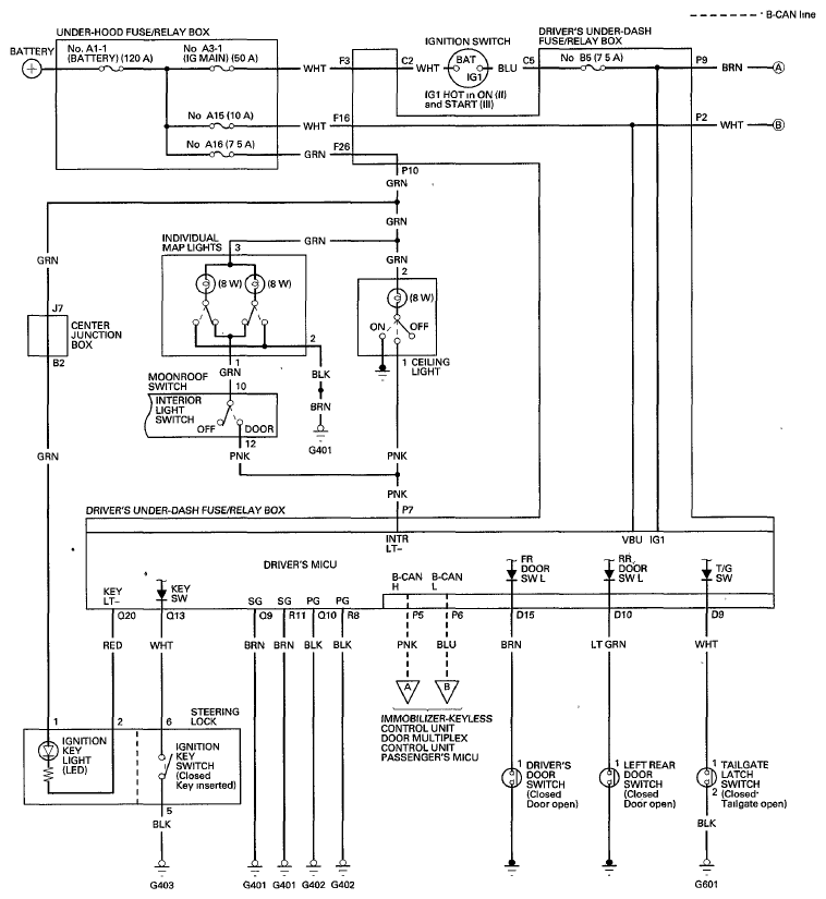
Fig 2: Entry Lights Control System - Circuit Diagram (2 Of 2)
G06420287Courtesy of AMERICAN HONDA MOTOR CO., INC.