LEMON Manuals: Even more car manuals for everyone: 1960-2025
Home >> Honda >> 2007 >> Element SC, Automatic >> Repair and Diagnosis >> Transmission >> Automatic Trans >> Automatic Transmission >> A/T Interlock System >> Circuit Diagram
April 5, 2026: LEMON Manuals is launched! Read the announcement.

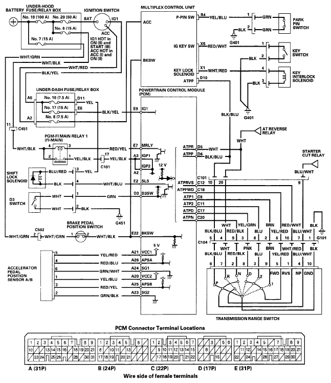
Circuit Diagram

Fig 1: A/T Interlock System Circuit Diagram
G06267072Courtesy of AMERICAN HONDA MOTOR CO., INC.