LEMON Manuals: Even more car manuals for everyone: 1960-2025
Home >> Honda >> 2007 >> Element SC, Standard >> Repair and Diagnosis (Single Page) >> Accessories & Equipment >> Warning Systems >> Tire Pressure Monitoring System >> TPMS Control Unit Replacement >> '07-08 Models
April 5, 2026: LEMON Manuals is launched! Read the announcement.

'07-08 Models

NOTE: Make sure the TPMS control unit mounting bracket is not bent or twisted as this may affect its communication with the tire pressure sensors.
  1. Turn the ignition switch to LOCK (0).
  2. Remove the center panel (see CENTER PANEL REMOVAL/INSTALLATION ).
  3. Remove the audio unit with the bracket (see AUDIO UNIT REMOVAL/INSTALLATION ).
  4. Disconnect the TPMS control unit subharness connector (A).
    Fig 1: TPMS Control Unit Subharness Connector With Torque Specification
    G05450683Courtesy of AMERICAN HONDA MOTOR CO., INC.
  5. Loosen the bracket mount bolts (B). Do not remove the bolts from the bracket.
  6. Remove the TPMS control unit (A) with the bracket and the subharness.
    Fig 2: Identifying TPMS Control Unit
    G05450684Courtesy of AMERICAN HONDA MOTOR CO., INC.
  7. Disconnect the TPMS control unit connectors (A), and remove the TPMS control unit subharness (B).
    Fig 3: TPMS Control Unit Connectors & Subharness With Torque Specifications
    G05450685Courtesy of AMERICAN HONDA MOTOR CO., INC.
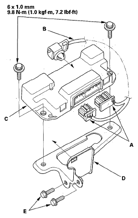
  8. Remove the TPMS control unit (C) from the bracket (D).
    NOTE: Remove the bracket mount bolts (E) if it is necessary.
  9. Install the TPMS control unit in the reverse order of removal.
  10. Connect the HDS and memorize the pressure sensor IDs using the TPMS sensor initializer tool (see MEMORIZING THE TIRE PRESSURE SENSOR ID  ).