LEMON Manuals: Even more car manuals for everyone: 1960-2025
Home >> Honda >> 2007 >> Element SC, Standard >> Repair and Diagnosis >> Accessories & Equipment >> Cruise Control Systems >> Circuit Diagram
April 5, 2026: LEMON Manuals is launched! Read the announcement.

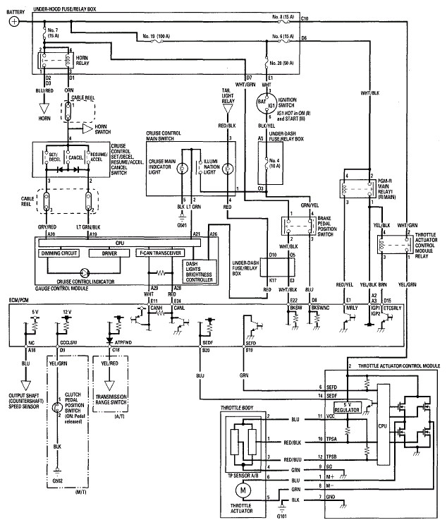
Circuit Diagram

Fig 1: Identifying Cruise Control Circuit Diagram ('07-11 Models)
G05448481Courtesy of AMERICAN HONDA MOTOR CO., INC.