LEMON Manuals: Even more car manuals for everyone: 1960-2025
Home >> Honda >> 2007 >> Element SC, Standard >> Repair and Diagnosis >> Accessories & Equipment >> Entertainment Systems >> Audio System >> Circuit Diagram >> EX and SC Models With Navigation
April 5, 2026: LEMON Manuals is launched! Read the announcement.

EX and SC Models With Navigation

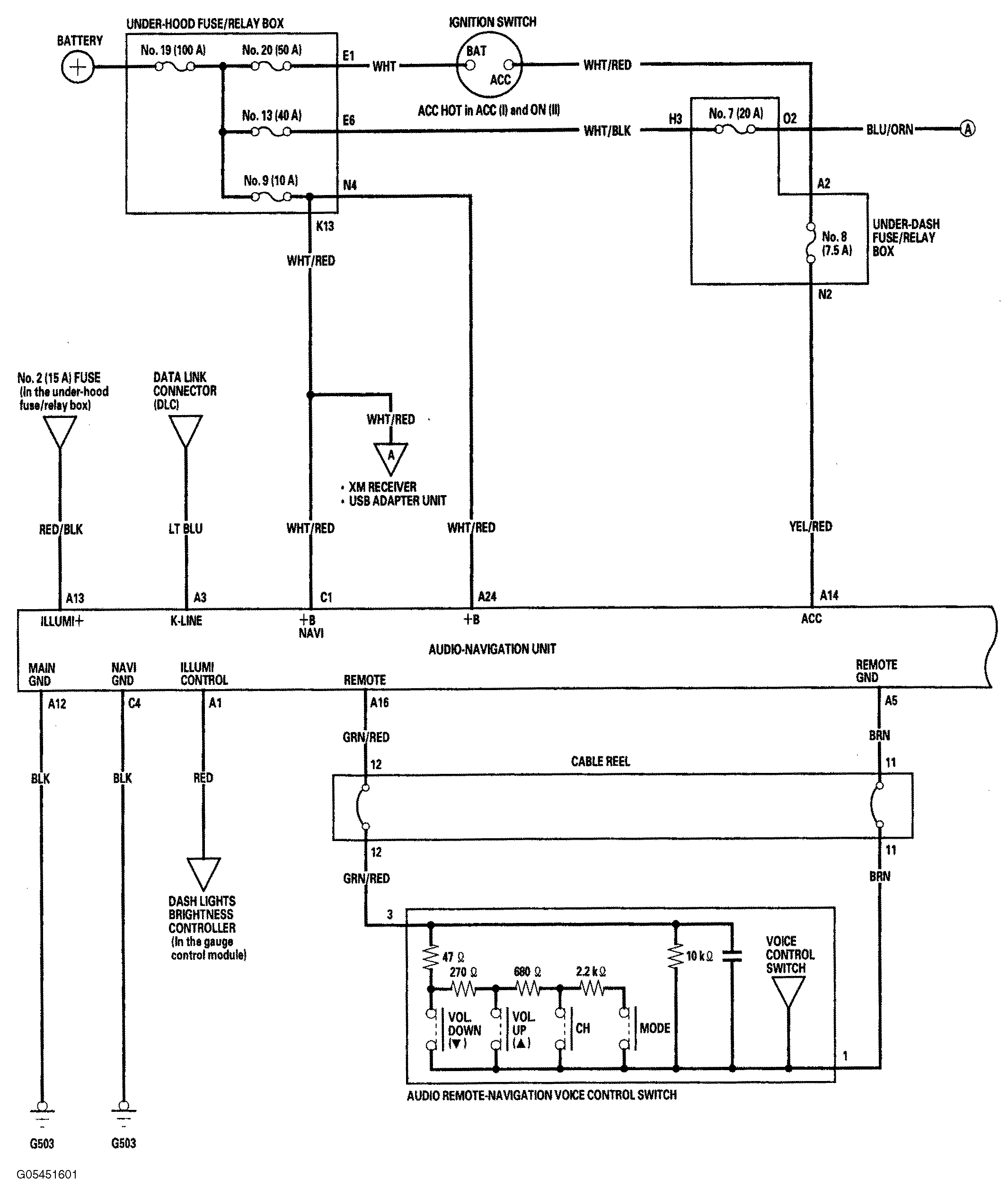
Fig 1: Identifying Audio System Circuit Diagram - EX & SC Models With Navigation (1 Of 3)
G05451601Courtesy of AMERICAN HONDA MOTOR CO., INC.
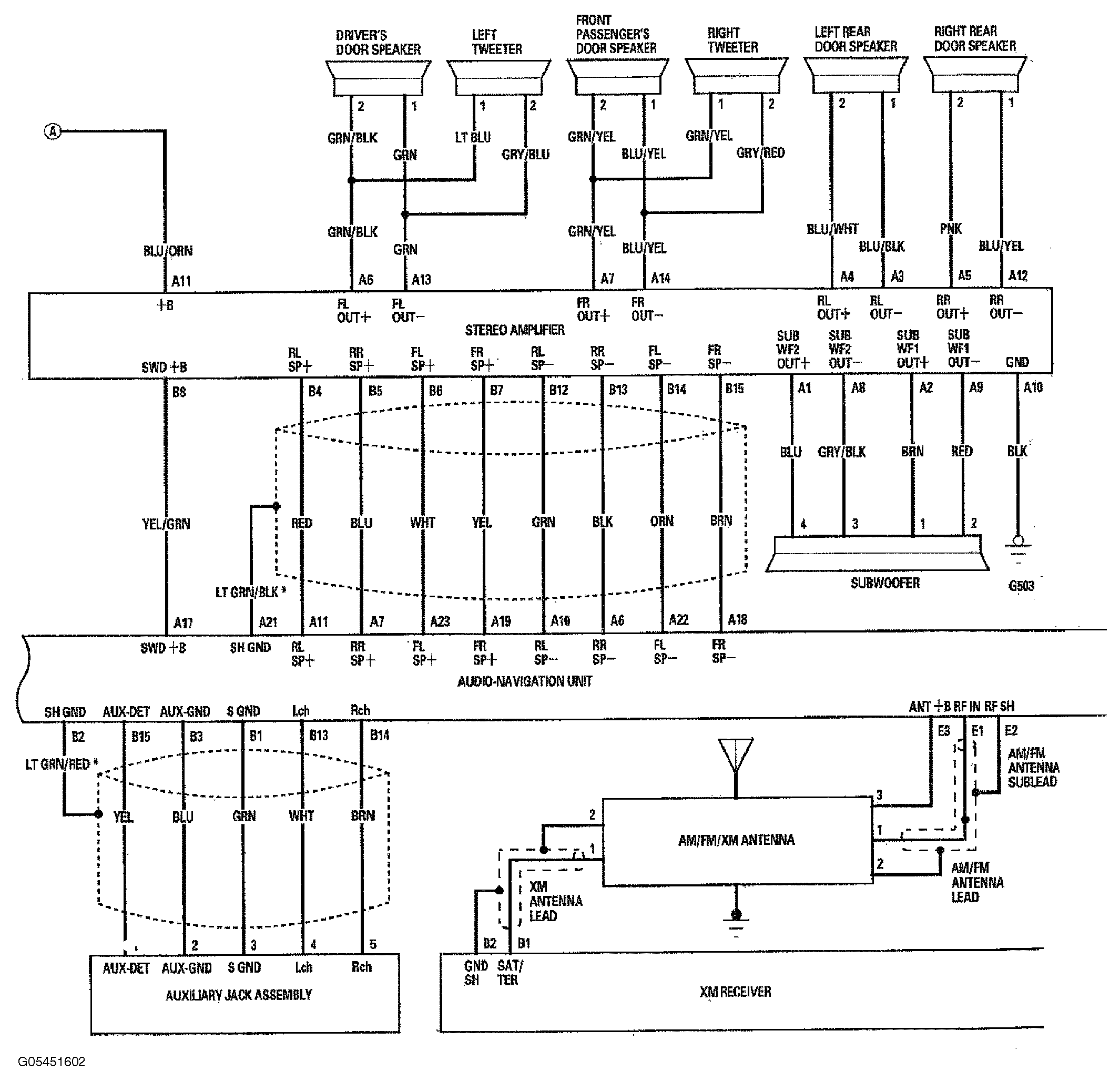
Fig 2: Identifying Audio System Circuit Diagram - EX & SC Models With Navigation (2 Of 3)
G05451602Courtesy of AMERICAN HONDA MOTOR CO., INC.
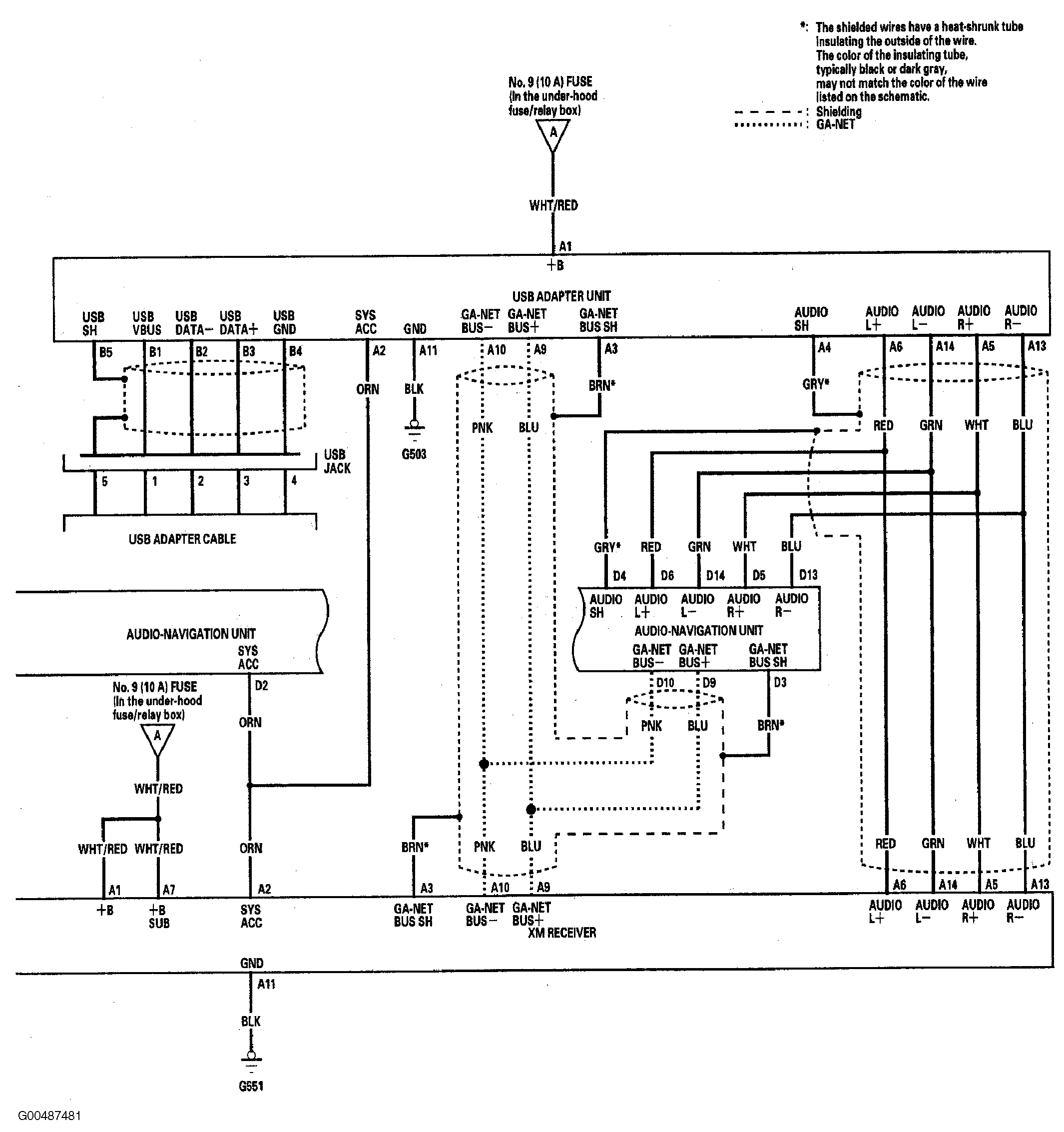
Fig 3: Identifying Audio System Circuit Diagram - EX & SC Models With Navigation (3 Of 3)
G00487481Courtesy of AMERICAN HONDA MOTOR CO., INC.