LEMON Manuals: Even more car manuals for everyone: 1960-2025
Home >> Honda >> 2007 >> Element SC, Standard >> Repair and Diagnosis >> Electrical >> Horns >> Circuit Diagram
April 5, 2026: LEMON Manuals is launched! Read the announcement.

Circuit Diagram

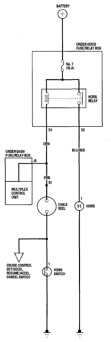
Fig 1: Identifying Horn Circuit Diagram ('07-08 Models)
G05451487Courtesy of AMERICAN HONDA MOTOR CO., INC.
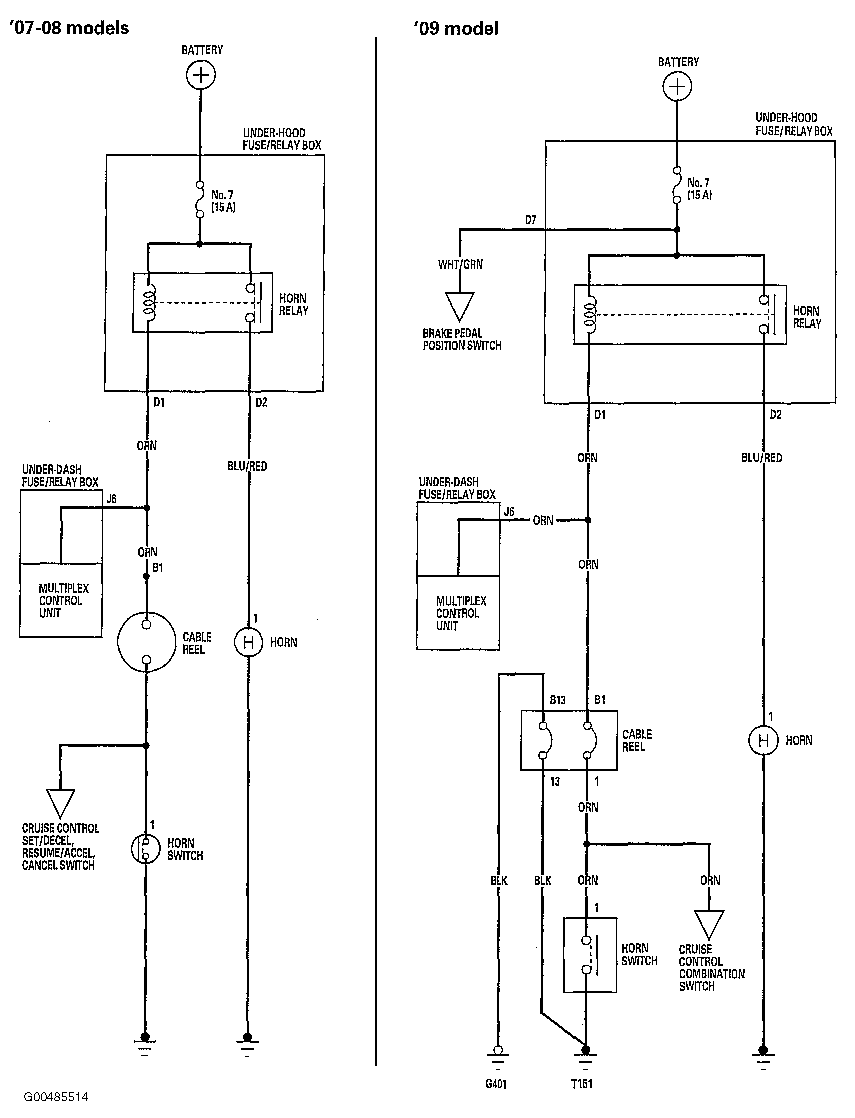
Fig 2: Identifying Horn Circuit Diagram ('09-11 Models)
G00485514Courtesy of AMERICAN HONDA MOTOR CO., INC.