LEMON Manuals: Even more car manuals for everyone: 1960-2025
Home >> Honda >> 2007 >> Element SC, Standard >> Repair and Diagnosis >> External Pages >> Different car >> Section 67 (Audio System (V6)) >> Audio Unit Removal/Installation >> With Navigation System
April 5, 2026: LEMON Manuals is launched! Read the announcement.

With Navigation System

WARNING: This page does not describe the selected car, but rather 6 other vehicles, including the 2015 Honda Crosstour, 2014 Honda Crosstour, 2013 Honda Crosstour, 2012 Honda Crosstour, and 2011 Honda Accord Crosstour. However, it is still accessible from the selected car via links, so may be relevant.

SRS components are located in this area. Review the SRS component locations (see COMPONENT LOCATION INDEX ), and the precautions and procedures (see PRECAUTIONS AND PROCEDURES ) before doing repairs or service.

NOTE:
  • Put on gloves to protect your hands.
  • Take care not to scratch the dashboard and related parts.
  • Lay a workshop towel under the parts when working on them to protect the face panel from scratches or other damage.
  • Eject all the disc before remove the audio unit to prevent damaging the CD player's load mechanism.
  • If you are replacing the audio unit, write down the audio presets (if possible), then enter them into the new audio unit.
  1. Make sure you have anti-theft code for the audio system.
  2. Remove the center console panel (see CENTER CONSOLE PANEL REMOVAL/INSTALLATION ) and the center pocket (see CENTER POCKET REMOVAL/INSTALLATION ).
  3. Remove the audio disc changer (see AUDIO DISC CHANGER REMOVAL/INSTALLATION  ).
  4. Remove the driver's inner dashboard trim (see DRIVER'S OUTER DASHBOARD TRIM REMOVAL/INSTALLATION ), and passenger's dashboard trim (see PASSENGER'S DASHBOARD TRIM REMOVAL/INSTALLATION ).
  5. Remove the dashboard center vent (see CENTER VENT (WITH NAVIGATION SYSTEM) ).
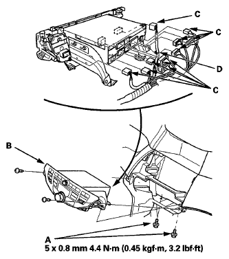
  6. Remove the self-tapping screws and bolts (A), then pull out the audio unit (B).
    Fig 1: Self-Tapping Screws, Bolts And Audio Unit With Torque Specifications
    G06424407Courtesy of AMERICAN HONDA MOTOR CO., INC.
  7. Disconnect the connectors (C), and detach the clip (D), then remove the audio unit.
  8. Remove the interface dial (see NAVIGATION DISPLAY UNIT REMOVAL/INSTALLATION ).
  9. Remove the audio-navigation switch panel (see AUDIO-NAVIGATION SWITCH PANEL REMOVAL/INSTALLATION  ).
  10. Install the audio unit in the reverse order of removal.
    • Make sure all the connectors and the antenna lead are secure.
    • Enter the anti-theft code for the audio system.
    • Give the new anti-theft code to the customer if you are replacing the audio unit.