LEMON Manuals: Even more car manuals for everyone: 1960-2025
Home >> Honda >> 2007 >> Element SC, Standard >> Repair and Diagnosis >> External Pages >> Different variant/trim >> Section 1 (Automatic Transmission) >> System Description >> Hydraulic Flow >> 1 Position
April 5, 2026: LEMON Manuals is launched! Read the announcement.

1 Position

WARNING: This page is about a different variant/trim than selected.

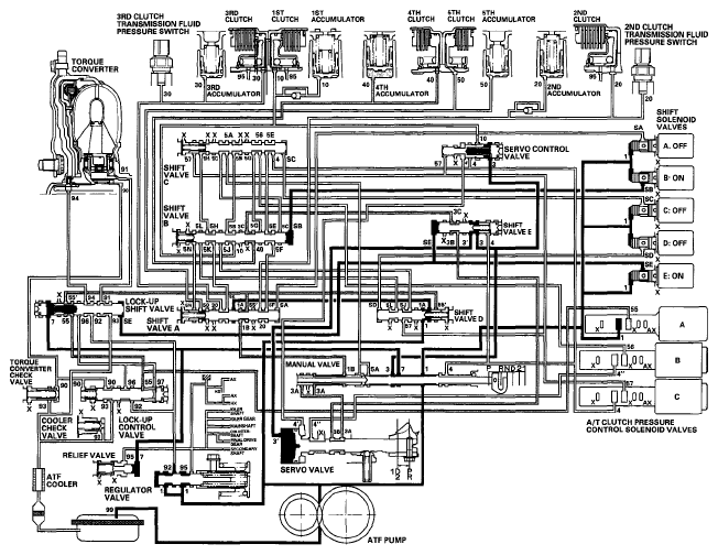
The PCM turns the shift solenoid valves OFF and ON. The conditions of the shift solenoid valves and the positions of the shift valves are as follows:

Fluid flows to 1st clutch by way of:

Line Pressure (1) → Shift Valve D-Line Pressure (1A) → Shift Valve A-Line Pressure (1B) → Manual Valve-Line Pressure (5A) - Shift Valve C-Line Pressure (5B) → Shift Valve B-1st Clutch Pressure (10) → 1st Clutch

1st clutch pressure (10) is applied to the 1st clutch, and the 1st clutch is engaged.

NOTE: When used, "left" or "right" indicates direction on the hydraulic circuit.
Fig 1: Automatic Transmission Flow Diagram - 1 Position
G06266760Courtesy of AMERICAN HONDA MOTOR CO., INC.