LEMON Manuals: Even more car manuals for everyone: 1960-2025
Home >> Honda >> 2007 >> Element SC, Standard >> Repair and Diagnosis >> Transmission >> Manual Trans >> Manual Transmission >> Transmission Reassembly
April 5, 2026: LEMON Manuals is launched! Read the announcement.

Transmission Reassembly

NOTE: Prior to reassembling, clean all parts in solvent, dry them, and apply manual transmission fluid (MTF) to any contact surfaces.
  1. Install the magnet (A) and differential assembly (B).
    Fig 1: Identifying Magnet & Differential Assembly
    G05449514Courtesy of AMERICAN HONDA MOTOR CO., INC.
  2. Install the 28 mm spring washer (A) and 28 mm washer (B) over the ball bearing (C).
    NOTE: Install the spring washer in the direction shown.
    Fig 2: Identifying Spring Washer, Washer & Ball Bearing
    G05449515Courtesy of AMERICAN HONDA MOTOR CO., INC.
  3. Apply vinyl tape to the mainshaft splines (D) to protect the seal. Install the mainshaft assembly (E) and countershaft assembly (F) into the shift fork assembly (G), as an assembly.
  4. Install the reverse shift fork (A).
    Fig 3: Reverse Shift Fork With Torque Specifications
    G05449516Courtesy of AMERICAN HONDA MOTOR CO., INC.
  5. Install the reverse idler gear (A) and reverse gear shaft (B) by aligning the mark (C) with the reverse gear shaft hole (D).
    Fig 4: Identifying Reverse Idler Gear, Reverse Gear Shaft & Hole
    G05449517Courtesy of AMERICAN HONDA MOTOR CO., INC.
  6. Install the reverse lock cam (A).
    Fig 5: Reverse Lock Cam With Torque Specifications
    G05449518Courtesy of AMERICAN HONDA MOTOR CO., INC.
  7. Select the proper size 72 mm shim (A) according to the measurements made during MAINSHAFT THRUST CLEARANCE ADJUSTMENT  . Install the oil gutter plate (B), oil guide plate M, and 72 mm shim into the transmission housing (C).
    Fig 6: Identifying Shim, Transmission Housing & Oil Gutter Plate
    G05449519Courtesy of AMERICAN HONDA MOTOR CO., INC.
  8. Clean any dirt and oil from the transmission housing sealing surface.
  9. Apply liquid gasket, P/N 08718-0001 evenly to the mating surface of the transmission housing and the clutch housing. Install the component within 5 minutes of applying the liquid gasket.
    NOTE:
    • If you apply liquid gasket P/N 08718-0012, the component must be installed within 4 minutes.
    • If too much time has passed after applying the liquid gasket, remove the old liquid gasket and residue, then reapply new liquid gasket.
      Fig 7: Identifying Transmission Housing Gasket
      G05449520Courtesy of AMERICAN HONDA MOTOR CO., INC.
  10. Install the 14 x 20 mm dowel pins (A).
    Fig 8: Dowel Pins With Torque Specifications
    G05449521Courtesy of AMERICAN HONDA MOTOR CO., INC.
  11. Set the tapered cone ring (B) as shown below. Place the transmission housing over the clutch housing, being careful to line up the shafts.
  12. While expanding the 72 mm snap ring (C) on the countershaft ball bearing using snap ring pliers, push the transmission housing down to start the countershaft ball bearing through the snap ring. Release the pliers, and push down the housing until it bottoms and the snap ring snaps in place in the countershaft ball bearing snap ring groove.
  13. Make sure the 72 mm snap ring (A) is securely seated in the groove of the countershaft bearing.

    Dimension (1) as installed: 3.3-6.0 mm (0.13-0.24 in.) 

  14. Apply liquid gasket, P/N 08718-0001, evenly to the threads of the 32 mm searing cap (D) mating surface of the transmission housing.

    Install the component within 5 minutes of applying the liquid gasket.

    NOTE:
    • If you apply liquid gasket P/N 08718-0012, the component must be installed within 4 minutes.
    • If too much time has passed after applying the liquid gasket, remove the old liquid gasket and residue, then reapply new liquid gasket.
  15. Install transmission hangers A, B, and the 8 mm flange bolts, finger-tight.
    Fig 9: Identifying Transmission Hangers & Flange Bolts
    G05449522Courtesy of AMERICAN HONDA MOTOR CO., INC.
  16. Tighten the 8 mm flange bolts in a crisscross pattern in several steps.

    Specified Torque: 8 x 1.25 mm 27 N.m (2.8 kgf.m, 20 lbf.ft) 

    Fig 10: Identifying Transmission Hangers Flange Bolt Tightening Sequence
    G05449523Courtesy of AMERICAN HONDA MOTOR CO., INC.
  17. Clean any dirt or oil from the change lever assembly sealing surface.
  18. Apply liquid gasket, P/N 08718-0001, evenly to the mating surface of the change lever assembly and the transmission housing. Install the component within 5 minutes of applying the liquid gasket.
    NOTE:
    • If you apply liquid gasket P/N 08718-0012, the component must be installed within 4 minutes.
    • If too much time has passed after applying the liquid gasket, remove the old liquid gasket and residue, then reapply new liquid gasket.
    • Allow it to cure at least 30 minutes after assembly before filling the transmission with MTF.
      Fig 11: Identifying Transmission Housing Gasket
      G05449524Courtesy of AMERICAN HONDA MOTOR CO., INC.
  19. Install the 8 x 14 mm dowel pins (A) and the change lever assembly (B).
    Fig 12: Dowel Pins & Lever Assembly With Torque Specifications
    G05449525Courtesy of AMERICAN HONDA MOTOR CO., INC.
  20. Apply liquid gasket, P/N 08718-0001, evenly to the mating surface of the threads of the inter lock bolt (C) and the transmission housing. Install the component within 5 minutes of applying the liquid gasket.
    NOTE:
    • If you apply liquid gasket P/N 08718-0012, the component must be installed within 4 minutes.
    • If too much time has passed after applying the liquid gasket, remove the old liquid gasket and residue, then reapply new liquid gasket.
  21. Install the drain plug (A), and 10 mm flange bolt (B) with new sealing washers. Install the filler plug (C) with a new sealing washer finger-tight.
    Fig 13: Drain Plug, Flange Bolt & Washers With Torque Specifications
    G05449526Courtesy of AMERICAN HONDA MOTOR CO., INC.
  22. Apply MTF to the new O-ring (D). Then install the new O-ring, the plain washer (E), and the output shaft (countershaft) speed sensor (F).
  23. Install the steel balls (A), the springs (B), and the detent bolts (D) with new sealing washers (E).
    Fig 14: Detent Bolts, Springs, Steel Balls & Washers With Torque Specifications
    G05449527Courtesy of AMERICAN HONDA MOTOR CO., INC.
  24. Apply liquid gasket, P/N 08718-0001 evenly to the threads of the back-up light switch (F) mating surface of the transmission housing. Install the component within 5 minutes of applying the liquid gasket.
    NOTE:
    • If you apply liquid gasket P/N 08718-0012, the component must be installed within 4 minutes.
    • If too much time has passed after applying the liquid gasket, remove the old liquid gasket and residue, then reapply new liquid gasket.
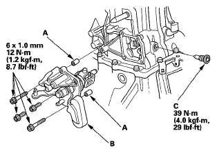
  25. Install the transmission hanger (C).
  26. Install the 20 mm bolt (A) and 20 mm washer (B).
    Fig 15: Transmission Hanger, Bolt & Washer With Torque Specifications
    G05449528Courtesy of AMERICAN HONDA MOTOR CO., INC.
  27. 2WD: Apply MTF to the new O-ring (A). Then install the new O-ring and the side cover (B).
    Fig 16: O-Ring & Side Cover With Torque Specifications
    G05449529Courtesy of AMERICAN HONDA MOTOR CO., INC.
  28. 4WD: Apply MTF to the new O-ring (A). Then install the new O-ring, 10 x 20 mm dowel pin (B), and the transfer assembly (C).
    Fig 17: O-Ring, Dowel Pin & Transfer Assembly With Torque Specifications
    G05449530Courtesy of AMERICAN HONDA MOTOR CO., INC.