LEMON Manuals: Even more car manuals for everyone: 1960-2025
Home >> Honda >> 2007 >> Fit Base, Automatic >> Repair and Diagnosis (Single Page) >> Accessories & Equipment >> Anti-Theft Systems >> Keyless/Power Door Locks/Security System >> Circuit Diagram - Security System
April 5, 2026: LEMON Manuals is launched! Read the announcement.

Circuit Diagram - Security System

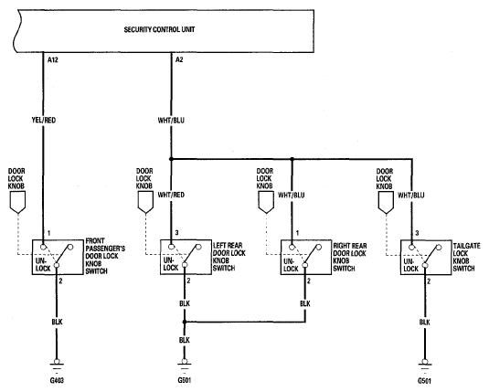
Fig 1: Security System - Circuit Diagram (1 Of 3)
G05456584Courtesy of AMERICAN HONDA MOTOR CO., INC.
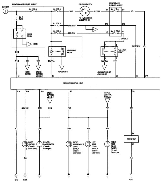
Fig 2: Security System - Circuit Diagram (2 Of 3)
G05456585Courtesy of AMERICAN HONDA MOTOR CO., INC.
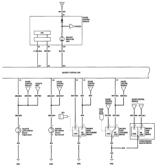
Fig 3: Security System - Circuit Diagram (3 Of 3)
G05456586Courtesy of AMERICAN HONDA MOTOR CO., INC.