LEMON Manuals: Even more car manuals for everyone: 1960-2025
Home >> Honda >> 2007 >> Fit Base, Automatic >> Repair and Diagnosis >> External Pages >> Different car >> Section 35 (Audio System & Visual System) >> Audio And Visual System >> Speaker Circuit >> Wiring Diagram
April 5, 2026: LEMON Manuals is launched! Read the announcement.

Speaker Circuit: Wiring Diagram

WARNING: This page is about a different car, the 2007 Toyota Tacoma. However, it is still accessible from the selected car via links, so may be relevant.
Fig 1: Speaker Circuit Diagram - Built-In AMP
G04412726Courtesy of © TOYOTA, LICENSE AGREEMENT TMS1002
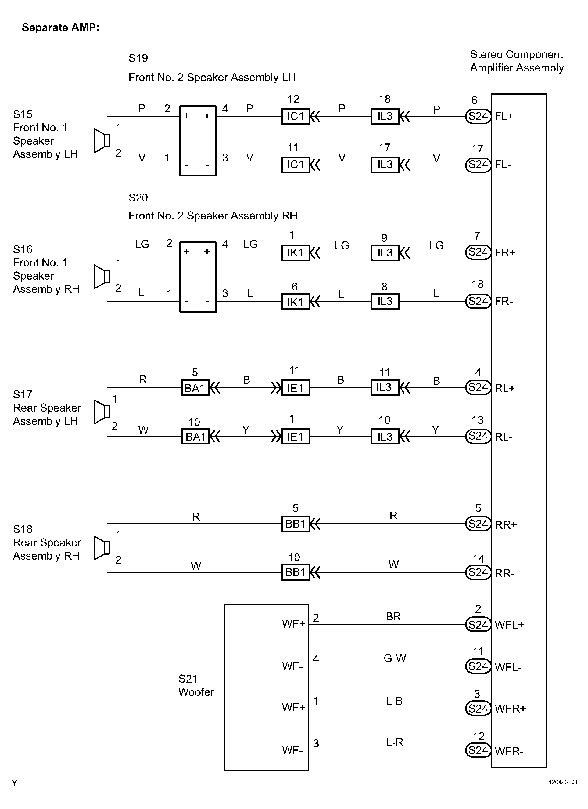
Fig 2: Speaker Circuit Diagram - Separate AMP
G04412727Courtesy of © TOYOTA, LICENSE AGREEMENT TMS1002