LEMON Manuals: Even more car manuals for everyone: 1960-2025
Home >> Honda >> 2007 >> Fit Base, Automatic >> Repair and Diagnosis >> Transmission >> Automatic Trans >> Automatic Transmission >> System Description >> Lock-up System >> Circuit Diagram - PCM A/T Control System - Five-position Transmission
April 5, 2026: LEMON Manuals is launched! Read the announcement.

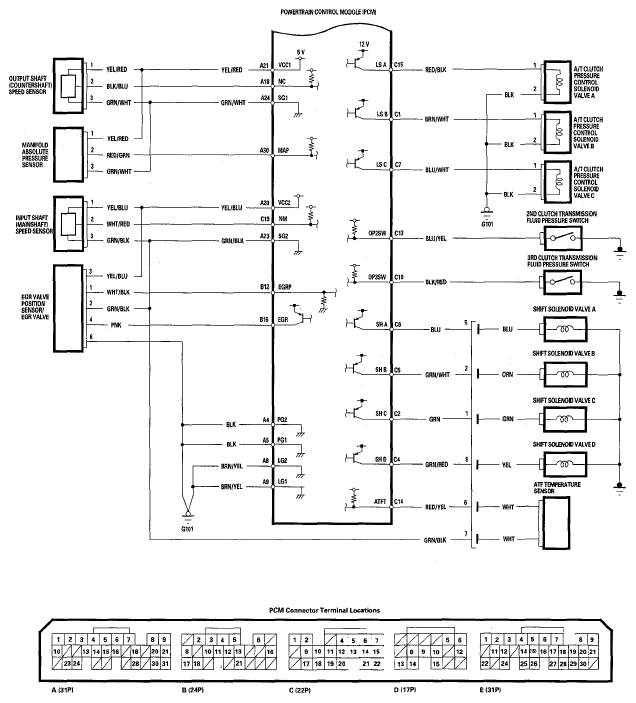
Circuit Diagram - PCM A/T Control System - Five-position Transmission

Fig 1: PCM A/T Control System - Five-Position Transmission - Circuit Diagram (1 Of 2)
G05455176
Fig 2: PCM A/T Control System - Five-Position Transmission - Circuit Diagram (2 Of 2)
G05455177