LEMON Manuals: Even more car manuals for everyone: 1960-2025
Home >> Honda >> 2007 >> Fit Base, Standard >> Repair and Diagnosis >> Brakes >> Traction Control >> Abs (Anti-Lock Brake System) >> ABS Modulator-Control Unit Removal and Installation >> Removal
April 5, 2026: LEMON Manuals is launched! Read the announcement.

ABS Modulator-Control Unit Removal and Installation: Removal

  1. Make sure the ignition switch is OFF.
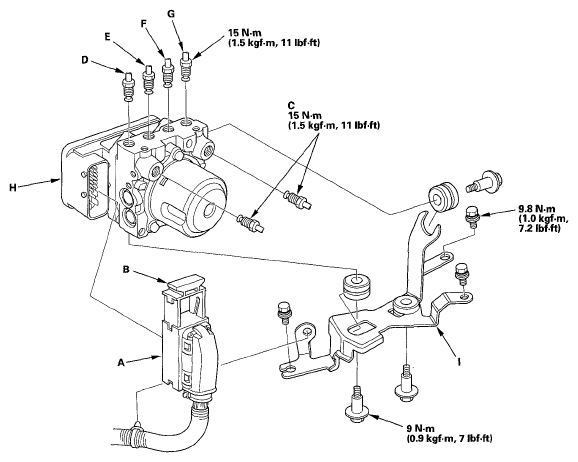
  2. Disconnect the ABS modulator-control unit 25P connector (A) by pulling up the lock (B); the connector disconnects itself.
    Fig 1: ABS Modulator-Control Unit With Torque Specifications
    G05456082Courtesy of AMERICAN HONDA MOTOR CO., INC.
  3. Disconnect the six brake lines from the ABS modulator-control unit.
    NOTE: Brake lines are connected to the master cylinder (C) and to the right-front (D), the left-rear (E), the right-rear (F), and the left-front (G) brake systems.
  4. Remove the ABS modulator-control unit (H) with the brackets (1) from the body.
  5. Remove the ABS modulator-control unit from the bracket.