LEMON Manuals: Even more car manuals for everyone: 1960-2025
Home >> Honda >> 2007 >> Fit Base, Standard >> Repair and Diagnosis >> External Pages >> Different car >> Section 46 (Can Communication System) >> Can Communication System >> CAN Bus Line >> Wiring Diagram
April 5, 2026: LEMON Manuals is launched! Read the announcement.

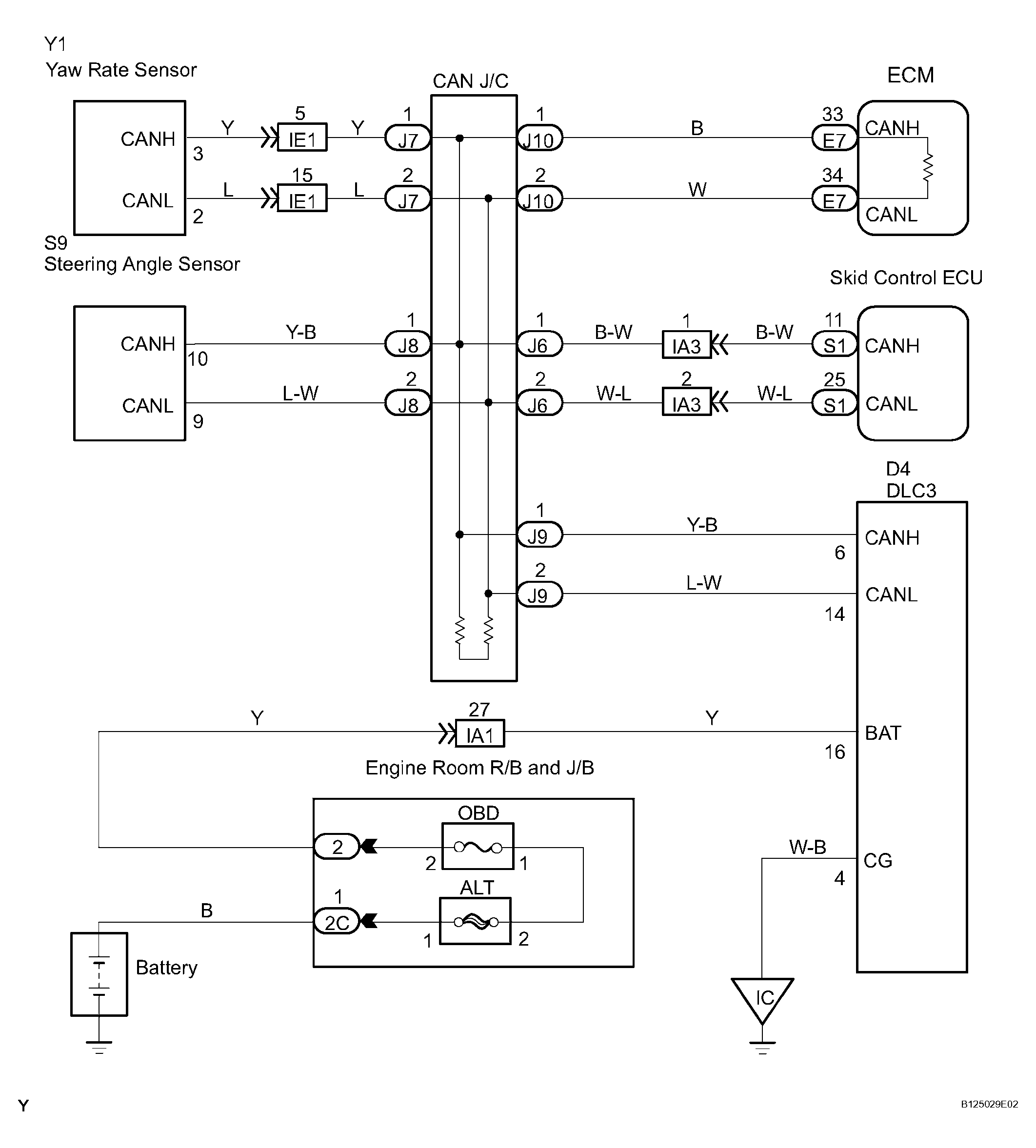
CAN Bus Line: Wiring Diagram

WARNING: This page is about a different car, the 2007 Toyota Tacoma. However, it is still accessible from the selected car via links, so may be relevant.
Fig 1: CAN Bus Line - Wiring Diagram
G04413985Courtesy of © TOYOTA, LICENSE AGREEMENT TMS1002