LEMON Manuals: Even more car manuals for everyone: 1960-2025
Home >> Honda >> 2007 >> Fit Base, Standard >> Repair and Diagnosis >> External Pages >> Different car >> Section 56 (Engine Control System (2TR-FE)) >> SFI System >> Fuel Pump Control Circuit >> Wiring Diagram
April 5, 2026: LEMON Manuals is launched! Read the announcement.

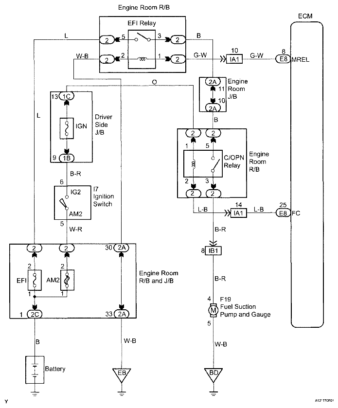
Fuel Pump Control Circuit: Wiring Diagram

WARNING: This page is about a different car, the 2007 Toyota Tacoma. However, it is still accessible from the selected car via links, so may be relevant.
Fig 1: Fuel Pump Control Circuit - Wiring Diagram
G05198380Courtesy of TOYOTA MOTOR SALES, U.S.A., INC.