LEMON Manuals: Even more car manuals for everyone: 1960-2025
Home >> Honda >> 2007 >> Fit L4-1.5L >> Repair and Diagnosis >> Specifications >> Mechanical Specifications >> Automatic Transmission/Transaxle >> Overhaul Specifications
April 5, 2026: LEMON Manuals is launched! Read the announcement.

Overhaul Specifications

Drive Plate





Tighten the six bolts in a crisscross pattern in two or more steps.

Transmission Housing

Transmission Housing:





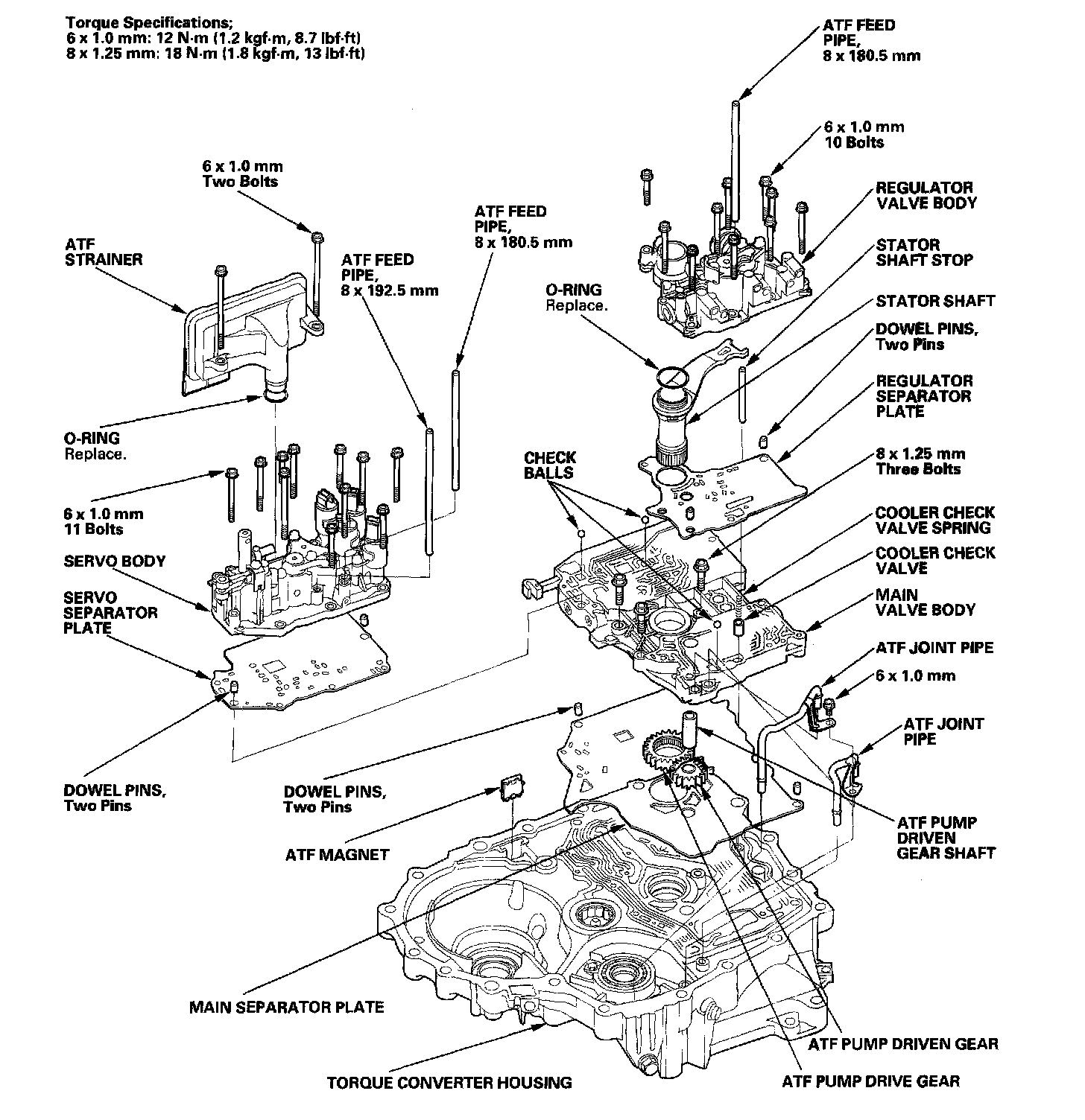
Valve Body

Valve Body:





Mainshaft

Mainshaft:





Countershaft

Countershaft:





Secondary Shaft

Secondary Shaft:






For information regarding Transmission Overhaul Specifications, please refer to Service and Repair, Procedures. Service and Repair