LEMON Manuals: Even more car manuals for everyone: 1960-2025
Home >> Honda >> 2007 >> Fit L4-1.5L >> Repair and Diagnosis >> Specifications >> Mechanical Specifications >> Engine >> Cylinder Block Assembly >> System Specifications >> Torque Specifications
April 5, 2026: LEMON Manuals is launched! Read the announcement.

Torque Specifications

Cylinder Head




If either diameter is less than 8.6 mm (0.34 in.), replace the cylinder head bolt.




Tighten the cylinder head bolts in sequence to 29 N.m (3.0 kgf.m, 22 lbf.ft).




Tighten all cylinder head bolts an additional 130°.


Intake Manifold

Intake Manifold:






Main Bearing Cap




Tighten the bearing cap bolts in sequence to 25 N.m (2.5 kgf.m, 18 lbf.ft).
Tighten the bearing cap bolts an additional 40°.

Main Bearing Selection




Crankshaft Bore Code Location




Main Journal Code Location




Journal Code Selection Table


Connecting Rod Cap




Point A-Point B = Difference in Diameter
Difference in Diameter: 0-0.05 mm (0-0.002 in.)
Tighten the connecting rod bolts to 9.8 N.m (1.0 kgf.m, 7.2 lbf.ft)
Tighten the connecting rod bolts an additional 90°.

Crankshaft Pulley




1. Tighten the bolt to 37 N.m (3.8 kgf.m, 27 lbf.ft) with a torque wrench and a heavy duty 19 mm socket.
Note: If the pulley bolt or crankshaft are new, tighten the bolt to 177 N.m (18.0 kgf.m, 130 lbf.ft) then remove the bolt and tighten to 37 N.m (3.8 kgf.m, 27 lbf.ft).
2. Mark the bolt head and the crankshaft pulley as shown, then tighten the bolt an additional 90°


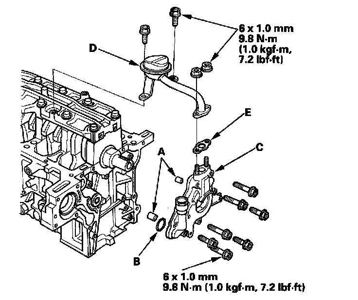
Oil Pump

Oil Pump:









Exhaust Manifold





Water Pump