LEMON Manuals: Even more car manuals for everyone: 1960-2025
Home >> Honda >> 2007 >> Odyssey EX >> Repair and Diagnosis >> Engine Mechanical >> Fuel System >> Fuel Supply System >> Fuel Filter Replacement
April 5, 2026: LEMON Manuals is launched! Read the announcement.

Fuel Filter Replacement

The fuel filter should be replaced whenever the fuel pressure drops below the specified value (see FUEL PRESSURE TEST ), after making sure that the fuel pump and fuel pressure regulator are OK.

  1. Remove the fuel tank unit (see FUEL TANK UNIT REMOVAL AND INSTALLATION ).
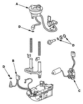
  2. Remove the fuel filter set (A).
    Fig 1: Identifying Fuel Filter Set, O-Ring And Fuel Gauge Sending Unit
    G05524078Courtesy of AMERICAN HONDA MOTOR CO., INC.
  3. Check these items before installing the fuel tank unit:
    • When connecting the wire harness, make sure the connection is secure and the connectors (B) are firmly locked into place.
    • When installing the fuel gauge sending unit (C), make sure the connection is secure and the connector is firmly locked into place. Be careful not to bend or twist it excessively.
  4. Install the parts in the reverse order of removal with new O-rings (D). When installing the fuel tank unit, align the marks on the unit and the fuel tank (see INSTALLATION ).
    NOTE: Coat the O-rings with clean engine oil.