LEMON Manuals: Even more car manuals for everyone: 1960-2025
Home >> Honda >> 2007 >> Odyssey EX >> Repair and Diagnosis >> Engine Mechanical >> Mechanical >> Engine Assembly >> Engine Installation
April 5, 2026: LEMON Manuals is launched! Read the announcement.

Engine Installation

Special Tools Required 

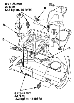
  1. Install the engine mount bracket accessory brackets, and tighten their bolts to the specified torque.
    Fig 1: Engine Mount Bracket Accessory Brackets And Bolts With Torque Specifications
    G05522837Courtesy of AMERICAN HONDA MOTOR CO., INC.
  2. Position the engine/transmission under the vehicle.

    Be sure that they are properly aligned. Carefully lower the vehicle until the engine/transmission are properly positioned in the engine compartment.

    Make sure the vehicle is not resting on any part of the engine/transmission. Support to the engine/transmission with a chain hoist (A) and carefully raise the engine/transmission into place.

    NOTE: Reinstall the mounting bolts/support nuts in the sequence given in the following steps. Failure to follow this sequence may cause excessive noise and vibration, and reduce engine mount life.
    Fig 2: Identifying Chain Hoist
    G05522838Courtesy of AMERICAN HONDA MOTOR CO., INC.
  3. Install the engine hanger adapters (VSB02C000022) on the end of the engine support beams, then install the engine support hanger (AAR-T1256) with the adapters to the vehicle.
    Fig 3: Engine Hanger Adapters On The End Of The Engine Support Beams
    G00465399Courtesy of AMERICAN HONDA MOTOR CO., INC.
  4. J35A6, '07 model J35A7 engines: Lift and support the engine with the engine support hanger and the engine hanger balancer bar (VSB02C000019). Attach the front arm (A) to the front cylinder head with several spacers (B) and a 10 x 1.25 mm bolt (C). Attach the rear arm (D) to the rear cylinder head with a 8 x 1.25 mm bolt (E).
  5. '08-09 models J35A7 engine: Lift and support the engine with the engine support hanger and the engine hanger balance bar. Attach the front arm to the front cylinder head with several spacers and a 10 x 1.25 mm bolt. Attach the 2008-09 V6 attachment arm (SIL02C000033) (F) to the rear cylinder head with a 8 x 1.25 mm bolt, then attach the rear arm to the 2008-09 V6 attachment arm.
  6. Install new mounting bolts into the upper half of the side engine mount bracket. Tighten the bolts to the specified torque.
    Fig 4: Mounting Bolts With Torque Specification
    G05522840Courtesy of AMERICAN HONDA MOTOR CO., INC.
  7. Remove the chain hoist, then raise the vehicle on the lift.
  8. Using the front subframe adapter (VSB02C000016) and a jack, raise the front subframe up to the body.
    Fig 5: Front Subframe Adapter (VSB02C000016) And Jack With Torque Specifications
    G05522841Courtesy of AMERICAN HONDA MOTOR CO., INC.
  9. Loosely install the new front subframe mounting bolts (four) (A), the 12 x 1.25 mm bolts (six) (B) (C), and the stiffeners (D).
  10. Align all reference marks (A) on the front subframe (B) with the edge of the body (C), then tighten the bolts on the front subframe to the specified torque.
    Fig 6: Identifying Reference Marks, Front Subframe And Edge Of Body
    G05522842Courtesy of AMERICAN HONDA MOTOR CO., INC.
  11. Remove the jack and the front subframe adapter.
  12. Tighten the nuts securing the lower transmission front mount and the lower transmission rear mount.
    Fig 7: Nuts And Lower Transmission Front Mount With Torque Specification
    G05522843Courtesy of AMERICAN HONDA MOTOR CO., INC.
  13. Lower the vehicle on the lift.
  14. Remove the engine support hanger, the engine hanger balance bar, and the engine hanger adapters.
  15. Raise the vehicle on the lift.
  16. J35A6 engine: Tighten the rear engine mount bolt, then install the heat shield (A).
    Fig 8: Heat Shield With Torque Specifications
    G05522844Courtesy of AMERICAN HONDA MOTOR CO., INC.
  17. J35A7 engine: Tighten the rear engine mount bolt (A), then install the rear engine mount stop (B), and connect the rear active control engine mount (ACM) actuator connector (C).
    Fig 9: Rear Engine Mount Bolt, Rear Engine Mount Stop And Rear Active Control Engine Mount (ACM) Actuator Connector With Torque Specifications
    G05522845Courtesy of AMERICAN HONDA MOTOR CO., INC.
  18. Lower the vehicle on the lift.
  19. J35A6 engine: Tighten the front engine mount bolt (A), then install the front engine mount stop (B) and the front engine mount control solenoid valve tube (C).
    Fig 10: Front Engine Mount Bolt, Front Engine Mount Stop And Front Engine Mount Control Solenoid Valve Tube With Torque Specifications
    G05522846Courtesy of AMERICAN HONDA MOTOR CO., INC.
  20. J35A7 engine: Tighten the front engine mount bolt (A), then install the front engine mount stop (B), and connect the front ACM actuator connector (C) and the harness clamp (D).
    Fig 11: Front Engine Mount Bolt, Front Engine Mount Stop And Front ACM Actuator Connector With Torque Specifications
    G05522847Courtesy of AMERICAN HONDA MOTOR CO., INC.

    *: This illustration shows '07 model.

  21. Loosen the mounting bolts for the upper half of the side engine mount bracket, then retighten them to the specified torque.
    Fig 12: Mounting Bolts With Torque Specifications
    G05522848Courtesy of AMERICAN HONDA MOTOR CO., INC.
  22. '08-09 models J35A7 engine: Install the harness holder and the connectors to the front cylinder head.(seeFRONT )
  23. Install the connector bracket to the front cylinder head:
  24. Install the harness bracket to the rear cylinder head.
  25. Install the A/C compressor (A), then connect the A/C compressor clutch connector (B).
    Fig 13: A/C Compressor And A/C Compressor Clutch Connector With Torque Specification
    G05522849Courtesy of AMERICAN HONDA MOTOR CO., INC.
  26. Install the radiator (see RADIATOR REPLACEMENT )
  27. Install the automatic transmission fluid (ATF) cooler hoses.
    Fig 14: Identifying Automatic Transmission Fluid (ATF) Cooler Hoses
    G05522850Courtesy of AMERICAN HONDA MOTOR CO., INC.
  28. J35A6, '07 model J35A7 engines: Install the ground cables (A).
    Fig 15: Ground Cables With Torque Specification
    G05522851Courtesy of AMERICAN HONDA MOTOR CO., INC.
  29. '08-09 models J35A7 engine: Install the harness clamp (A), then install the ground cable (B).
    Fig 16: Harness Clamp And Ground Cable With Torque Specification
    G05522852Courtesy of AMERICAN HONDA MOTOR CO., INC.
  30. Install the heater hoses.
    Fig 17: Identifying Heater Hoses
    G05522853Courtesy of AMERICAN HONDA MOTOR CO., INC.
  31. Install the upper radiator hose (A) and the lower radiator hose (B).
    Fig 18: Identifying Upper Radiator Hose And Lower Radiator Hose
    G05522854Courtesy of AMERICAN HONDA MOTOR CO., INC.
  32. Raise the vehicle on the lift.
  33. Connect the power steering pressure switch connector (A).
    Fig 19: Identifying Power Steering Pressure Switch Connector
    G05522856Courtesy of AMERICAN HONDA MOTOR CO., INC.
  34. Reconnect the power steering (P/S) hose.
    Fig 20: Identifying Power Steering (P/S) Hose
    G05522857Courtesy of AMERICAN HONDA MOTOR CO., INC.
  35. Install a new set ring on the end of each driveshaft, then install the driveshafts. Make sure each ring "clicks" into place in the differential and the intermediate shaft.
  36. Connect the suspension lower arms to the knuckles (see step 12 on BALL JOINT BOOT REPLACEMENT ).
  37. Connect the tie-rod end ball joints to the knuckles (see step 10 on BALL JOINT BOOT REPLACEMENT ).
  38. Connect the stabilizer links (see STABILIZER LINK REMOVAL/INSTALLATION ).
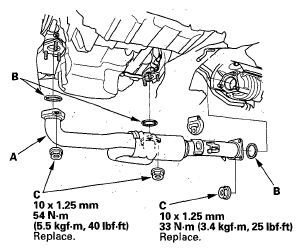
  39. Install exhaust pipe A using new gaskets (B) and new self-locking nuts (C).
    Fig 21: Gaskets And Self-Locking Nuts With Torque Specifications
    G05522858Courtesy of AMERICAN HONDA MOTOR CO., INC.
  40. Install the splash shield.
    Fig 22: Identifying Splash Shield
    G05522859Courtesy of AMERICAN HONDA MOTOR CO., INC.
  41. Install the front wheels.
  42. Lower the vehicle on the lift.
  43. Install the shift cable (see SHIFT CABLE REPLACEMENT ).
  44. Install the P/S pump inlet hose (A), and the P/S pump outlet hose (B) with a new O-ring (C) to the pump, then install the P/S hose bracket (D) to the cylinder head cover.
    Fig 23: Identifying P/S Pump Inlet Hose, P/S Pump Outlet Hose And O-Ring
    G05522860Courtesy of AMERICAN HONDA MOTOR CO., INC.
  45. Install the drive belt:
  46. J35A6, '07 model J35A7 engines: Install the alternator cable (A), then install the harness clamps (B).
    Fig 24: Alternator Cable And Harness Clamps With Torque Specification
    G05522861Courtesy of AMERICAN HONDA MOTOR CO., INC.
  47. '08-09 models J35A7 engine: Connect the battery cable (A) to the under-hood fuse/relay box, then install the harness clamp (B).
    Fig 25: Identifying Battery Cable And Harness Clamp
    G05522862Courtesy of AMERICAN HONDA MOTOR CO., INC.
  48. Connect the engine wire harness connectors (A) and the cabin wire harness connector (B), then install the harness clamps (C).
    Fig 26: Identifying Engine Wire Harness Connectors, Cabin Wire Harness Connector And Harness Clamps
    G05522863Courtesy of AMERICAN HONDA MOTOR CO., INC.
  49. Install the powertrain control module (PCM) cover (A).
    Fig 27: Identifying Powertrain Control Module (PCM) Cover
    G05522864Courtesy of AMERICAN HONDA MOTOR CO., INC.
  50. Align the reference mark (A) on the steering joint and the steering gearbox pinion shaft. Connect the steering joint (B) to the steering gearbox pinion shaft (C). Tighten the steering joint bolt.
    Fig 28: Reference Mark, Steering Joint And Steering Gearbox Pinion Shaft With Torque Specification
    G05522865Courtesy of AMERICAN HONDA MOTOR CO., INC.
  51. Install the steering joint cover (E).
  52. Install the carpet (see CARPET REPLACEMENT ) and driver's side console lower panel.
  53. Install the steering wheel (see STEERING WHEEL INSTALLATION ).
  54. Install the brake booster vacuum hose (A) and the evaporative emission (EVAP) canister hose (B).
    Fig 29: Identifying Brake Booster Vacuum Hose And Evaporative Emission (EVAP) Canister Hose
    G05522866Courtesy of AMERICAN HONDA MOTOR CO., INC.
  55. J35A6 engine: Install the vacuum hose (C).
  56. Connect the fuel feed hose (A) (see FUEL LINE/QUICK-CONNECT FITTING INSTALLATION ), then install the quick-connect fitting cover (B).
    Fig 30: Identifying Fuel Feed Hose And Quick-Connect Fitting Cover
    G05522867Courtesy of AMERICAN HONDA MOTOR CO., INC.
  57. Connect the starter cable (A) to the B terminal and the harness clamp (B).

    J35A6, '07 model J35A7 engines 

    Fig 31: Starter Cable And Harness Clamp - 07 Model J35A7 Engines With Torque Specification
    G05522868Courtesy of AMERICAN HONDA MOTOR CO., INC.

    '08-09 models J35A7 engine 

    Fig 32: Starter Cable And Harness Clamp - 08-09 models J35A7 Engine With Torque Specification
    G05522869Courtesy of AMERICAN HONDA MOTOR CO., INC.
  58. Install the battery base (A), then install the harness clamps (B).

    '07 model 

    Fig 33: Battery Base And Harness Clamps - 07 Model With Torque Specifications
    G05522870Courtesy of AMERICAN HONDA MOTOR CO., INC.

    '08-09 models 

    Fig 34: Battery Base And Harness Clamps - 08-09 models With Torque Specifications
    G05522871Courtesy of AMERICAN HONDA MOTOR CO., INC.
  59. '08-09 models: Install the ground cable (C).
  60. Install the air cleaner assembly (see AIR CLEANER REMOVAL/INSTALLATION ).
  61. Install the intake air duct (A), then install the breather pipe (B).
    Fig 35: Identifying Intake Air Duct And Breather Pipe
    G05522872Courtesy of AMERICAN HONDA MOTOR CO., INC.
  62. Install the engine cover.
    Fig 36: Identifying Engine Cover
    G05522873Courtesy of AMERICAN HONDA MOTOR CO., INC.
  63. Do the battery installation procedure (seeBATTERY TERMINAL DISCONNECTION AND RECONNECTION )
  64. '07 model: Reinstall front grill cover (see FRONT GRILLE COVER REPLACEMENT ).
  65. '08-09 models; Reinstall the front bumper (see FRONT BUMPER REMOVAL/INSTALLATION ).
  66. Inspect for fuel leaks. Turn the ignition switch to ON (II) (do not operate the starter) so the fuel pump runs for about 2 seconds and pressurizes the fuel line. Repeat this operation three times, then check for fuel leakage at any point in the fuel line.
  67. Refill the engine with new engine oil (see ENGINE OIL REPLACEMENT ).
  68. Refill the transmission with ATF (see ATF REPLACEMENT ).
  69. Move the shift lever to each gear, and verify that the A/T gear position indicator follows the transmission range switch.
  70. Refill reservoir with power steering fluid (seeFLUID REPLACEMENT ).
  71. Refill the radiator with engine coolant (seeCOOLANT REPLACEMENT )
  72. Refill the power steering fluid reservoir. Refill the power steering system fluid (see FLUID REPLACEMENT ).
  73. Do the cooling system bleeding procedure (seeCOOLANT REPLACEMENT ).
  74. Check for fluid leaks.
  75. Do the PCM reset procedure (see HDS CLEAR COMMAND ).
  76. Do the PCM idle learn procedure (seePCM IDLE LEARN PROCEDURE )
  77. Do the crankshaft position (CKP) pattern clear/CKP pattern learn procedure (see CKP PATTERN CLEAR/CKP PATTERN LEARN ).
  78. Inspect the idle speed (see IDLE SPEED INSPECTION ).
  79. Inspect the ignition timing (see IGNITION TIMING INSPECTION ).
  80. Check the wheel alignment (see WHEEL ALIGNMENT ).