LEMON Manuals: Even more car manuals for everyone: 1960-2025
Home >> Honda >> 2007 >> Odyssey EX >> Repair and Diagnosis >> Engine Performance >> System >> Advanced Diagnostics >> DTC P0506: Idle Control System RPM Lower Than Expected >> Notes
April 5, 2026: LEMON Manuals is launched! Read the announcement.

DTC P0506: Idle Control System RPM Lower Than Expected: Notes

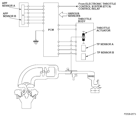
Fig 1: Idle Control System - Circuit Diagram
G04823908
Fig 2: Idle Control System Normal Operation And System Failure Graph
G04818011