LEMON Manuals: Even more car manuals for everyone: 1960-2025
Home >> Honda >> 2007 >> Odyssey EX >> Repair and Diagnosis >> External Pages >> Different car >> Section 15 (Multiplex Integrated Control System) >> Circuit Diagram
April 5, 2026: LEMON Manuals is launched! Read the announcement.

Circuit Diagram

WARNING: This page is about a different car, the 2009 Acura MDX, 2008 Acura MDX, and 2007 Acura MDX. However, it is still accessible from the selected car via links, so may be relevant.
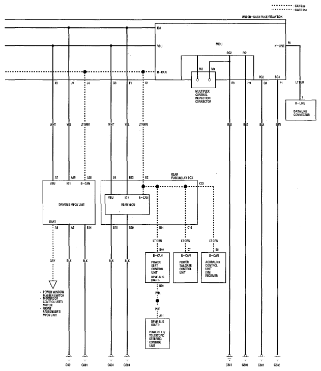
Fig 1: Multiplex Integrated Control System - Circuit Diagram (1 Of 2)
G05487857Courtesy of AMERICAN HONDA MOTOR CO., INC.
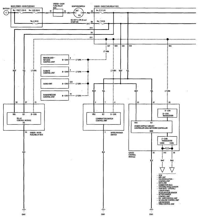
Fig 2: Multiplex Integrated Control System - Circuit Diagram (2 Of 2)
G05487858Courtesy of AMERICAN HONDA MOTOR CO., INC.