LEMON Manuals: Even more car manuals for everyone: 1960-2025
Home >> Honda >> 2007 >> Odyssey EX >> Repair and Diagnosis >> Transmission >> Automatic Trans >> Automatic Transmission >> System Description >> Circuit Diagram - PGM A/T Control System
April 5, 2026: LEMON Manuals is launched! Read the announcement.

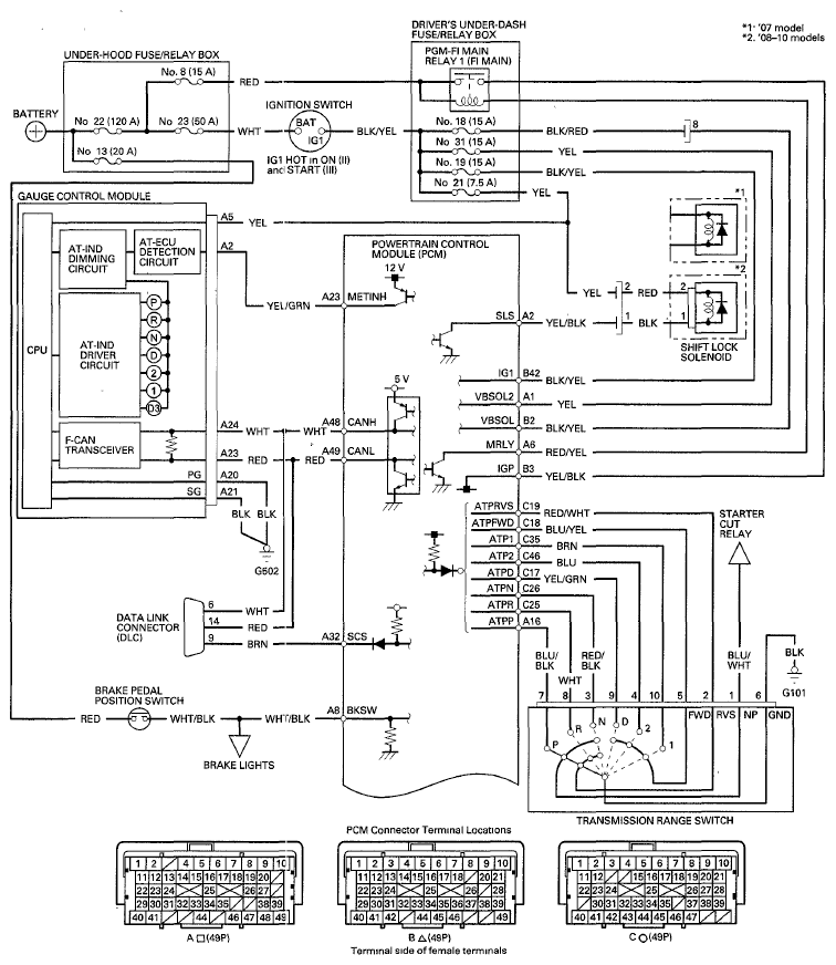
Circuit Diagram - PGM A/T Control System

Fig 1: PGM A/T Control System - Circuit Diagram (1 Of 2)
G06680730Courtesy of AMERICAN HONDA MOTOR CO., INC.
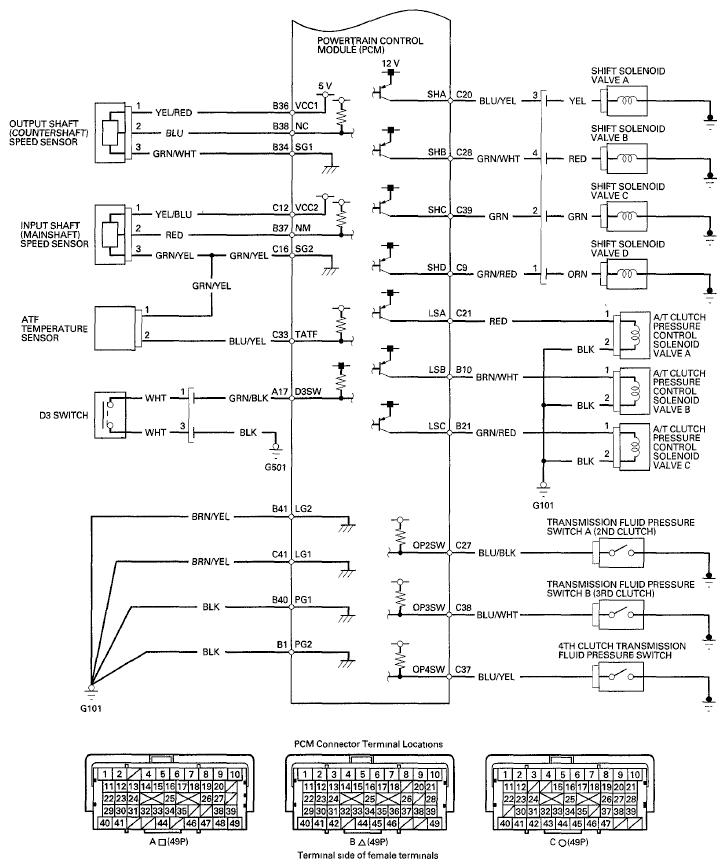
Fig 2: PGM A/T Control System - Circuit Diagram (2 Of 2)
G06680731Courtesy of AMERICAN HONDA MOTOR CO., INC.