LEMON Manuals: Even more car manuals for everyone: 1960-2025
Home >> Honda >> 2007 >> Odyssey LX >> Repair and Diagnosis >> Body & Frame >> Seats >> Driver Position Memory System (DPMS) >> Circuit Diagram - Power Mirror >> '08-10 Touring models
April 5, 2026: LEMON Manuals is launched! Read the announcement.

'08-10 Touring models

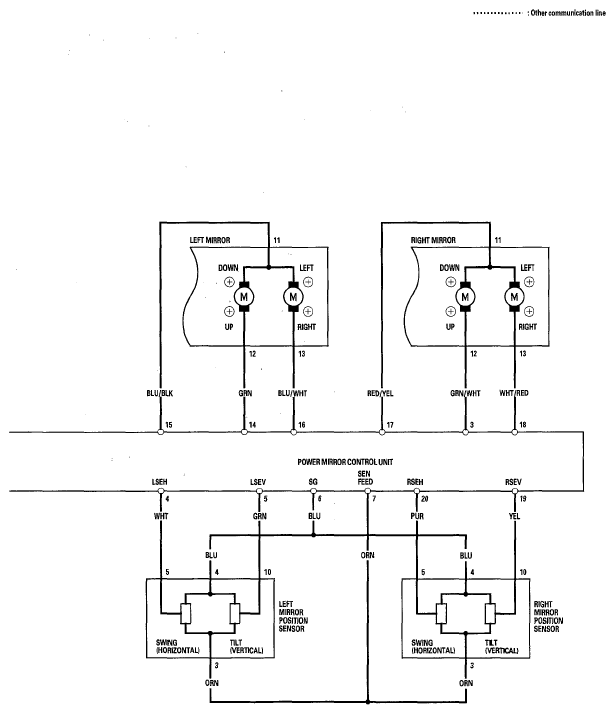
Fig 1: Power Mirror - Circuit Diagram (1 Of 2)
G05526876Courtesy of AMERICAN HONDA MOTOR CO., INC.
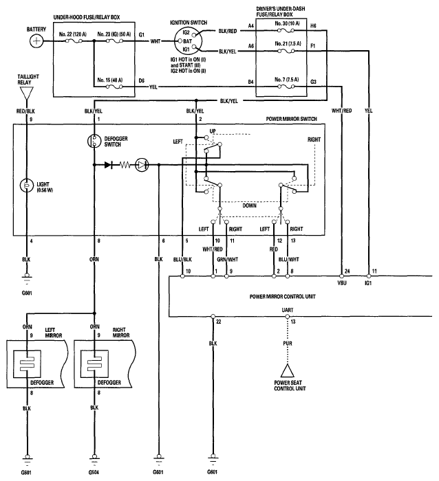
Fig 2: Power Mirror - Circuit Diagram (2 Of 2)
G05526877Courtesy of AMERICAN HONDA MOTOR CO., INC.