LEMON Manuals: Even more car manuals for everyone: 1960-2025
Home >> Honda >> 2007 >> Odyssey V6-3.5L >> Repair and Diagnosis >> Body and Frame >> Seats >> Memory Positioning Systems >> Diagrams >> Electrical Diagrams >> Driving Position Memory System (DPMS) Circuit Diagram
April 5, 2026: LEMON Manuals is launched! Read the announcement.

Driving Position Memory System (DPMS) Circuit Diagram

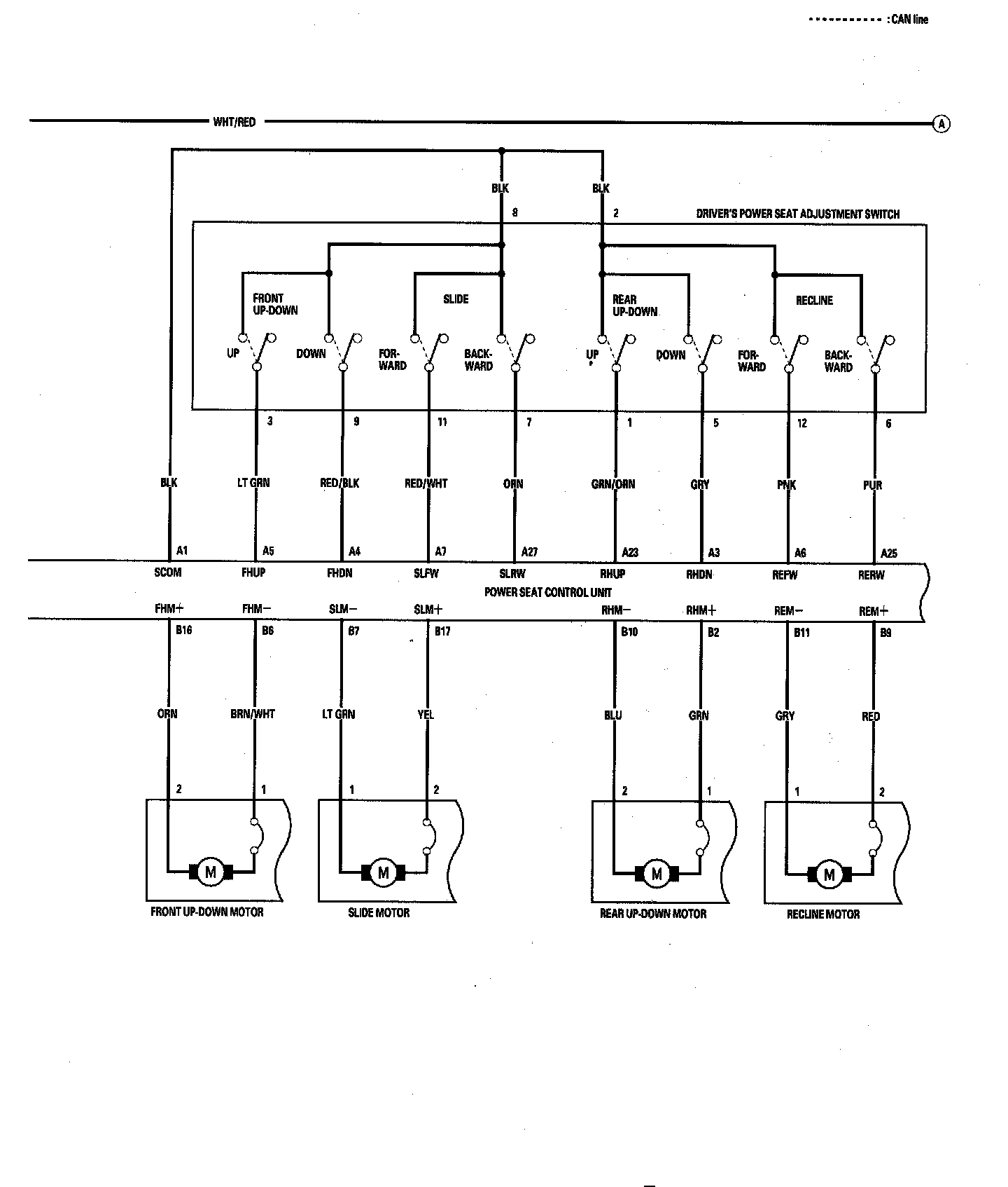
Driving Position Memory System (DPMS) Circuit Diagram Part 1:



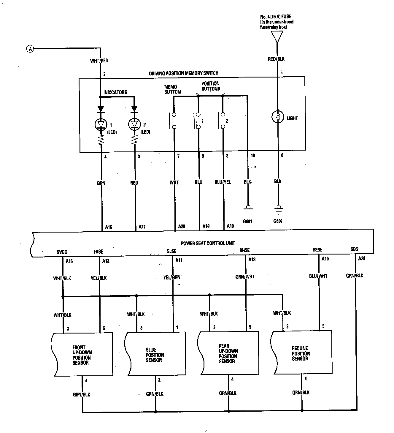
Driving Position Memory System (DPMS) Circuit Diagram Part 2:



Driving Position Memory System (DPMS) Circuit Diagram Part 3: