LEMON Manuals: Even more car manuals for everyone: 1960-2025
Home >> Honda >> 2007 >> Odyssey V6-3.5L >> Repair and Diagnosis >> Diagrams >> Connector Views >> Navigation System >> System Diagram >> Navigation System Circuit Diagram
April 5, 2026: LEMON Manuals is launched! Read the announcement.

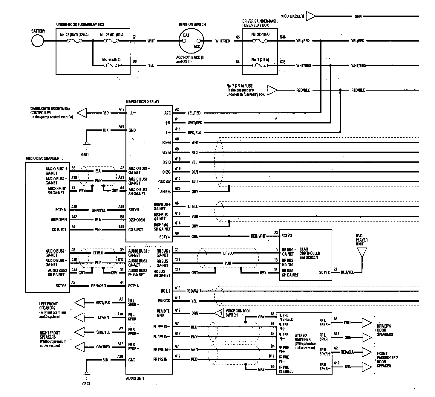
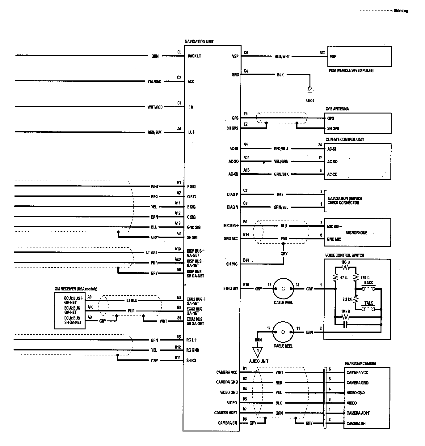
Navigation System Circuit Diagram

Navigation System Circuit Diagram Part 1:



Navigation System Circuit Diagram Part 2:



Navigation System Circuit Diagram Part 3: