LEMON Manuals: Even more car manuals for everyone: 1960-2025
Home >> Honda >> 2007 >> Odyssey V6-3.5L >> Repair and Diagnosis >> Diagrams >> Exploded Views >> Cylinder Block Assembly >> J35A7 Engine
April 5, 2026: LEMON Manuals is launched! Read the announcement.

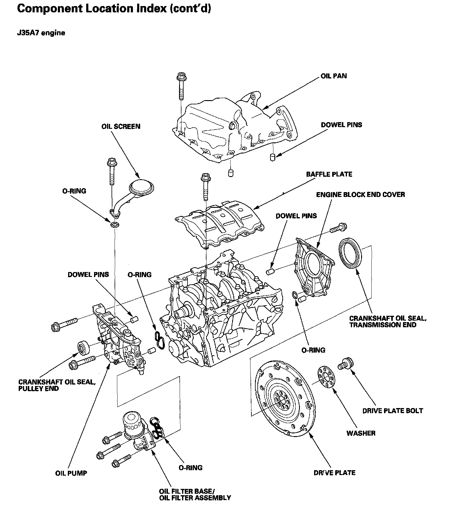
J35A7 Engine

Engine Block Component Location Index (Part 1):



Engine Block Component Location Index (Part 2):



Engine Block Component Location Index (Part 3):