LEMON Manuals: Even more car manuals for everyone: 1960-2025
Home >> Honda >> 2007 >> Odyssey V6-3.5L >> Repair and Diagnosis >> Powertrain Management >> Computers and Control Systems >> Fuel Tank Pressure Sensor >> Service and Repair
April 5, 2026: LEMON Manuals is launched! Read the announcement.

Fuel Tank Pressure Sensor: Service and Repair

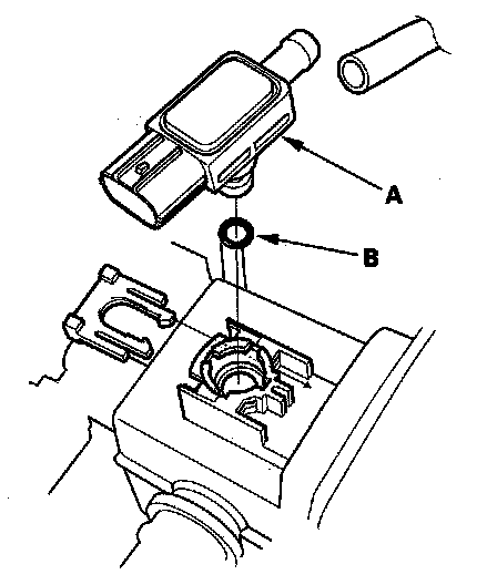
FTP Sensor Replacement

1. Remove the EVAP canister.




2. Remove the FTP sensor (A).
3. Install the parts in the reverse order of removal with a new O-ring (B).