LEMON Manuals: Even more car manuals for everyone: 1960-2025
Home >> Honda >> 2007 >> Pilot 2WD V6-3.5L >> Repair and Diagnosis >> Diagrams >> Electrical Diagrams >> Powertrain Management >> System Diagram >> Control Module Circuit Diagrams >> PCM Electrical Connections
April 5, 2026: LEMON Manuals is launched! Read the announcement.

PCM Electrical Connections

PCM Electrical Connections Part 1:



PCM Electrical Connections (Part 2):



PCM Electrical Connections (Part 3):



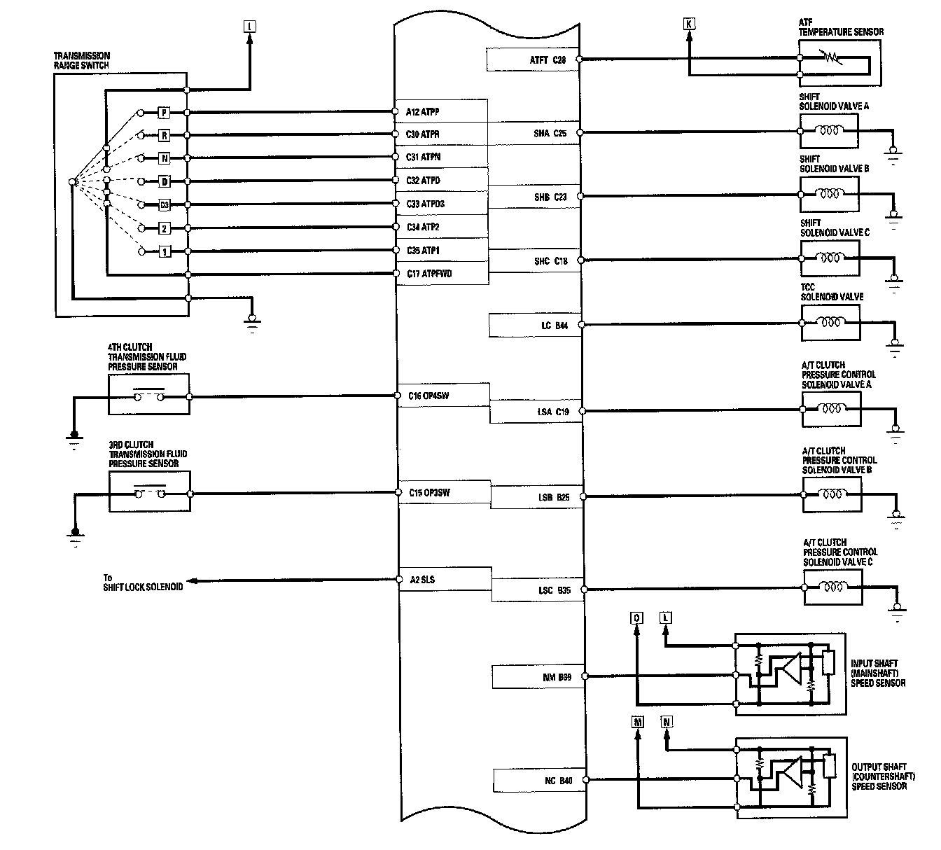
PCM Electrical Connections (Part 4):



PCM Electrical Connections (Part 5):



PCM Electrical Connections (Part 6):