LEMON Manuals: Even more car manuals for everyone: 1960-2025
Home >> Honda >> 2007 >> Pilot 4WD V6-3.5L >> Repair and Diagnosis >> Powertrain Management >> Computers and Control Systems >> Accelerator Pedal Position Sensor >> Description and Operation >> Accelerator Pedal Position (APP) Sensor
April 5, 2026: LEMON Manuals is launched! Read the announcement.

Accelerator Pedal Position (APP) Sensor




Accelerator Pedal Position (APP) Sensor
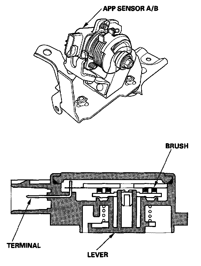
As the accelerator pedal position changes, the sensor varies the signal voltage to the PCM.