LEMON Manuals: Even more car manuals for everyone: 1960-2025
Home >> Honda >> 2007 >> Pilot EX, 3.5 YF1 >> Repair and Diagnosis >> Engine Performance >> System >> Advanced Diagnostics >> DTC P2101: Electronic Throttle Control System (ETCS) Malfunction >> Notes
April 5, 2026: LEMON Manuals is launched! Read the announcement.

DTC P2101: Electronic Throttle Control System (ETCS) Malfunction: Notes

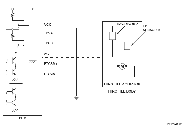
Fig 1: Throttle Position (TP) Sensor A Circuit Diagram
G04838082