LEMON Manuals: Even more car manuals for everyone: 1960-2025
Home >> Honda >> 2007 >> Ridgeline RT >> Repair and Diagnosis >> Engine Mechanical >> Fuel System >> Fuel And Emissions Systems >> System Description >> Electronic Control System >> PCM Electrical Connections
April 5, 2026: LEMON Manuals is launched! Read the announcement.

PCM Electrical Connections

Fig 1: PCM Electrical Connections (1 Of 5)
G03688502Courtesy of AMERICAN HONDA MOTOR CO., INC.
Fig 2: PCM Electrical Connections (2 Of 5)
G03688503Courtesy of AMERICAN HONDA MOTOR CO., INC.
Fig 3: PCM Electrical Connections (3 Of 5)
G03688504Courtesy of AMERICAN HONDA MOTOR CO., INC.
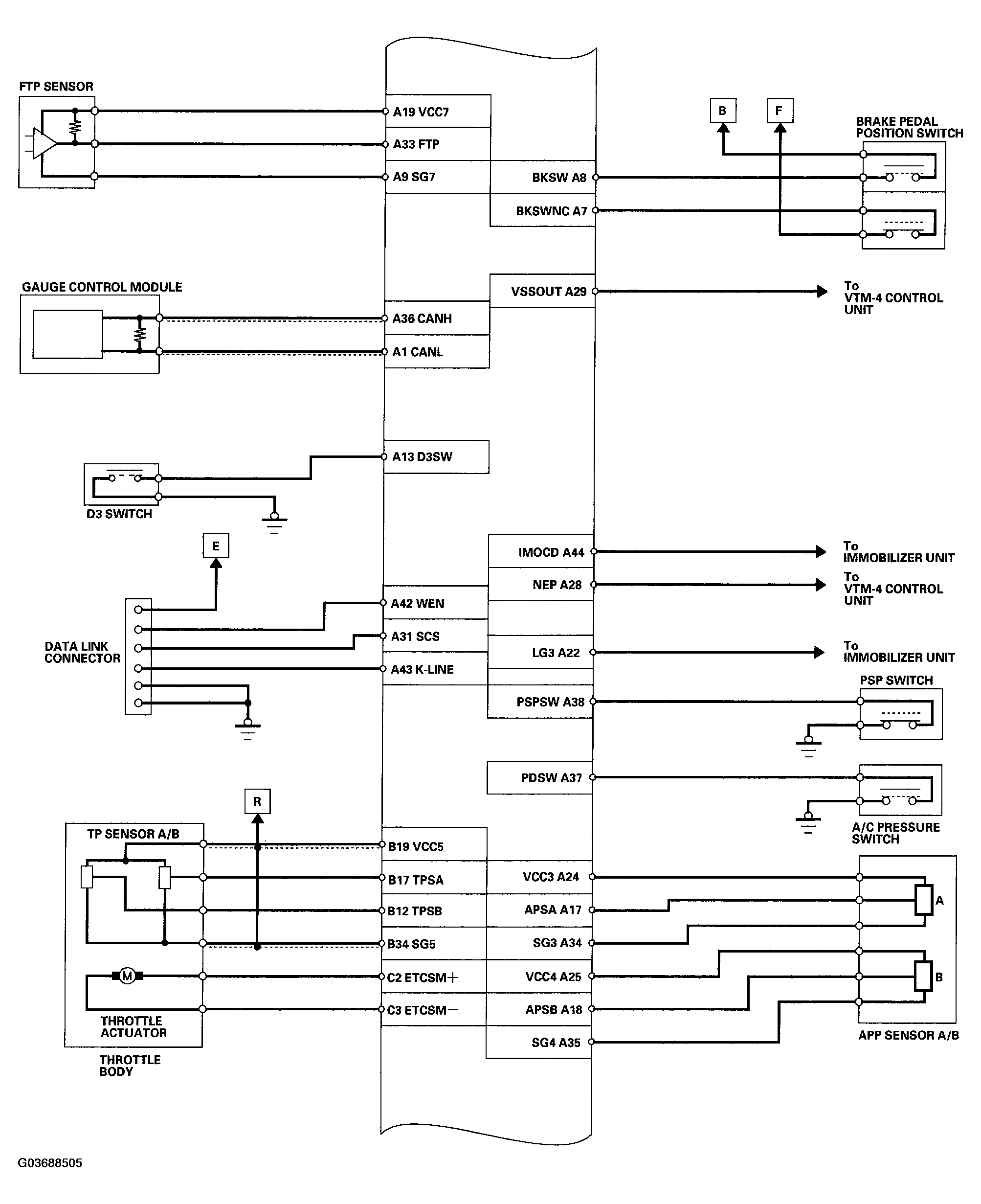
Fig 4: PCM Electrical Connections (4 Of 5)
G03688505Courtesy of AMERICAN HONDA MOTOR CO., INC.
Fig 5: PCM Electrical Connections (5 Of 5)
G03688506Courtesy of AMERICAN HONDA MOTOR CO., INC.