LEMON Manuals: Even more car manuals for everyone: 1960-2025
Home >> Honda >> 2007 >> Ridgeline RT >> Repair and Diagnosis >> Engine Mechanical >> Mechanical >> Engine Block >> Component Location Index
April 5, 2026: LEMON Manuals is launched! Read the announcement.

Component Location Index

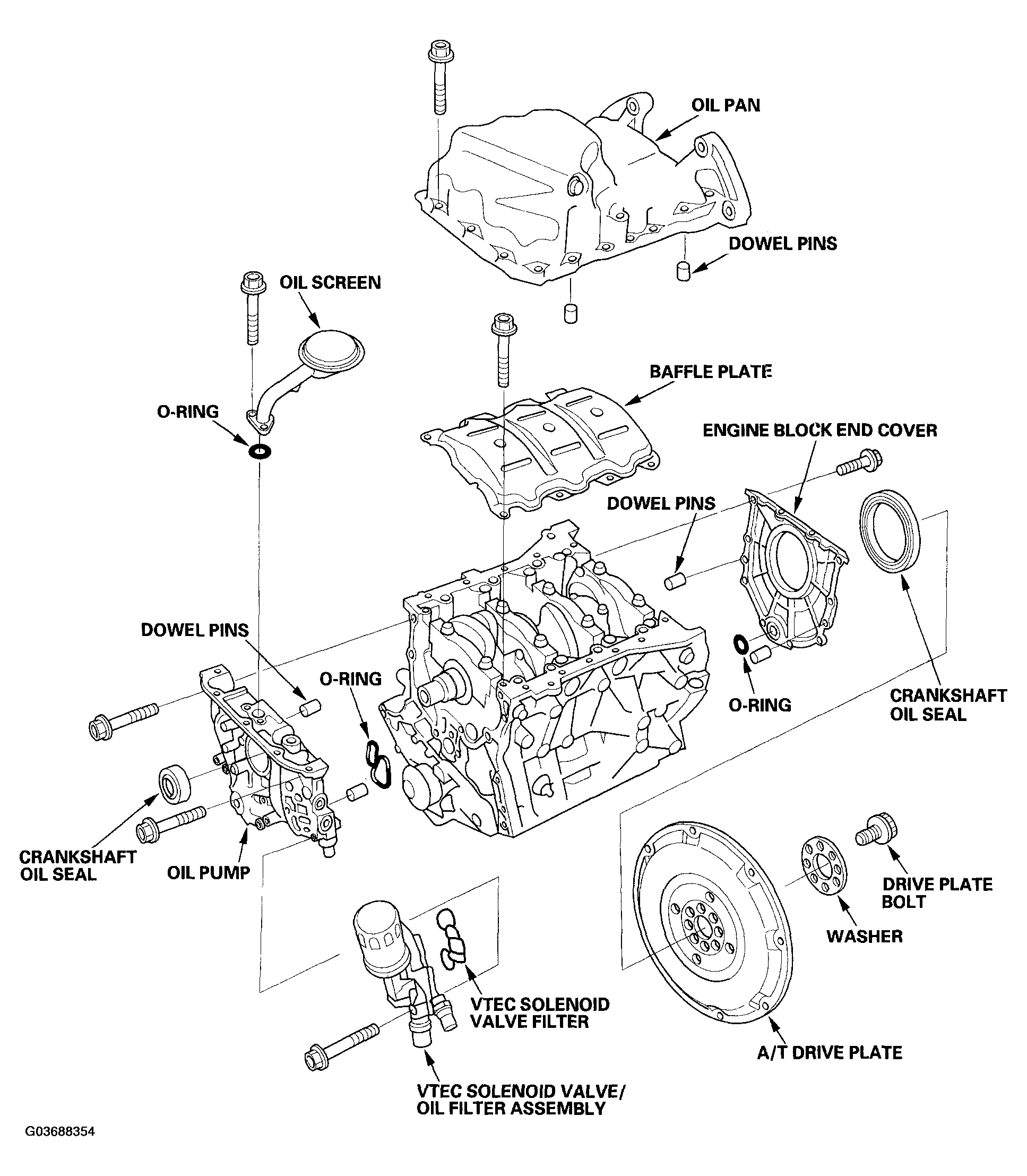
Fig 1: Identifying Component Location Engine Block (1 Of 3)
G03688354Courtesy of AMERICAN HONDA MOTOR CO., INC.
Fig 2: Identifying Component Location Engine Block (2 Of 3)
G03688355Courtesy of AMERICAN HONDA MOTOR CO., INC.
Fig 3: Identifying Component Location Engine Block (3 Of 3)
G03688356Courtesy of AMERICAN HONDA MOTOR CO., INC.