LEMON Manuals: Even more car manuals for everyone: 1960-2025
Home >> Honda >> 2007 >> Ridgeline RT >> Repair and Diagnosis >> Engine Performance >> System >> Advanced Diagnostics >> DTC P0966: Problem in A/T Clutch Pressure Control Solenoid Valve B Circuit >> Notes
April 5, 2026: LEMON Manuals is launched! Read the announcement.

DTC P0966: Problem in A/T Clutch Pressure Control Solenoid Valve B Circuit: Notes

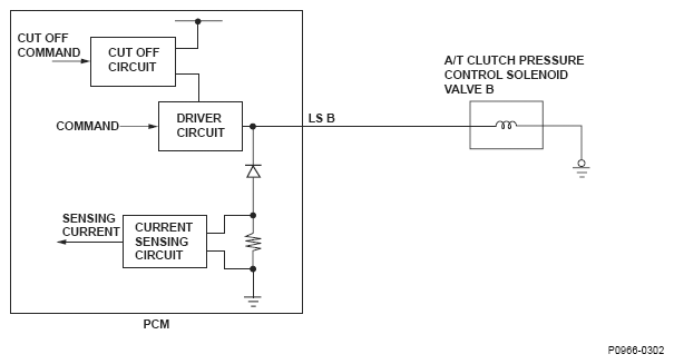
Fig 1: A/T Clutch Pressure Control Solenoid Valve B Circuit Diagram
G04838527
Fig 2: Current To Duty Failure Area Graph
G04838528