LEMON Manuals: Even more car manuals for everyone: 1960-2025
Home >> Honda >> 2007 >> Ridgeline RT >> Repair and Diagnosis >> External Pages >> Different car >> Section 25 (Engine Assembly) >> Engine Installation
April 5, 2026: LEMON Manuals is launched! Read the announcement.

Engine Installation

WARNING: This page is about a different car, the 2008 Honda Pilot, 2007 Honda Pilot, and 2006 Honda Pilot. However, it is still accessible from the selected car via links, so may be relevant.

Special Tools Required 

These special tools are available through the Honda Tool and Equipment Program .

  1. Install the engine mount bracket and accessory brackets, and tighten their bolts to the specified torques.
    Fig 1: Installing Engine Mount Bracket And Accessory Brackets With Torque Specifications
    G04244541Courtesy of AMERICAN HONDA MOTOR CO., INC.
  2. Position the engine/transmission assembly under the vehicle. Attach the chain hoist to the engine, then lift the engine into position in the vehicle.
    NOTE: Reinstall the mounting bolts/support nuts in the sequence given. Failure to follow this sequence may cause excessive noise and vibration, and reduce bushing life.
  3. Install the engine hanger balancer bar (VSB02C000019); attach the front arm (A) to the front cylinder head with a spacer and the 10 mm bolt, and attach the rear arm (B) to the rear cylinder head with the 8 mm bolt.
    Fig 2: Installing Engine Hanger Balancer Bar
    G04244542Courtesy of AMERICAN HONDA MOTOR CO., INC.
  4. Install the engine hanger adapters (VSB02C000014) on the ends of the support beams of the engine support hanger (AAR-T-12566). Install the engine support hanger and adapters to the vehicle, and attach the hook to the slotted hole in the engine hanger balance bar. Tighten the wing nut (C) by hand, and to lift and support the engine.
  5. Install new mounting bolts into the upper half of the side engine mount bracket. Tighten the bolts to the specified torque.
    Fig 3: Installing New Mounting Bolts Into Upper Half Of Side Engine Mount Bracket With Torque Specifications
    G04244543Courtesy of AMERICAN HONDA MOTOR CO., INC.
  6. Remove the chain hoist, then raise the vehicle on the hoist to full height.
  7. Support the front subframe with the front subframe adapter and a jack, and lift it up to the body.
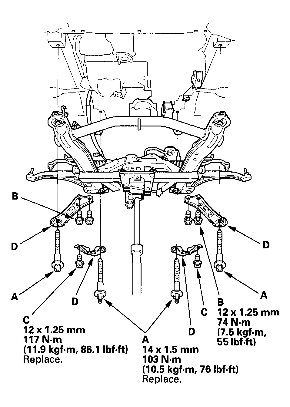
  8. Loosely install the four front subframe mounting bolts (A) and the six 12 x 1.25 mm bolts (B), (C) with the stiffeners (D).
    Fig 4: Installing Front Subframe Mounting Bolts With Torque Specifications
    G04244544Courtesy of AMERICAN HONDA MOTOR CO., INC.
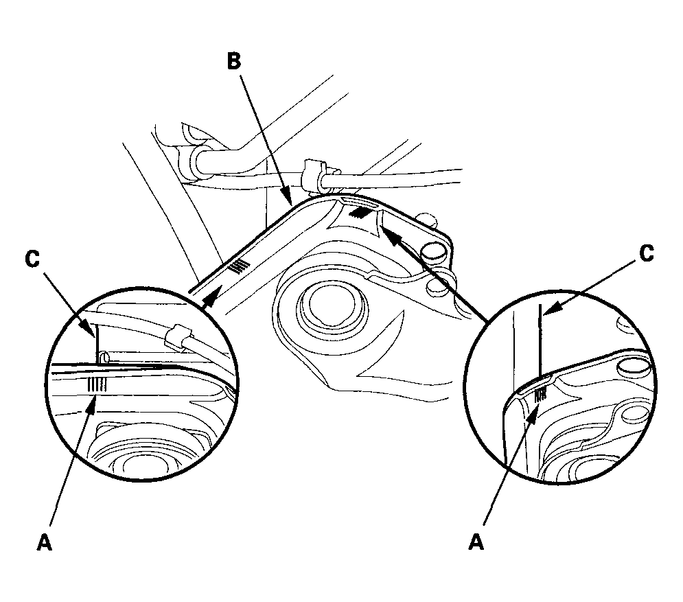
  9. Align all reference marks (A) on the front subframe (B) with the edge of the body (C), then tighten the bolts on the front subframe to the specified torque.
    Fig 5: Aligning Reference Marks On Front Subframe With Edge Of Body
    G04244545Courtesy of AMERICAN HONDA MOTOR CO., INC.
  10. Install the bolt retainers on both end of the subframe.
    Fig 6: Installing Bolt Retainers On Both End Of Subframe With Torque Specifications
    G04244546Courtesy of AMERICAN HONDA MOTOR CO., INC.
  11. Remove the front subframe adapter and a jack.
  12. Tighten the transmission lower rear mount nuts (A) and transmission lower front mount nuts (B).
    Fig 7: Tightening Transmission Lower Rear Mount Nuts And Transmission Lower Front Mount Nuts With Torque Specifications
    G04244547Courtesy of AMERICAN HONDA MOTOR CO., INC.
  13. Tighten the rear engine mount bolts.

    J35A9 engine 

    Fig 8: Tightening Rear Engine Mount Bolts - J35A9 Engine With Torque Specifications
    G04244548Courtesy of AMERICAN HONDA MOTOR CO., INC.

    J35Z1 engine 

    Fig 9: Tightening Rear Engine Mount Bolts - J35Z1 Engine With Torque Specifications
    G04244549Courtesy of AMERICAN HONDA MOTOR CO., INC.
  14. Lower the vehicle on the hoist.
  15. Tighten the front engine mount nut (J35A9 engine).
    Fig 10: Tightening Front Engine Mount Nut With Torque Specifications
    G04244550Courtesy of AMERICAN HONDA MOTOR CO., INC.
  16. Tighten the front mount bolt (A), then install the front mount stop (B) (J35Z1 engine).
    Fig 11: Installing Front Mount Stop With Torque Specifications
    G04244551Courtesy of AMERICAN HONDA MOTOR CO., INC.
  17. Loosen the mounting bolts for the upper half of the side engine mount bracket, then retighten them to the specified torque.
    Fig 12: Loosening Mounting Bolts For Upper Half Of Side Engine Mount Bracket With Torque Specifications
    G04244552Courtesy of AMERICAN HONDA MOTOR CO., INC.
  18. Remove the engine support hanger, engine hanger balance bar, and engine hanger adapters.
  19. Raise the vehicle on the hoist to full height.
  20. Install the A/C compressor.
    Fig 13: Installing A/C Compressor With Torque Specifications
    G04244553Courtesy of AMERICAN HONDA MOTOR CO., INC.
  21. Connect the active control engine mount (ACM) actuator connector (A) to the front engine mount, then install the harness clamp (B) (J35Z1 engine).
    Fig 14: Connecting Active Control Engine Mount Actuator Connector To Front Engine Mount And Installing Harness Clamp With Torque Specifications
    G04244554Courtesy of AMERICAN HONDA MOTOR CO., INC.
  22. Connect the ACM actuator connector (A) to the rear engine mount, then install the harness clamp (B). Install the bolt (C) securing the power steering (P/S) line (J35Z1 engine).
    Fig 15: Connecting ACM Actuator Connector To Rear Engine Mount And Installing Harness Clamp With Torque Specifications
    G04244555Courtesy of AMERICAN HONDA MOTOR CO., INC.
  23. Install the power steering (P/S) hose.
    Fig 16: Installing Power Steering Hose
    G04244556Courtesy of AMERICAN HONDA MOTOR CO., INC.
  24. Connect the power steering pressure switch connector.
    Fig 17: Connecting Power Steering Pressure Switch Connector
    G04244557Courtesy of AMERICAN HONDA MOTOR CO., INC.
  25. Install a new set ring on the end of each driveshaft, then install the driveshafts. Make sure each ring "clicks" into place on the differential and intermediate shafts.
  26. Connect the suspension lower arm ball joints (see LOWER ARM REMOVAL/INSTALLATION ).
  27. Connect the tie-rod end ball joints (see step 22 in STEERING GEARBOX INSTALLATION ).
  28. Connect the stabilizer links (see STABILIZER LINK REMOVAL/INSTALLATION ).
  29. Install the transfer assembly (see PROPELLER SHAFT INSTALLATION ).
  30. Align the reference marks (A) on the propeller shaft (B) and transfer shaft flange (C), then install the propeller shaft.
    Fig 18: Aligning Reference Marks On Propeller Shaft And Transfer Shaft Flange With Torque Specifications
    G04244558Courtesy of AMERICAN HONDA MOTOR CO., INC.
  31. Install exhaust pipe A using new gaskets (B) and new self locking nuts (C).
    Fig 19: Installing Exhaust Pipe Using New Gaskets And New Self Locking Nuts With Torque Specifications
    G04244559Courtesy of AMERICAN HONDA MOTOR CO., INC.
  32. Install the front subframe stiffener.
    Fig 20: Installing Front Subframe Stiffener With Torque Specifications
    G04244560Courtesy of AMERICAN HONDA MOTOR CO., INC.
  33. Install the splash shield.
    Fig 21: Installing Splash Shield
    G04244562Courtesy of AMERICAN HONDA MOTOR CO., INC.
  34. Install the front wheels
  35. Lower the vehicle on the lift.
  36. Install the radiator (see RADIATOR AND FAN REPLACEMENT ).
  37. Install the automatic transmission fluid (ATF) cooler hoses to the transmission, and secure the hoses with the clamps.
    NOTE: Check the installation location of the clamps (see step 2 in ATF COOLER HOSE REPLACEMENT ).
    Fig 22: Installing Automatic Transmission Fluid Cooler Hoses To Transmission
    G04244561Courtesy of AMERICAN HONDA MOTOR CO., INC.
  38. Install the drive belt (see DRIVE BELT REPLACEMENT ).
  39. Install the ground cable.
    Fig 23: Installing Ground Cable With Torque Specifications
    G04244563Courtesy of AMERICAN HONDA MOTOR CO., INC.
  40. Install the upper radiator hose (A) and lower radiator hose (B).
    Fig 24: Installing Upper Radiator Hose & Lower Radiator Hose
    G04244564Courtesy of AMERICAN HONDA MOTOR CO., INC.
  41. Install the heater hoses.
    Fig 25: Installing Heater Hoses
    G04244565Courtesy of AMERICAN HONDA MOTOR CO., INC.
  42. Install the P/S pump outlet hose (A) with a new O-ring (B) to the pump (C).
    Fig 26: Installing P/S Pump Outlet Hose With New O-Ring To Pump With Torque Specifications
    G04244566Courtesy of AMERICAN HONDA MOTOR CO., INC.
  43. Secure the P/S hose clamp (D).
  44. Install the alternator cable (A), then install the harness clamps (B).
    Fig 27: Installing Alternator Cable And Harness Clamps With Torque Specifications
    G04244567Courtesy of AMERICAN HONDA MOTOR CO., INC.
  45. Connect the powertrain control module (PCM) connectors (A), accelerator pedal position (APP) sensor connector (B), and engine wire harness connectors (C) on the right side of the engine compartment, then install the harness clamps (D).
    Fig 28: Connecting PCM Connectors, Accelerator Pedal Position Sensor Connector & Engine Wire Harness Connectors
    G04244568Courtesy of AMERICAN HONDA MOTOR CO., INC.
  46. Install the PCM cover (A), then install the bolt (B) securing the washer tank.
    Fig 29: Installing PCM Cover With Bolt With Torque Specifications
    G04244569Courtesy of AMERICAN HONDA MOTOR CO., INC.
  47. Install the coolant reservoir.
  48. Align the reference marks (A) on the steering joint and steering gearbox pinion shaft. Connect the steering joint (B) to the steering gearbox pinion shaft (C). Tighten the steering joint bolt.
    Fig 30: Aligning Reference Marks On Steering Joint And Steering Gearbox Pinion Shaft With Torque Specifications
    G04244570Courtesy of AMERICAN HONDA MOTOR CO., INC.
  49. Install the steering joint cover (D).
  50. Install the steering wheel (see STEERING WHEEL INSTALLATION ).
  51. Install the carpet (see CARPET REPLACEMENT ) and driver's side console lower panel.
  52. Install the connector bracket on the engine front cylinder head.
    Fig 31: Installing Connector Bracket On Engine Front Cylinder Head With Torque Specifications
    G04244571Courtesy of AMERICAN HONDA MOTOR CO., INC.
  53. Install the harness clamp brackets on the engine rear cylinder head.
    Fig 32: Installing Harness Clamp Brackets On Engine Rear Cylinder Head With Torque Specifications
    G04244572Courtesy of AMERICAN HONDA MOTOR CO., INC.
  54. Install the brake booster vacuum hose (A), evaporative emission (EVAP) canister hose (B), and hose joint (C).
    Fig 33: Installing Brake Booster Vacuum Hose & Evaporative Emission Canister Hose
    G04244573Courtesy of AMERICAN HONDA MOTOR CO., INC.
  55. Connect the fuel feed hose (see FUEL LINE/QUICK-CONNECT FITTING INSTALLATION ), then install the fuel quick-connect fitting cover (A).
    Fig 34: Installing Fuel Quick-Connect Fitting Cover
    G04244574Courtesy of AMERICAN HONDA MOTOR CO., INC.
  56. Install the shift cable (see step 11 in SHIFT CABLE REPLACEMENT ).
  57. Install the starter cable (A), harness clamp (B), and ground cable (C).
    Fig 35: Installing Starter Cable, Harness Clamp And Ground Cable With Torque Specifications
    G04244575Courtesy of AMERICAN HONDA MOTOR CO., INC.
  58. Install the battery base (A), then install the harness bracket (B).
    Fig 36: Installing Battery Base And Harness Bracket With Torque Specifications
    G04244576Courtesy of AMERICAN HONDA MOTOR CO., INC.
  59. Install the battery tray (C), then install the harness clamps (D).
  60. Install the air intake duct (A), then install the breather pipe (B).
    Fig 37: Installing Air Intake Duct & Breather Pipe
    G04244577Courtesy of AMERICAN HONDA MOTOR CO., INC.
  61. Install the intake manifold cover.
    Fig 38: Installing Intake Manifold Cover
    G04244578Courtesy of AMERICAN HONDA MOTOR CO., INC.
  62. Install the battery. Clean the battery posts and cable terminals with sandpaper, then assemble them and apply grease to prevent corrosion.
  63. Inspect for fuel leaks. Turn the ignition switch ON (II) (do not operate the starter) so the fuel pump runs for about 2 seconds and pressurizes the fuel line. Repeat this operation two or three times, then check for fuel leakage at any point in the fuel line.
  64. Move the shift lever to each gear, and verify that the A/T gear position indicator follows the transmission range switch.
  65. Refill the engine with new engine oil (see ENGINE OIL REPLACEMENT ).
  66. Refill the transmission with ATF (see ATF REPLACEMENT ).
  67. Refill the radiator with engine coolant, and bleed air from the cooling system with the heater valve open (see COOLANT REPLACEMENT ).
  68. Refill the power steering system fluid (see FLUID REPLACEMENT ).
  69. Do the PCM reset procedure (see PCM RESET ).
  70. Do the crankshaft position (CKP) pattern clear/CKP pattern learn procedure (see CRANK (CKP) PATTERN CLEAR/CRANK (CKP) PATTERN LEARN ).
  71. Do the PCM idle learn procedure (see PCM IDLE LEARN PROCEDURE ) and power window control unit reset procedure (see RESETTING THE POWER WINDOW CONTROL UNIT ).
  72. Inspect the idle speed (see IDLE SPEED INSPECTION ).
  73. Inspect the ignition timing (see IGNITION TIMING INSPECTION ).
  74. Check the wheel alignment (see WHEEL ALIGNMENT ).
  75. Enter the anti-theft codes for the radio and the navigation system, then enter the customer's audio presets.
  76. Set the clock.