LEMON Manuals: Even more car manuals for everyone: 1960-2025
Home >> Honda >> 2007 >> Ridgeline RT >> Repair and Diagnosis >> External Pages >> Different car >> Section 30 (Engine Block) >> Component Location Index
April 5, 2026: LEMON Manuals is launched! Read the announcement.

Component Location Index

WARNING: This page is about a different car, the 2008 Honda Pilot, 2007 Honda Pilot, and 2006 Honda Pilot. However, it is still accessible from the selected car via links, so may be relevant.
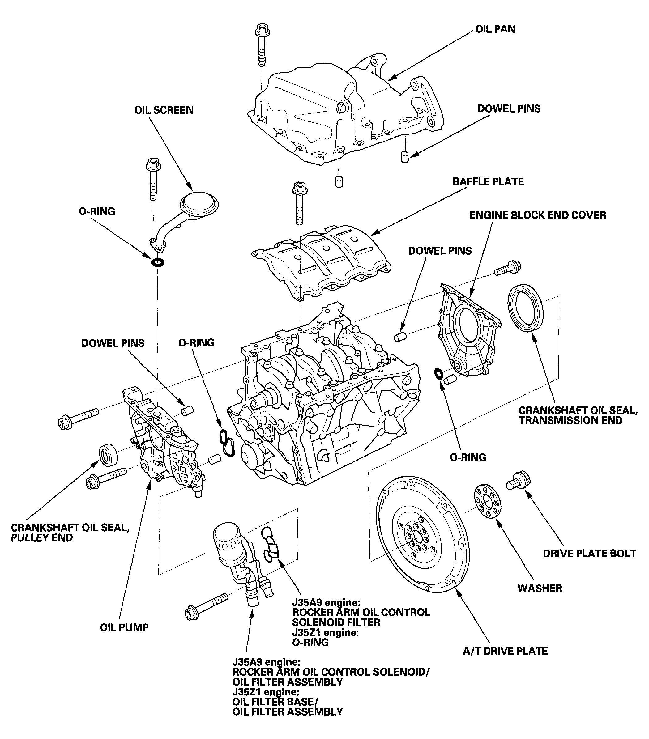
Fig 1: Identifying Location Of Engine Block Components (1 Of 3)
G04244902Courtesy of AMERICAN HONDA MOTOR CO., INC.
Fig 2: Identifying Location Of Engine Block Components (2 Of 3)
G04244903Courtesy of AMERICAN HONDA MOTOR CO., INC.
Fig 3: Identifying Location Of Engine Block Components (3 Of 3)
G04244904Courtesy of AMERICAN HONDA MOTOR CO., INC.