LEMON Manuals: Even more car manuals for everyone: 1960-2025
Home >> Honda >> 2007 >> Ridgeline RT >> Repair and Diagnosis >> External Pages >> Different car >> Section 60 (Multiplex Integrated Control System) >> Circuit Diagram
April 5, 2026: LEMON Manuals is launched! Read the announcement.

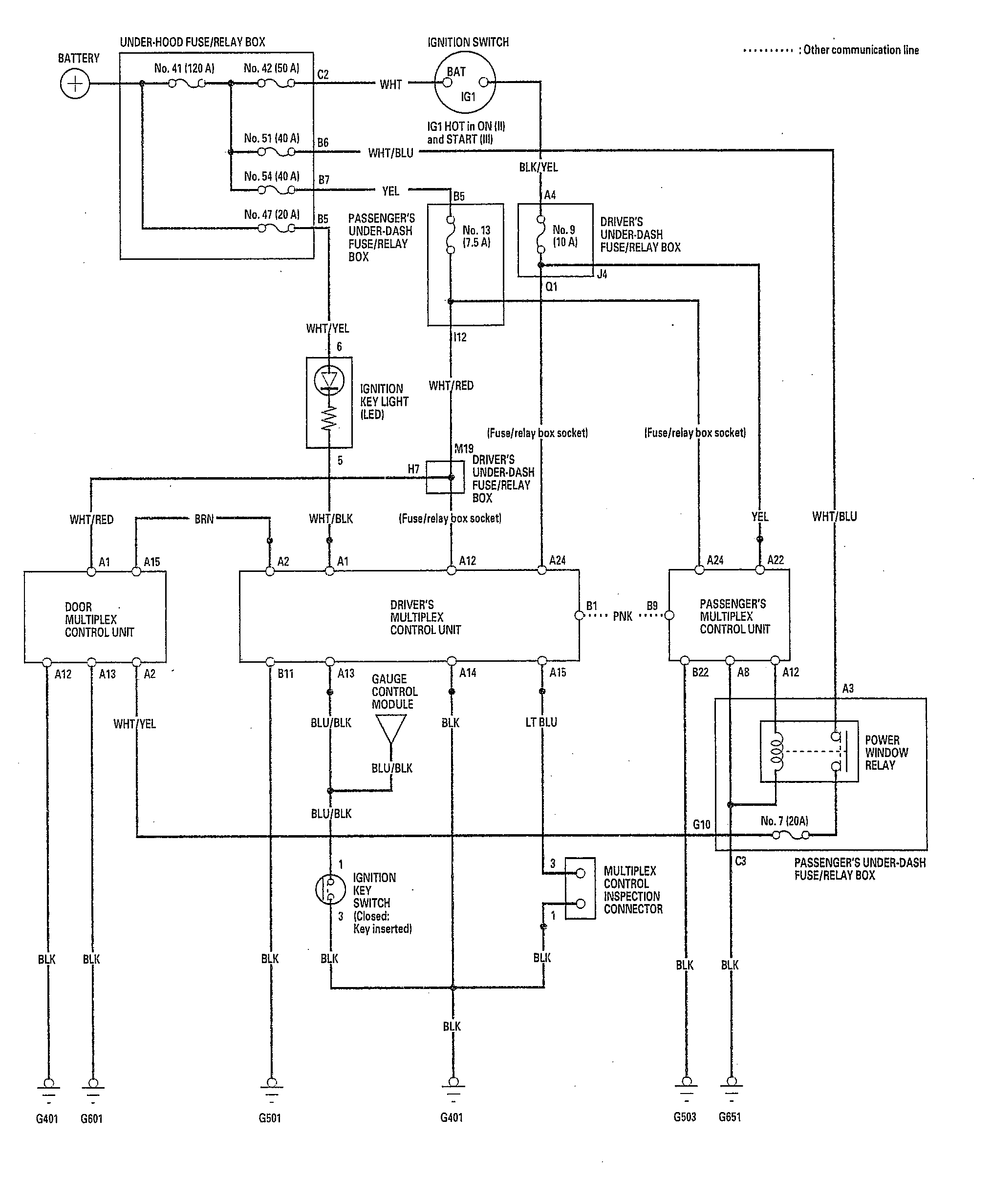
Circuit Diagram

WARNING: This page is about a different car, the 2008 Honda Pilot, 2007 Honda Pilot, and 2006 Honda Pilot. However, it is still accessible from the selected car via links, so may be relevant.
Fig 1: Multiplex Control System - Circuit Diagram
G04247305Courtesy of AMERICAN HONDA MOTOR CO., INC.