LEMON Manuals: Even more car manuals for everyone: 1960-2025
Home >> Honda >> 2007 >> Ridgeline RTL >> Repair and Diagnosis >> Engine Performance >> System >> Advanced Diagnostics >> DTC P0507: Idle Control System RPM Higher Than Expected >> Notes
April 5, 2026: LEMON Manuals is launched! Read the announcement.

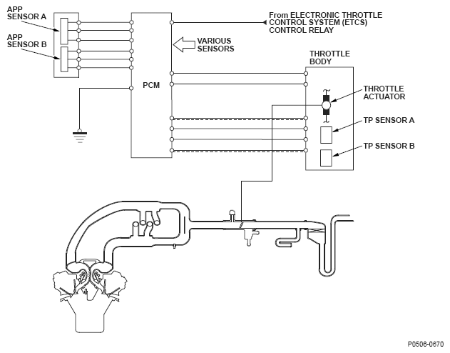
DTC P0507: Idle Control System RPM Higher Than Expected: Notes

Fig 1: Idle Control System Diagram
G04838446
Fig 2: Idle Control System RPM - Graph
G04838447