LEMON Manuals: Even more car manuals for everyone: 1960-2025
Home >> Honda >> 2007 >> S2000 L4-2.2L >> Repair and Diagnosis >> Diagrams >> Electrical Diagrams >> Powertrain Management >> System Diagram >> Control Module Circuit Diagrams >> ECM Circuit Diagrams
April 5, 2026: LEMON Manuals is launched! Read the announcement.

ECM Circuit Diagrams

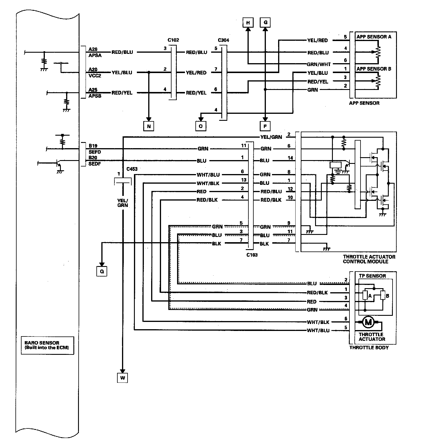
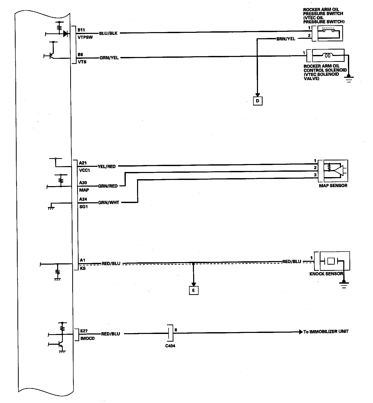
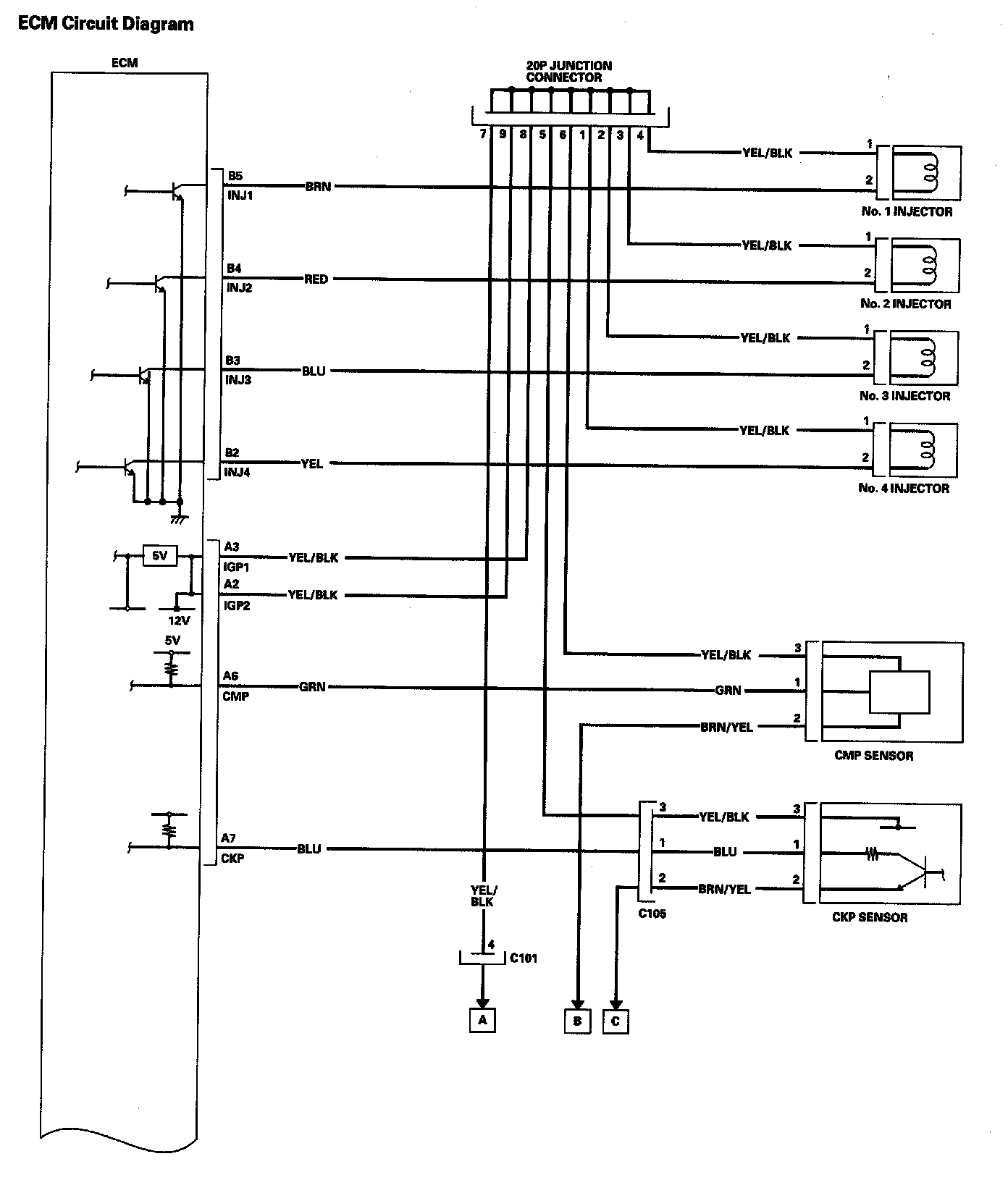
ECM Circuit Diagram Part 1:



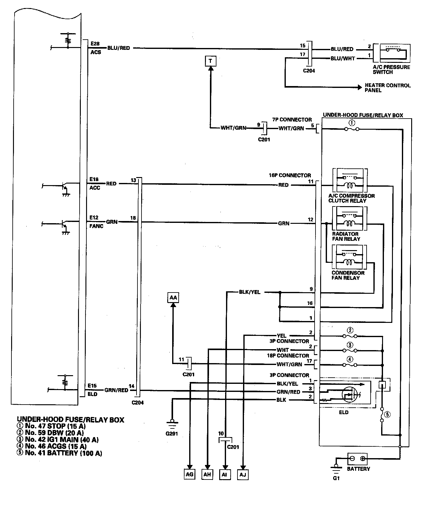
ECM Circuit Diagram Part 2:



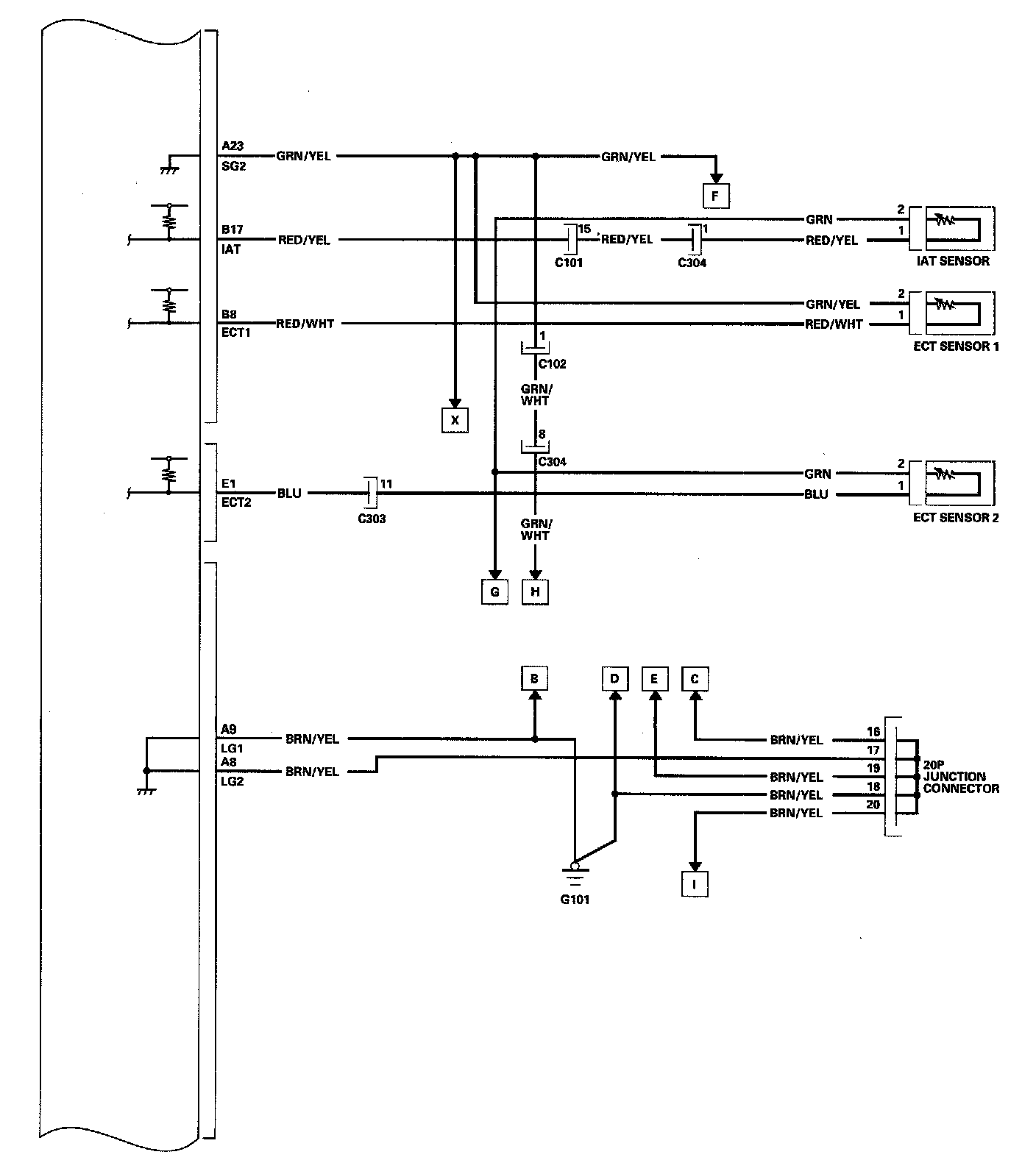
ECM Circuit Diagram Part 3:



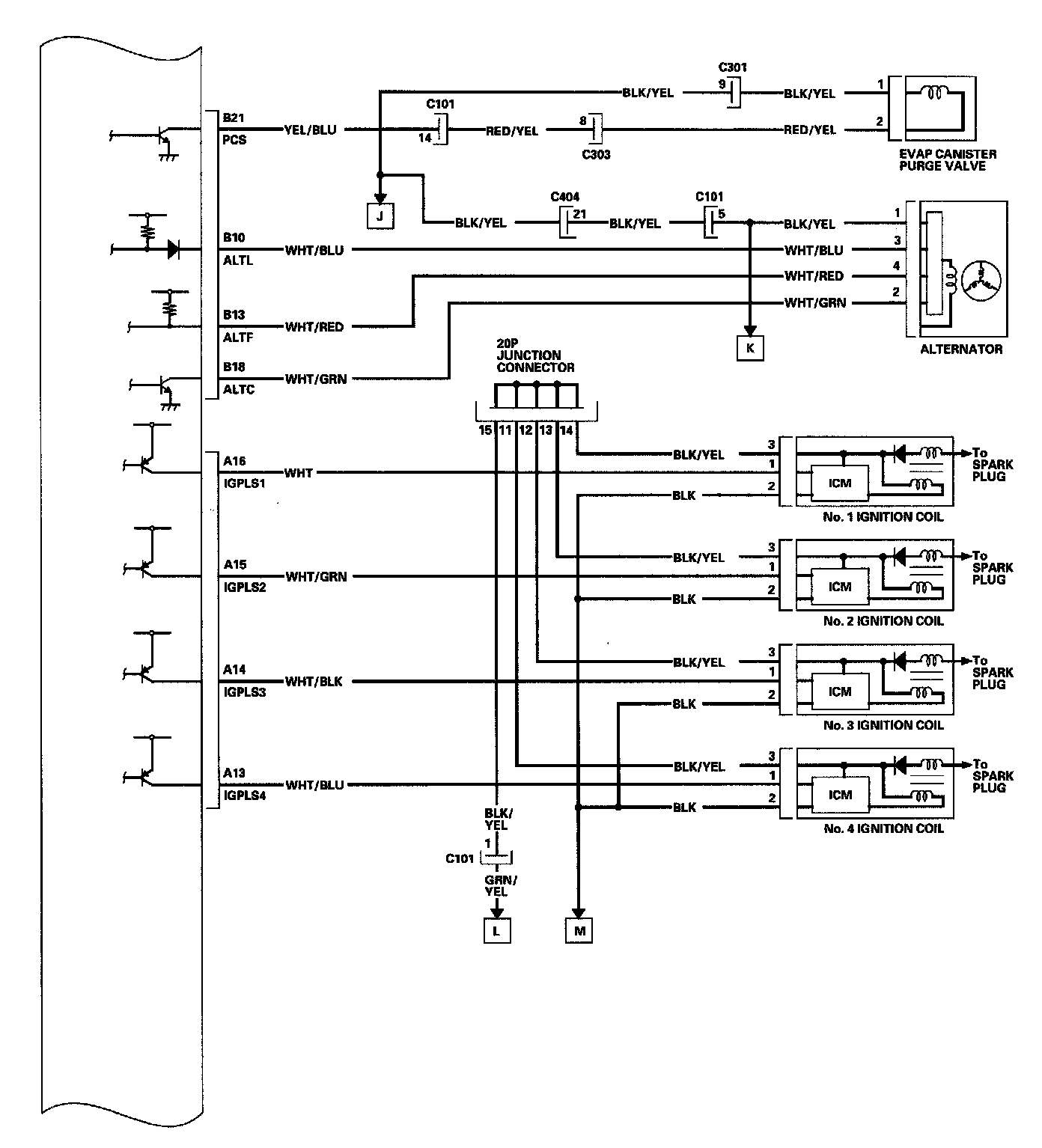
ECM Circuit Diagram Part 4:



ECM Circuit Diagram Part 5:



ECM Circuit Diagram Part 6:



ECM Circuit Diagram Part 7:



ECM Circuit Diagram Part 8:



ECM Circuit Diagram Part 9:



ECM Circuit Diagram Part 10: