LEMON Manuals: Even more car manuals for everyone: 1960-2025
Home >> Honda >> 2007 >> S2000 L4-2.2L >> Repair and Diagnosis >> Specifications >> Mechanical Specifications >> Engine >> System Specifications >> Tightening Torque >> Oil Pump
April 5, 2026: LEMON Manuals is launched! Read the announcement.

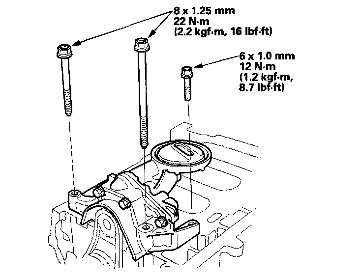
Oil Pump