LEMON Manuals: Even more car manuals for everyone: 1960-2025
Home >> Honda >> 2008 >> Accord L4-2.4L >> Repair and Diagnosis >> Diagrams >> Electrical Diagrams >> Powertrain Management >> System Diagram >> Control Module Circuit Diagrams >> ECM/PCM Circuit Diagrams
April 5, 2026: LEMON Manuals is launched! Read the announcement.

ECM/PCM Circuit Diagrams

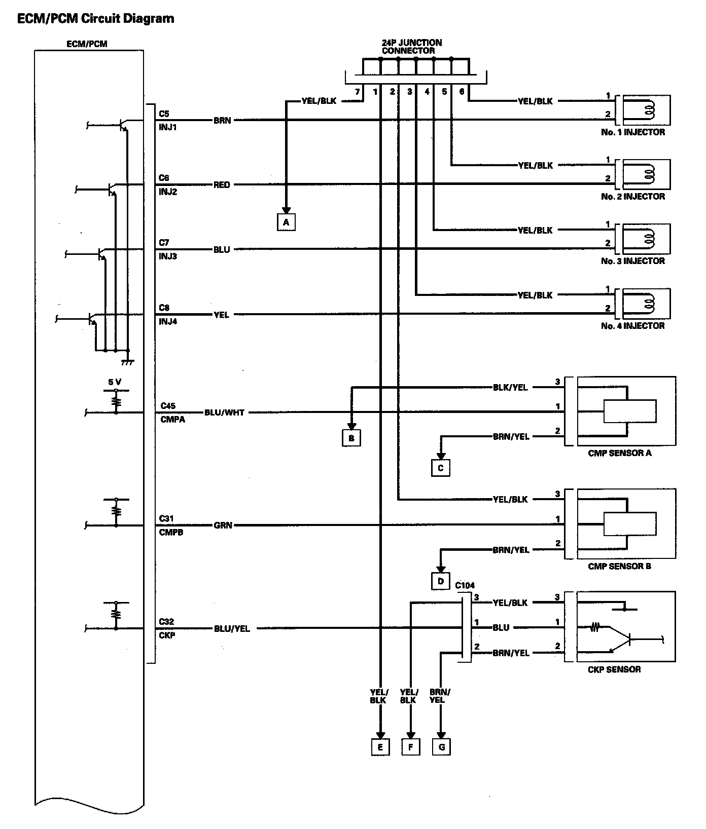
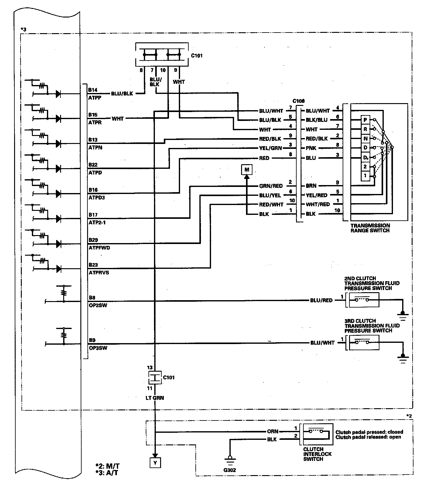
ECM/PCM Circuit Diagram (Part 1):



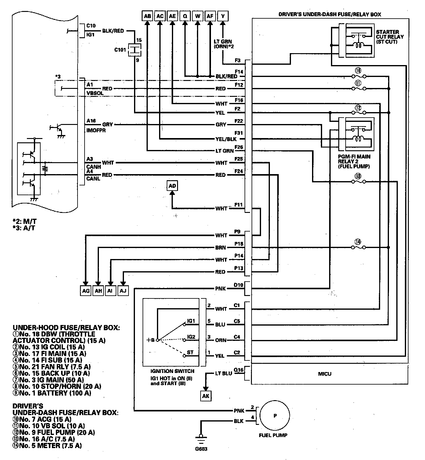
ECM/PCM Circuit Diagram (Part 2):



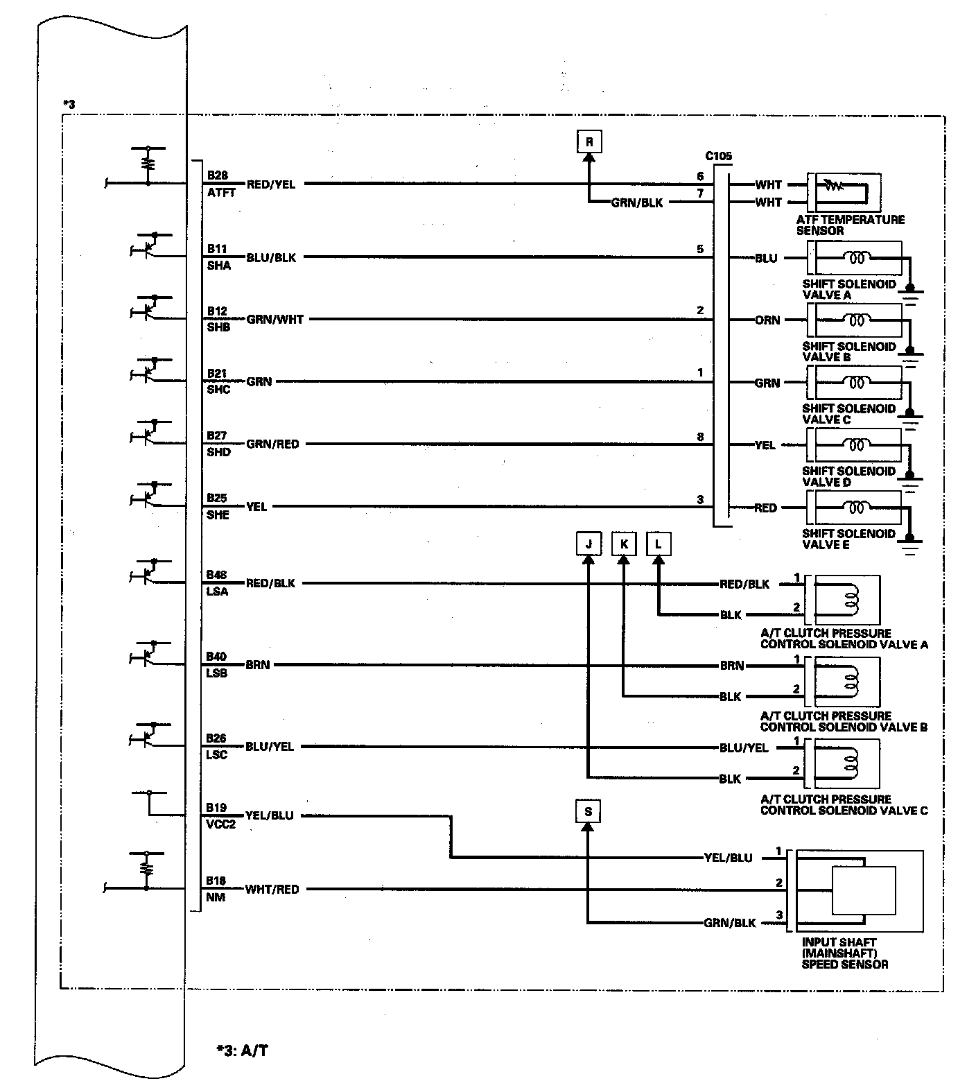
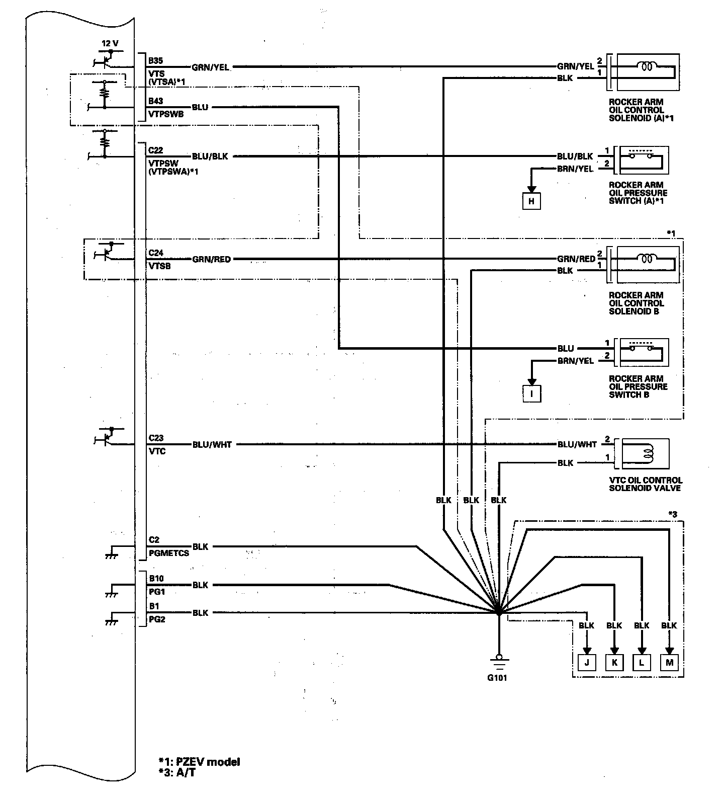
ECM/PCM Circuit Diagram (Part 3):



ECM/PCM Circuit Diagram (Part 4):



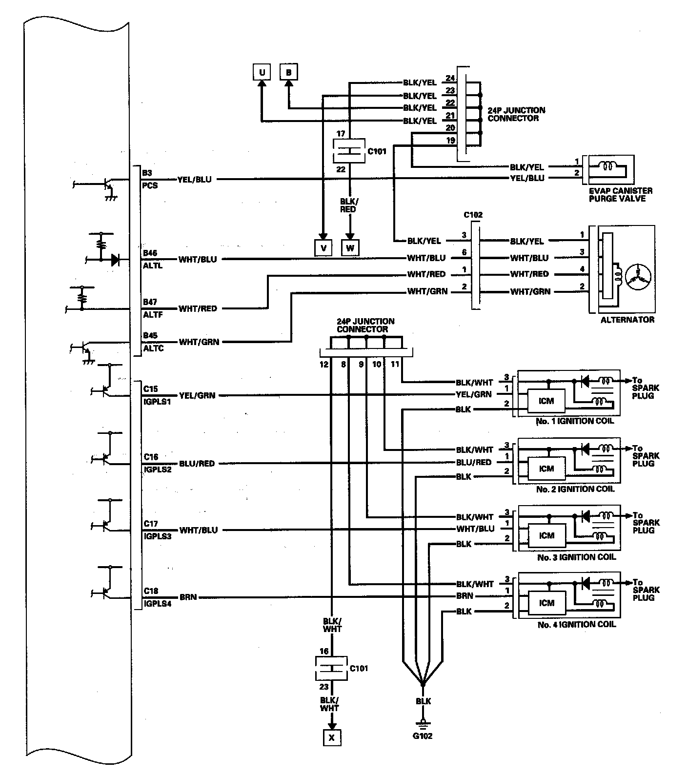
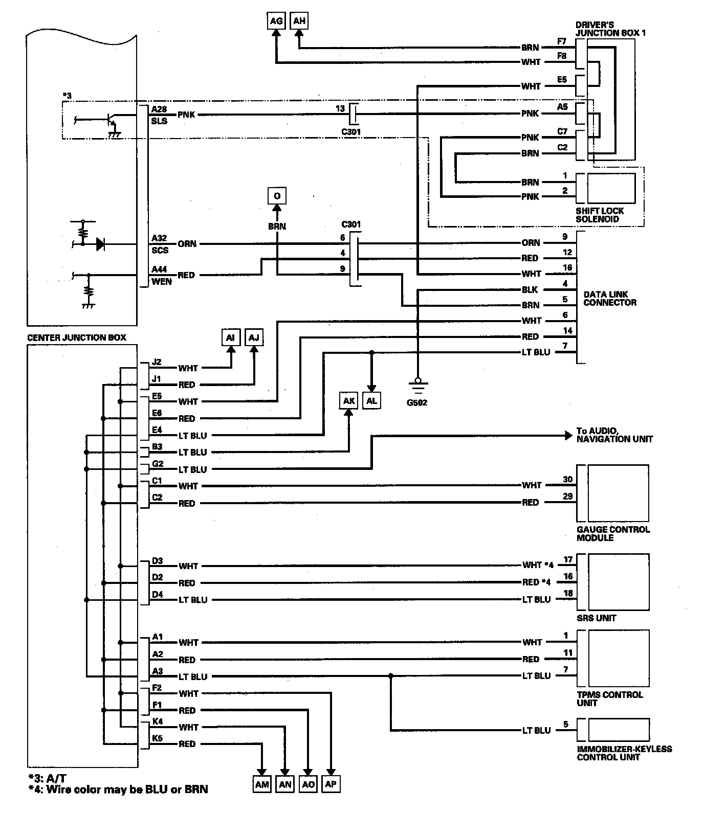
ECM/PCM Circuit Diagram (Part 5):



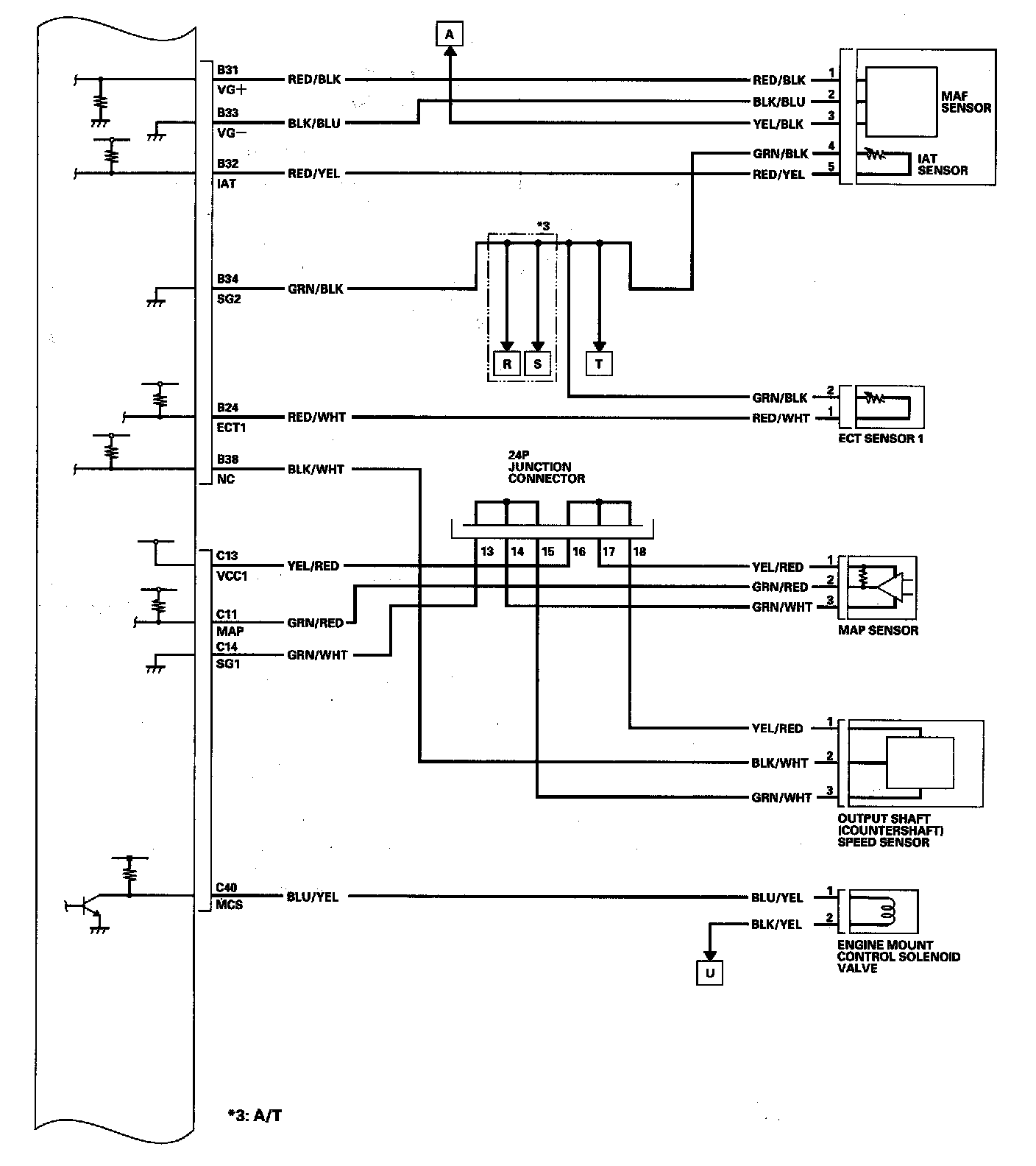
ECM/PCM Circuit Diagram (Part 6):



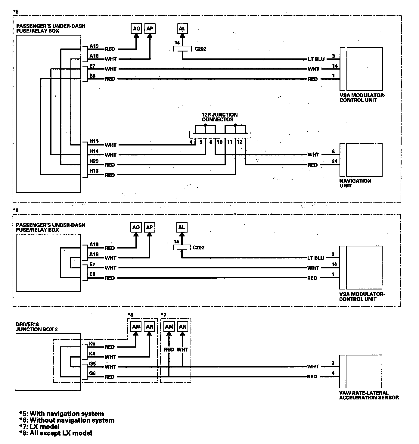
ECM/PCM Circuit Diagram (Part 7):



ECM/PCM Circuit Diagram (Part 8):



ECM/PCM Circuit Diagram (Part 9):



ECM/PCM Circuit Diagram (Part 10):



ECM/PCM Circuit Diagram (Part 11):



ECM/PCM Circuit Diagram (Part 12):



ECM/PCM Circuit Diagram (Part 13):