LEMON Manuals: Even more car manuals for everyone: 1960-2025
Home >> Honda >> 2008 >> Accord L4-2.4L >> Repair and Diagnosis >> Diagrams >> Electrical Diagrams >> Powertrain Management >> System Diagram >> Control Module Circuit Diagrams >> ECM/PCM Electrical Connections
April 5, 2026: LEMON Manuals is launched! Read the announcement.

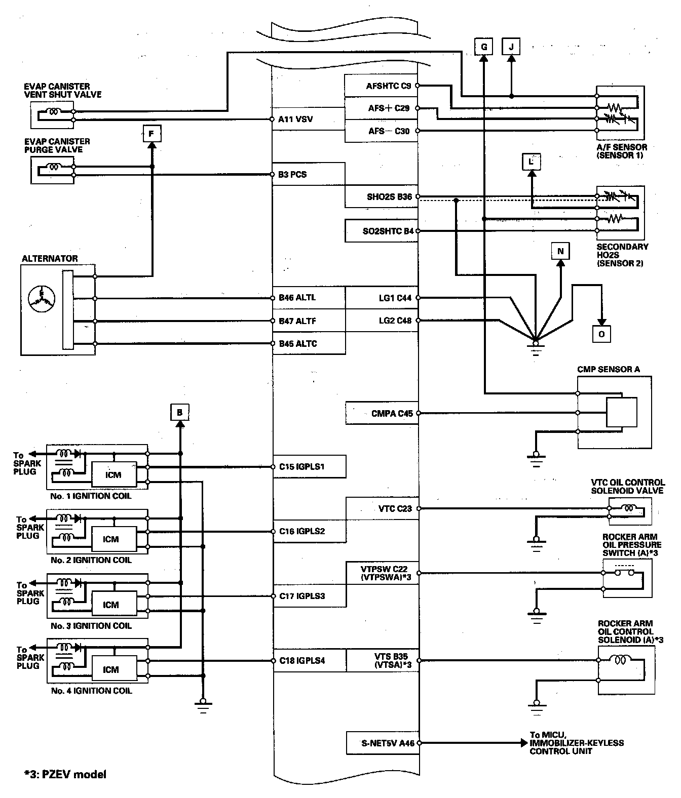
ECM/PCM Electrical Connections

ECM/PCM Electrical Connections (Part 1):



ECM/PCM Electrical Connections (Part 2):



ECM/PCM Electrical Connections (Part 3):



ECM/PCM Electrical Connections (Part 4):



ECM/PCM Electrical Connections (Part 5):



ECM/PCM Electrical Connections (Part 6):