LEMON Manuals: Even more car manuals for everyone: 1960-2025
Home >> Honda >> 2008 >> Accord L4-2.4L >> Repair and Diagnosis >> Relays and Modules >> Relays and Modules - Brakes and Traction Control >> Electronic Brake Control Module >> Service and Repair
April 5, 2026: LEMON Manuals is launched! Read the announcement.

Electronic Brake Control Module: Service and Repair

VSA Modulator-Control Unit Removal and Installation

NOTE:
^ Do not spill brake fluid on the vehicle; it may damage the paint; if brake fluid gets on the paint, wash it off immediately with water.
^ Be careful not to damage or deform the brake lines during removal and installation.
^ To prevent the brake fluid from dripping, plug and cover the hose ends and joints with a shop towel.

Removal

1. Turn the ignition switch to LOCK (0).
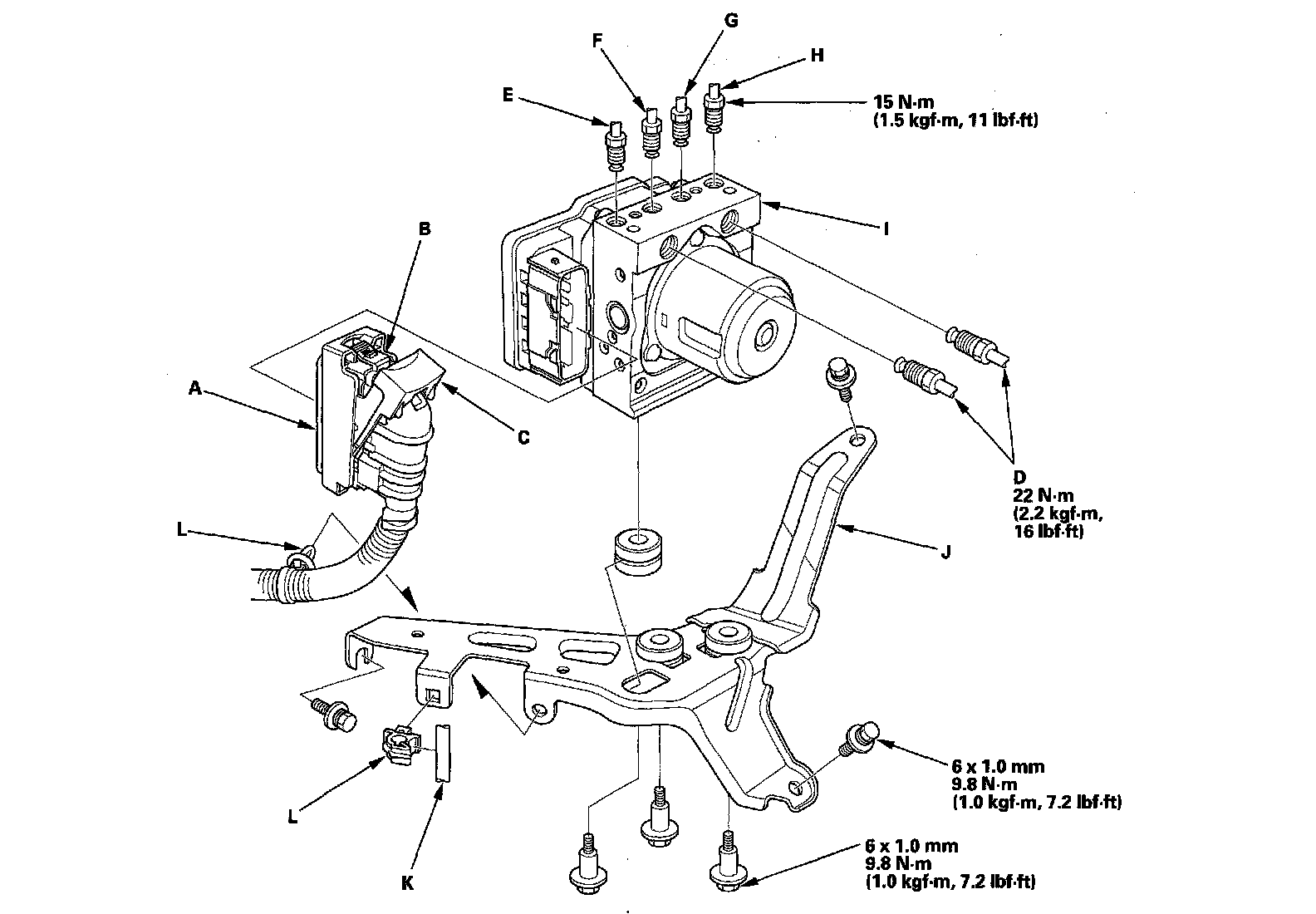
2. Remove the suction line mount bolt (A) from the bracket.





3. Disconnect the VSA modulator-control unit 36P connector (A) by pushing the lock (B) and pulling down the lever (C); the connector disconnects itself.





4. Disconnect the six brake lines from the VSA modulator-control unit.

NOTE: Brake lines are connected to the master cylinder (D) and to the left-rear (E), the right-front (F), the left-front (G), and the right rear (H) brake systems.

5. Remove the VSA modulator-control unit (I) with the bracket (J) from the body.
6. Remove the receiver line (K) from the bracket, then remove the clips (L).
7. Remove the VSA modulator-control unit from the bracket.

Installation

1. Install the VSA modulator-control unit onto the bracket.
2. Install the clips to the bracket, then install the receiver line.
3. Install the bracket with the VSA modulator-control unit to the body.
4. Reconnect the six brake lines, then tighten the flare nuts to the specified torque.
5. Align the connecting surface of the VSA modulator-control unit 36P connector to the VSA modulator-control unit.
6. Pull up the lever of the VSA modulator-control unit 36P connector, then confirm the connector is fully seated.
7. Install the suction line mount bolt to the bracket.
8. Bleed the brake system.
9. Do the VSA sensor neutral position memorization procedure.
10. Start the engine, and check that the ABS and the VSA indicators go off.
11. Test-drive the vehicle, and make sure the ABS and the VSA indicators do not come on.

NOTE: If the brake pedal is spongy, there may be air trapped in the modulator which could then be induced into the normal brake system during modulation. Bleed the brake system again.