LEMON Manuals: Even more car manuals for everyone: 1960-2025
Home >> Honda >> 2008 >> CR-V 2WD L4-2.4L >> Repair and Diagnosis >> Diagrams >> Electrical Diagrams >> Powertrain Management >> System Diagram >> Control Module Circuit Diagrams >> PCM Circuit Diagrams
April 5, 2026: LEMON Manuals is launched! Read the announcement.

PCM Circuit Diagrams

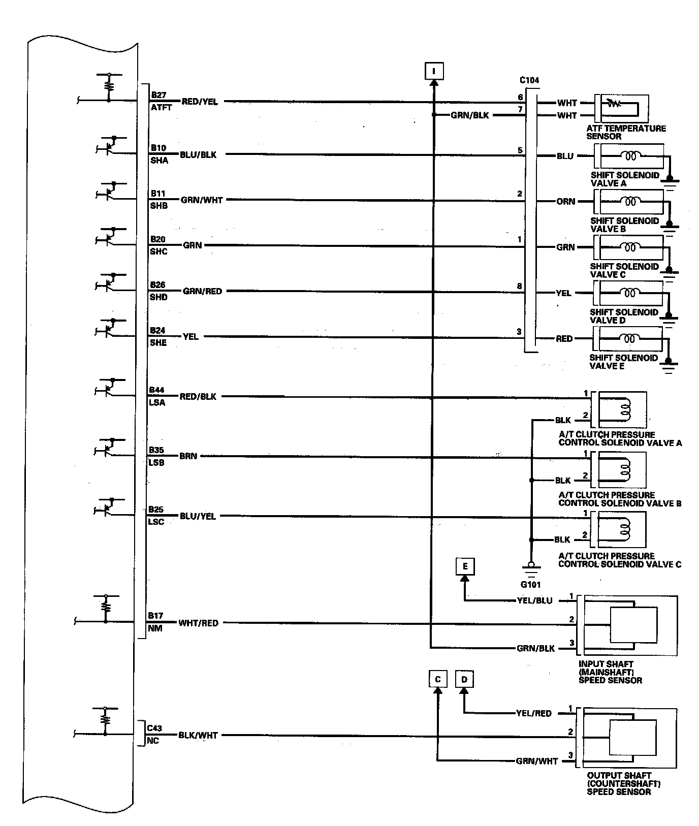
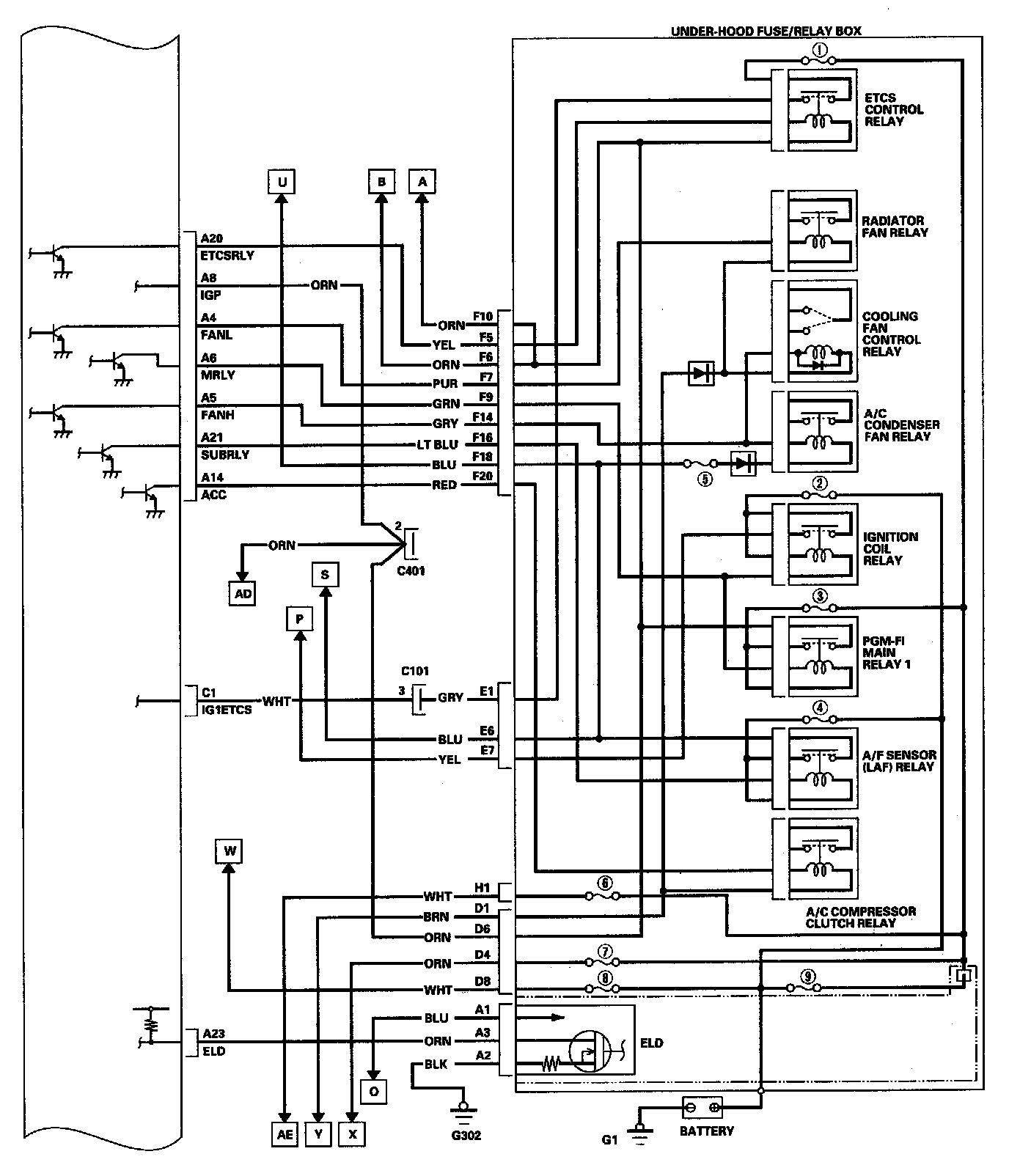
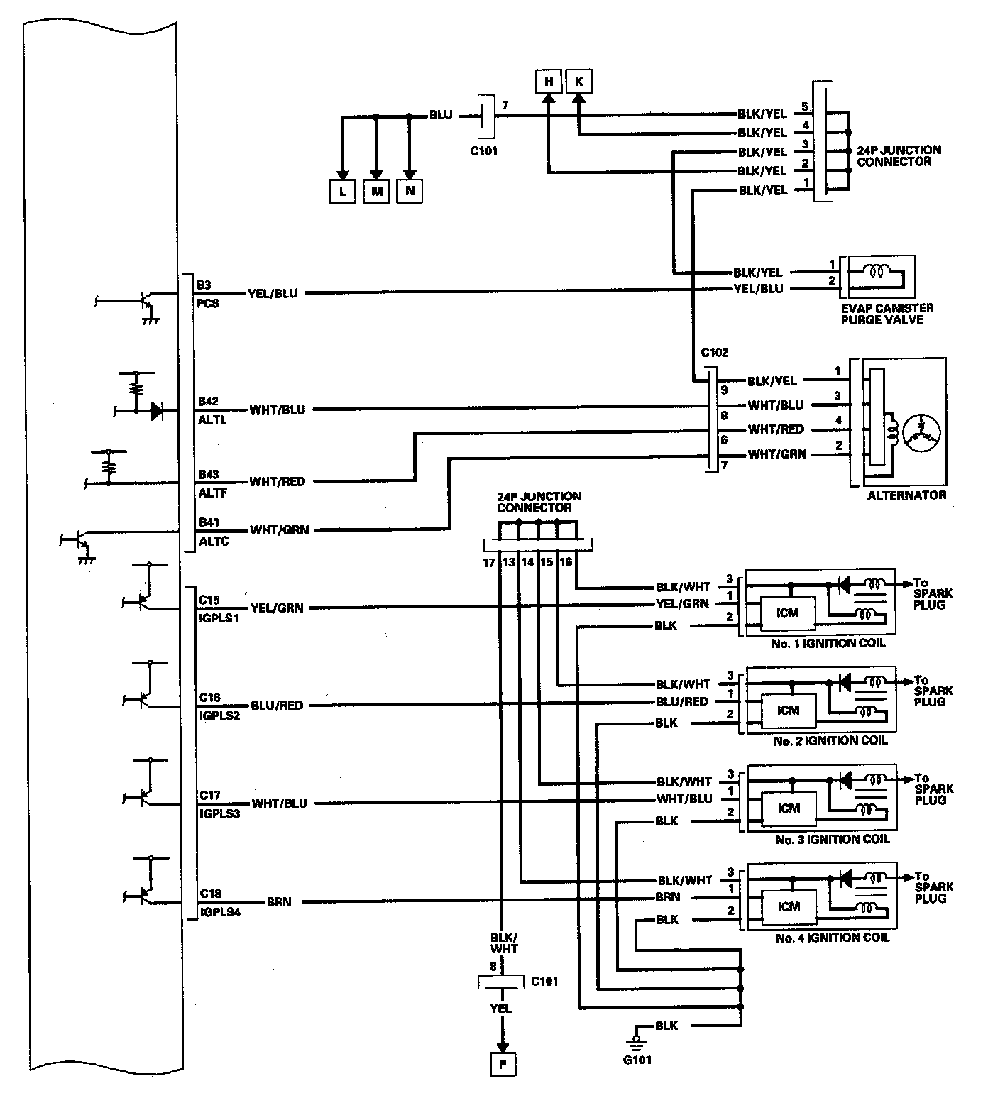
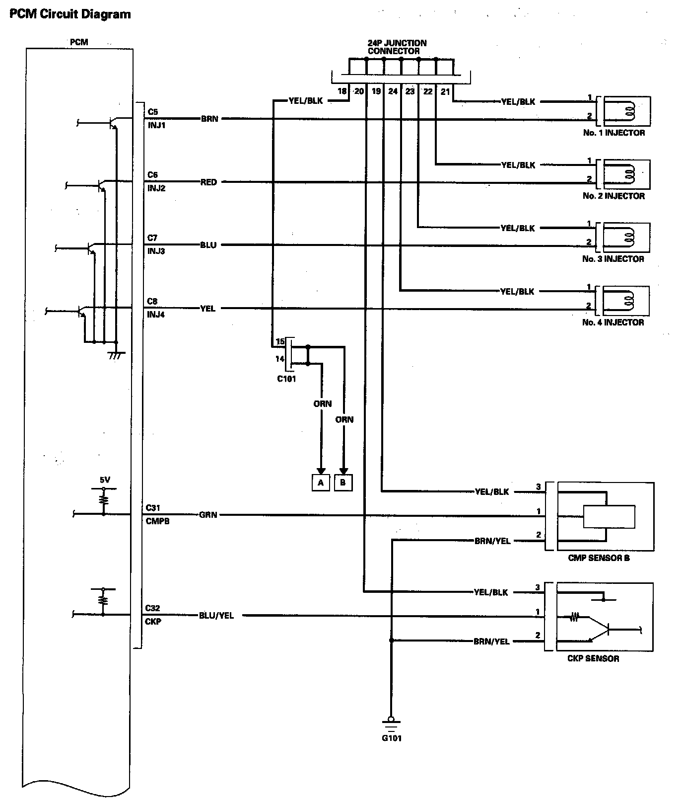
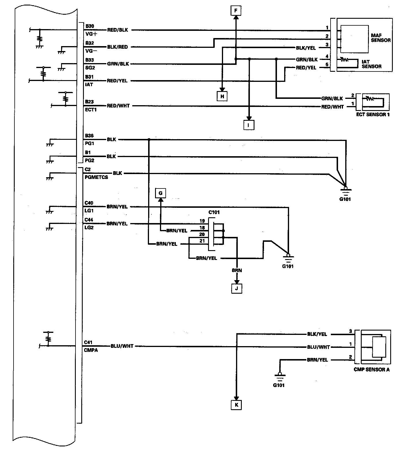
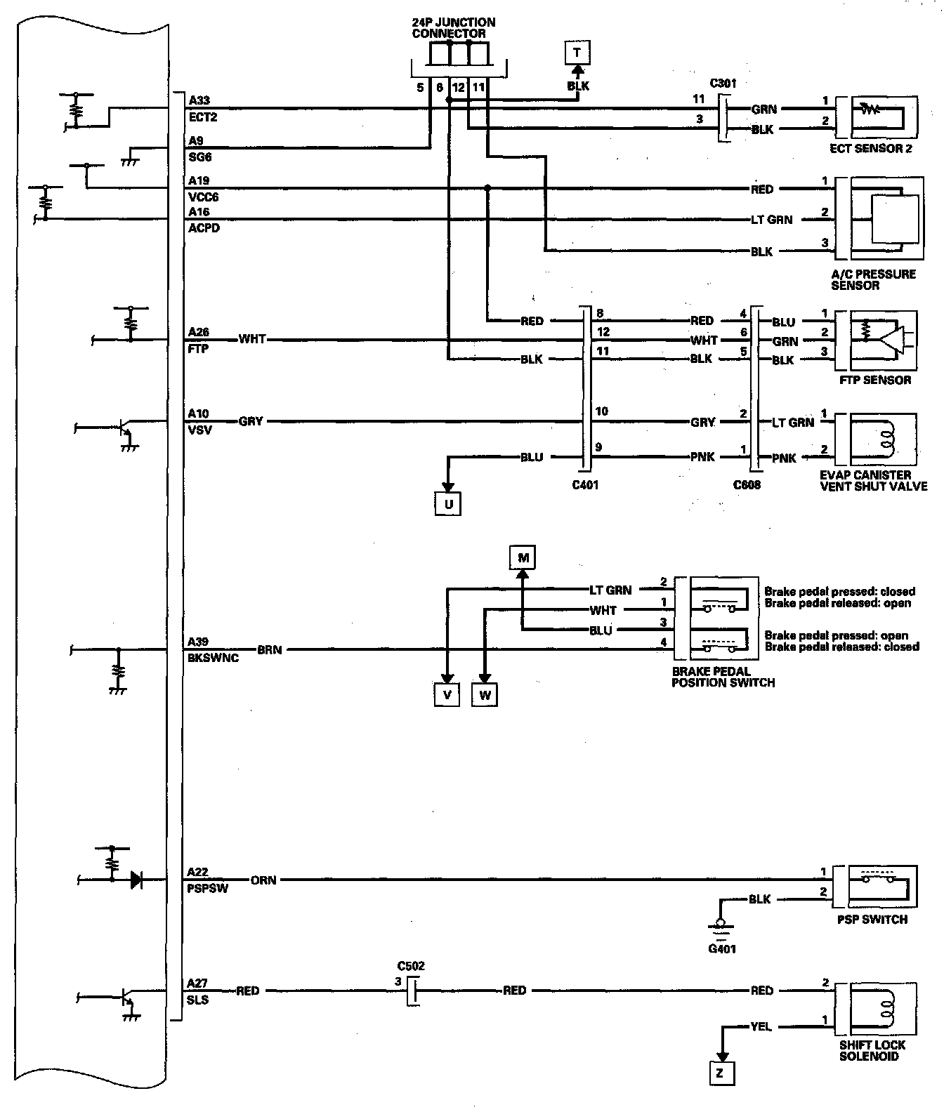
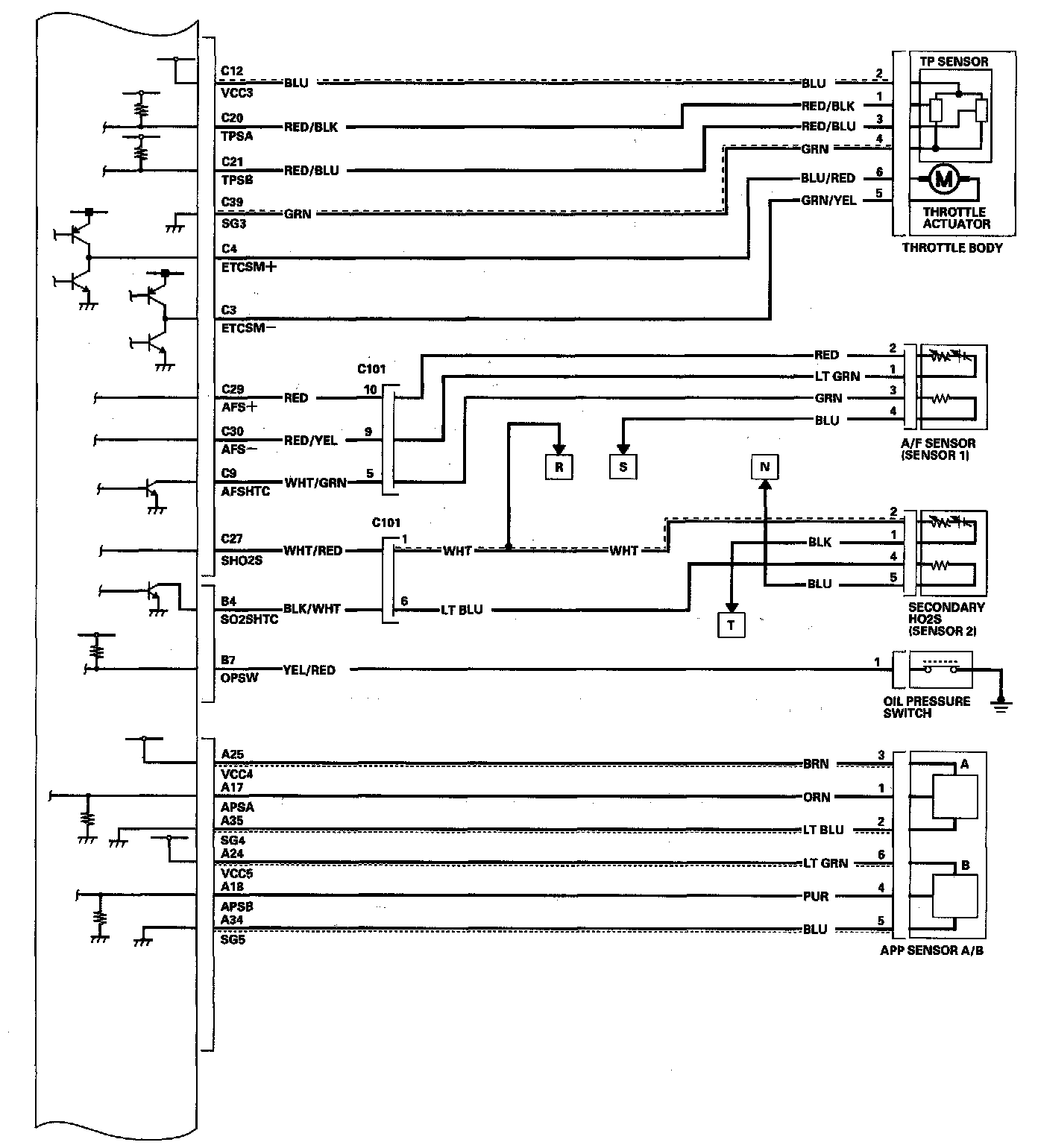
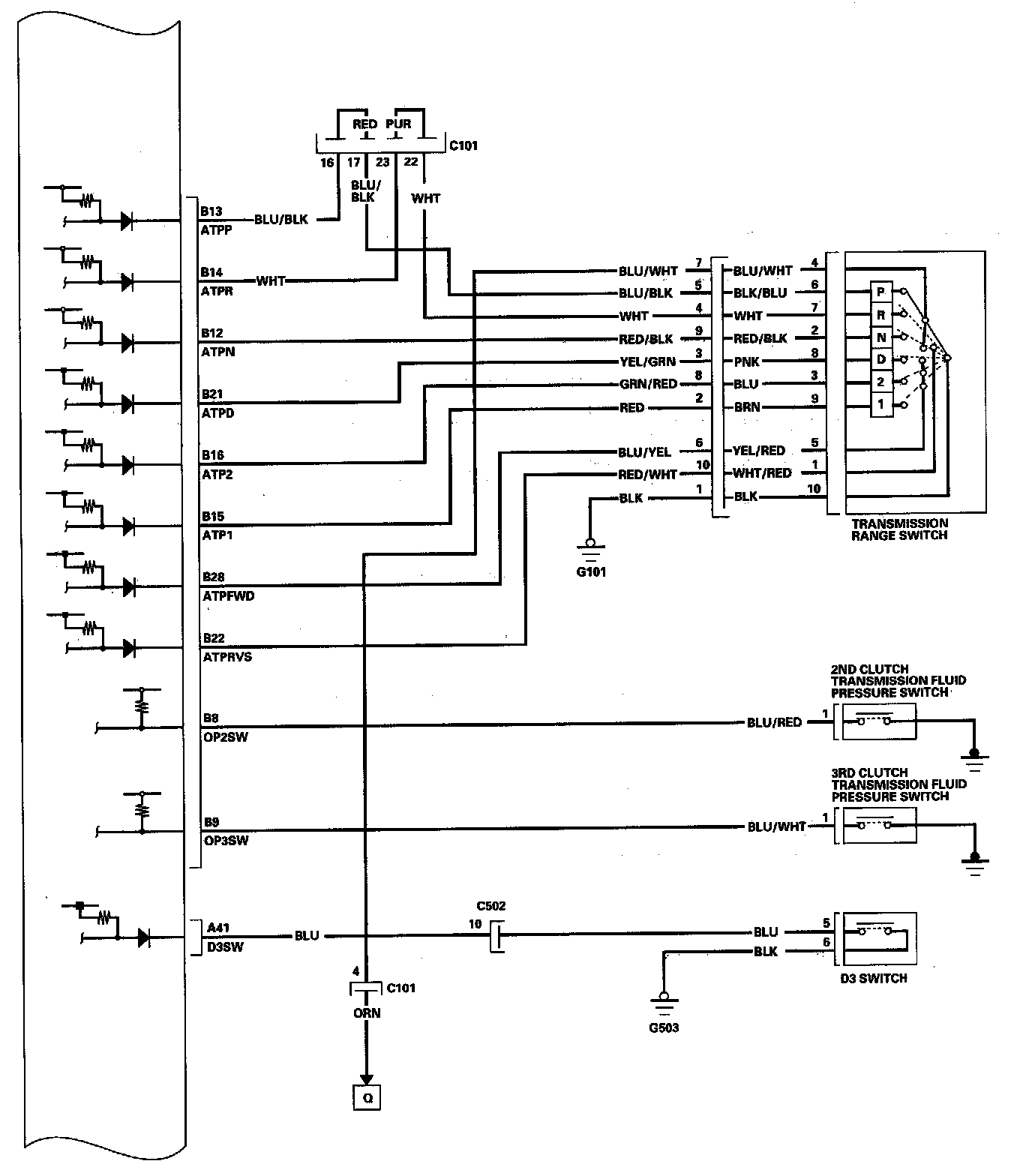
PCM Circuit Diagram (Part 1):



PCM Circuit Diagram (Part 2):



PCM Circuit Diagram (Part 3):



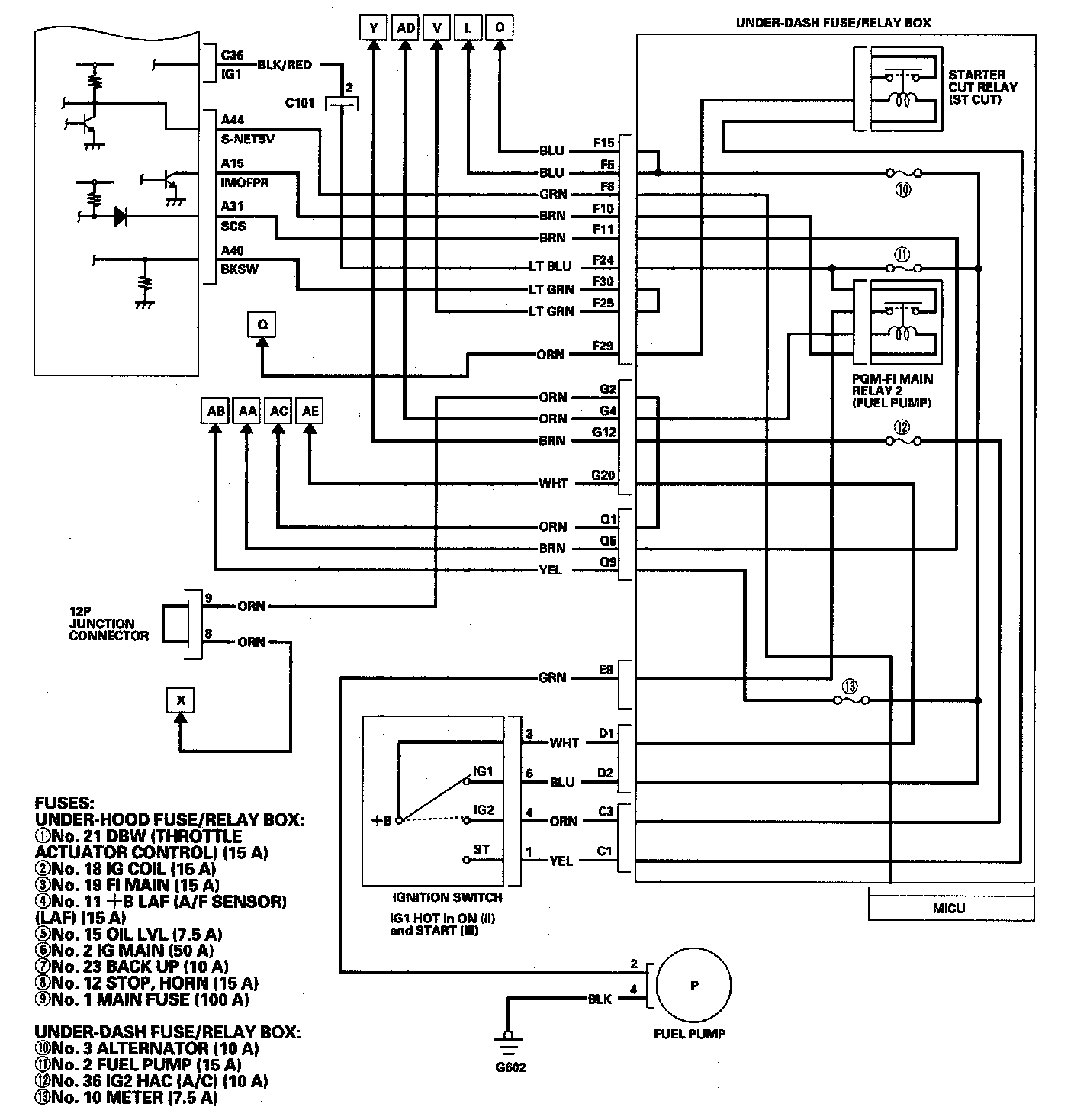
PCM Circuit Diagram (Part 4):



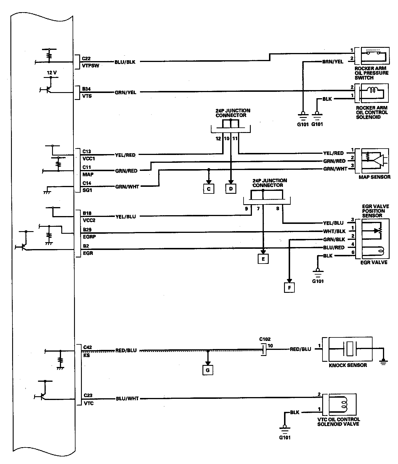
PCM Circuit Diagram (Part 5):



PCM Circuit Diagram (Part 6):



PCM Circuit Diagram (Part 7):



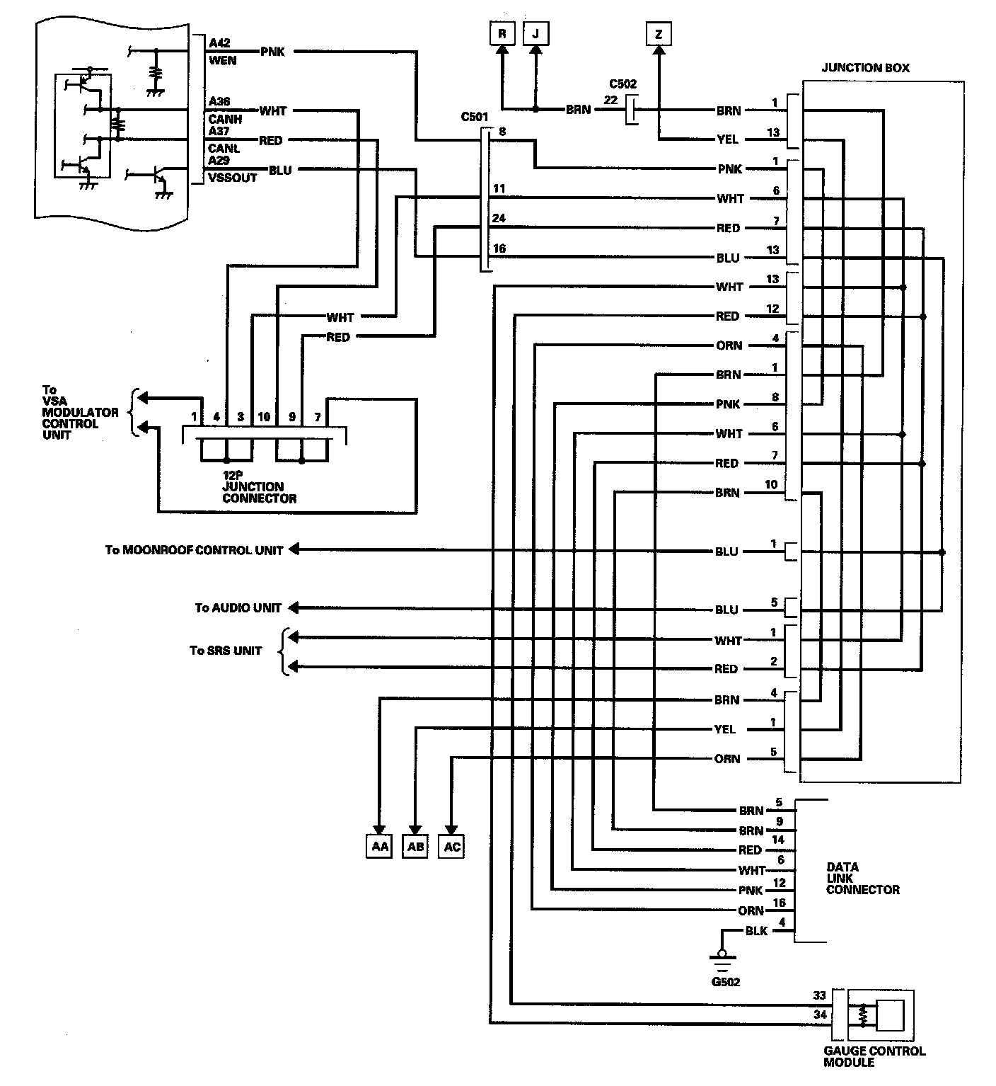
PCM Circuit Diagram (Part 8):



PCM Circuit Diagram (Part 9):



PCM Circuit Diagram (Part 10):



PCM Circuit Diagram (Part 11):