LEMON Manuals: Even more car manuals for everyone: 1960-2025
Home >> Honda >> 2008 >> Civic L4-1.8L CNG >> Repair and Diagnosis >> Diagrams >> Electrical Diagrams >> Powertrain Management >> System Diagram >> Control Module Circuit Diagrams >> PCM/ECM Circuit Diagrams
April 5, 2026: LEMON Manuals is launched! Read the announcement.

PCM/ECM Circuit Diagrams

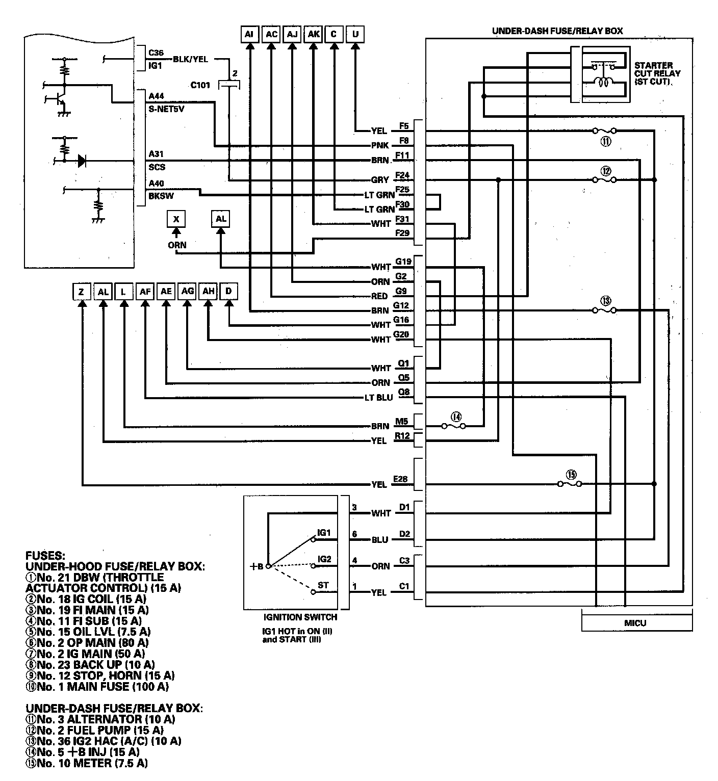
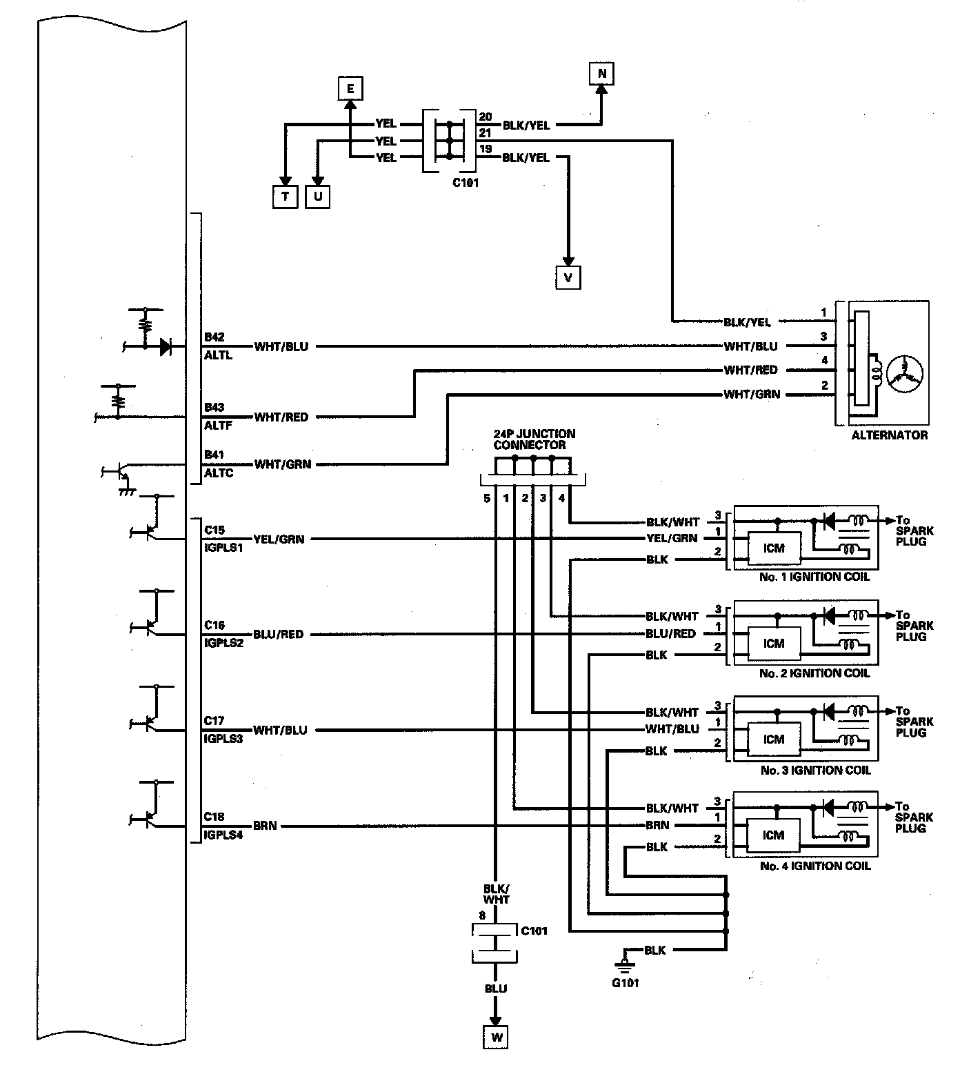
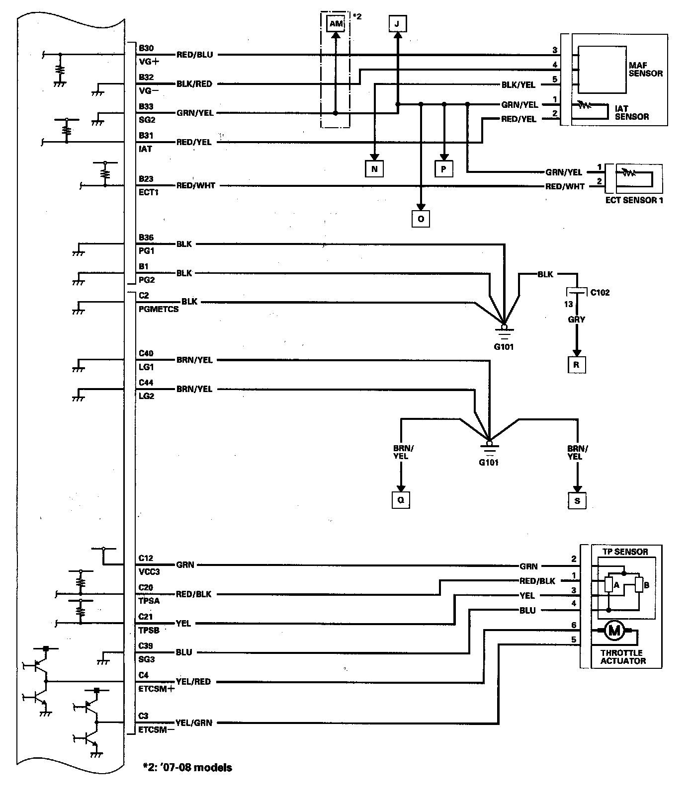
PCM Circuit Diagram (Part 1):



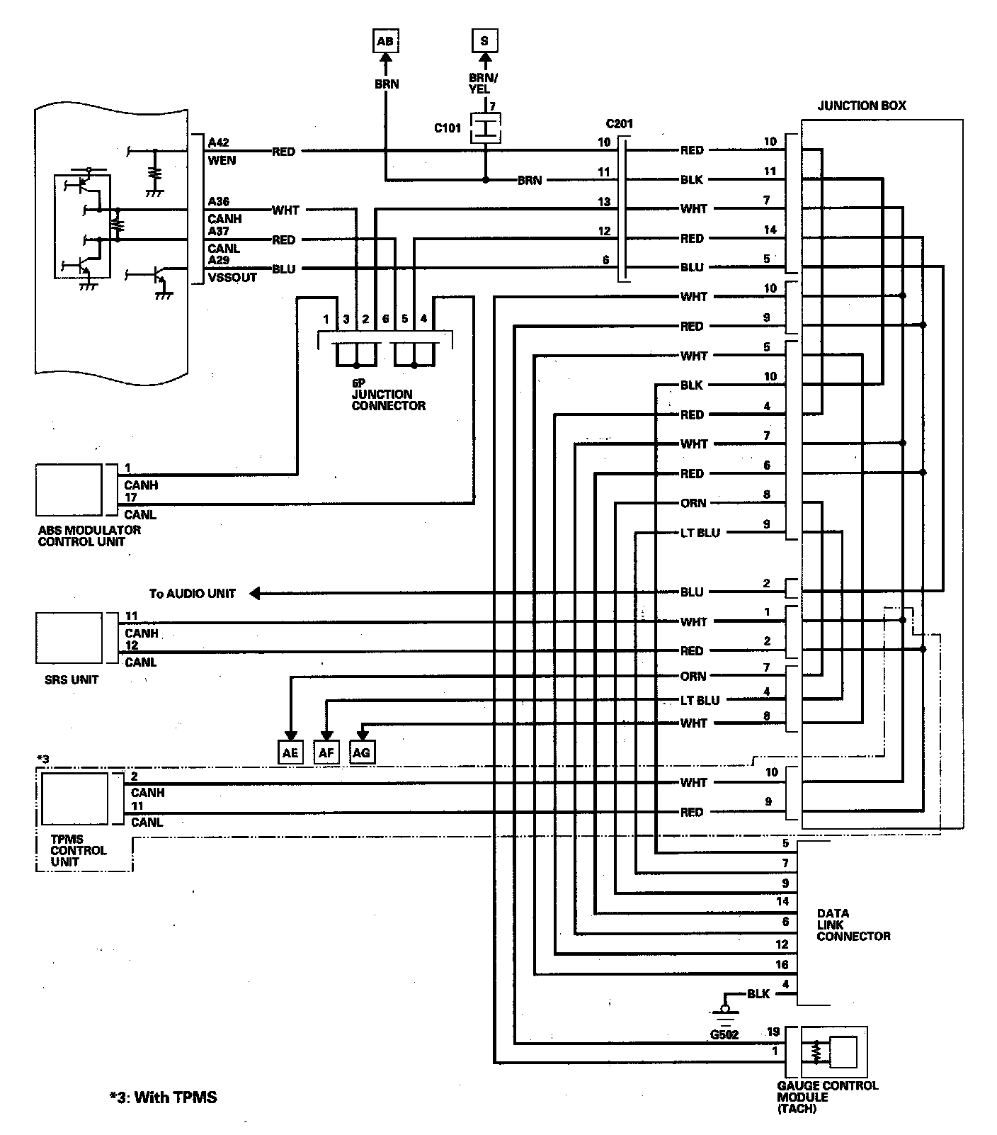
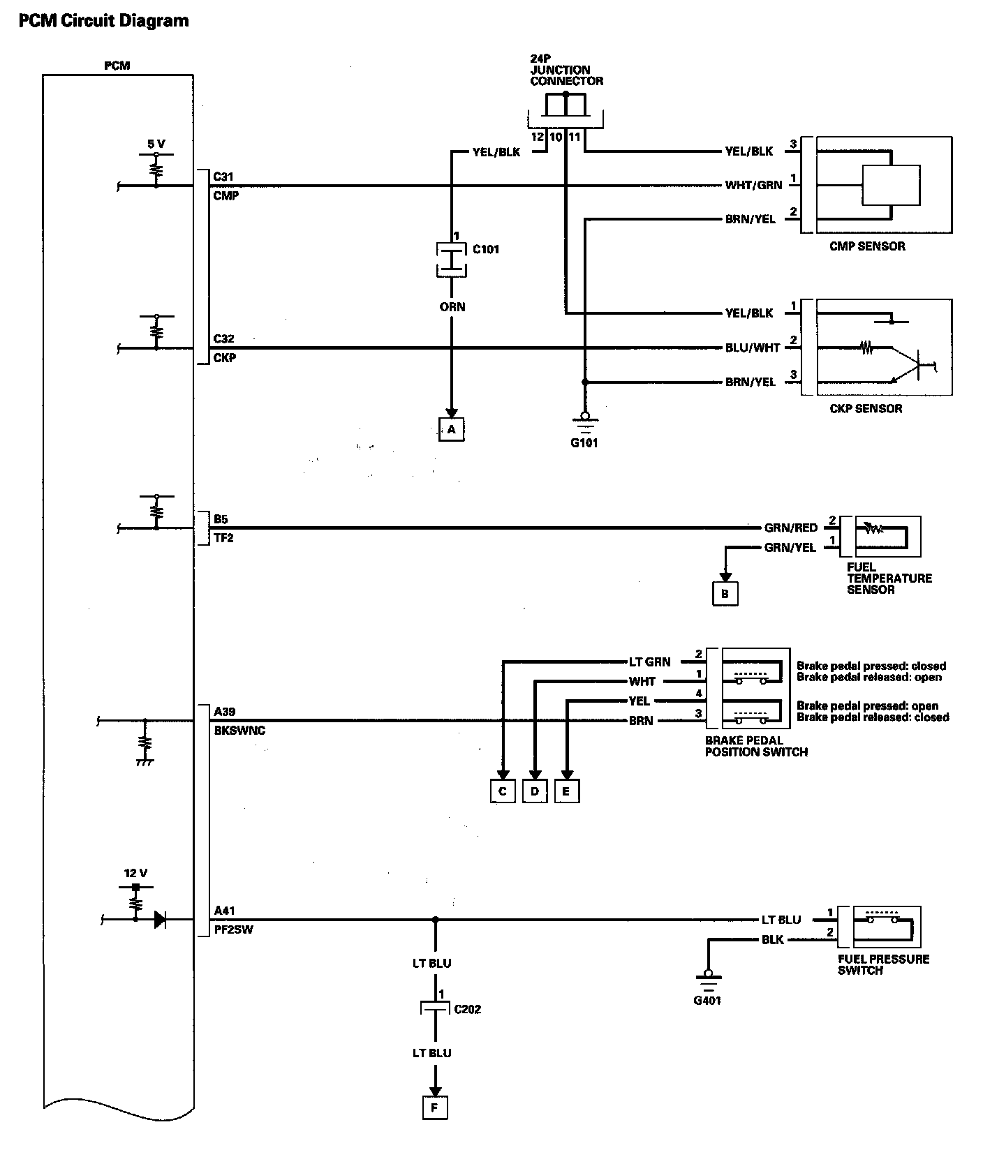
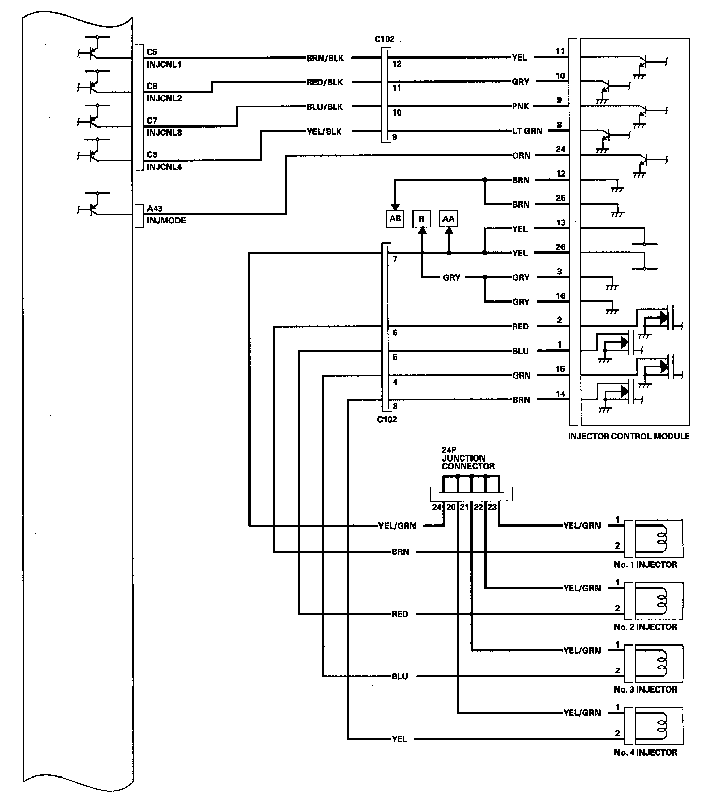
PCM Circuit Diagram (Part 2):



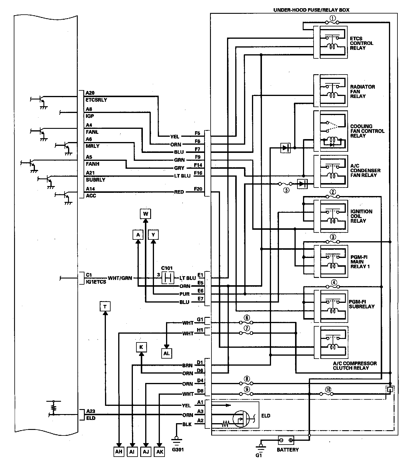
PCM Circuit Diagram (Part 3):



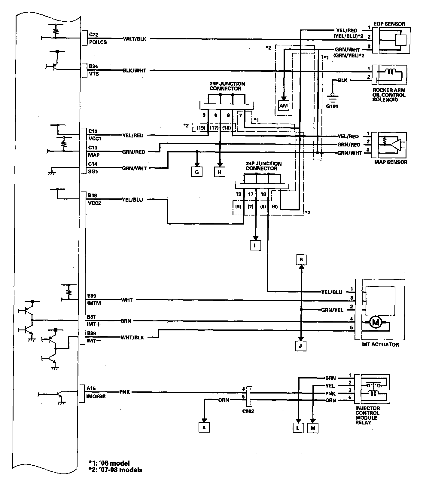
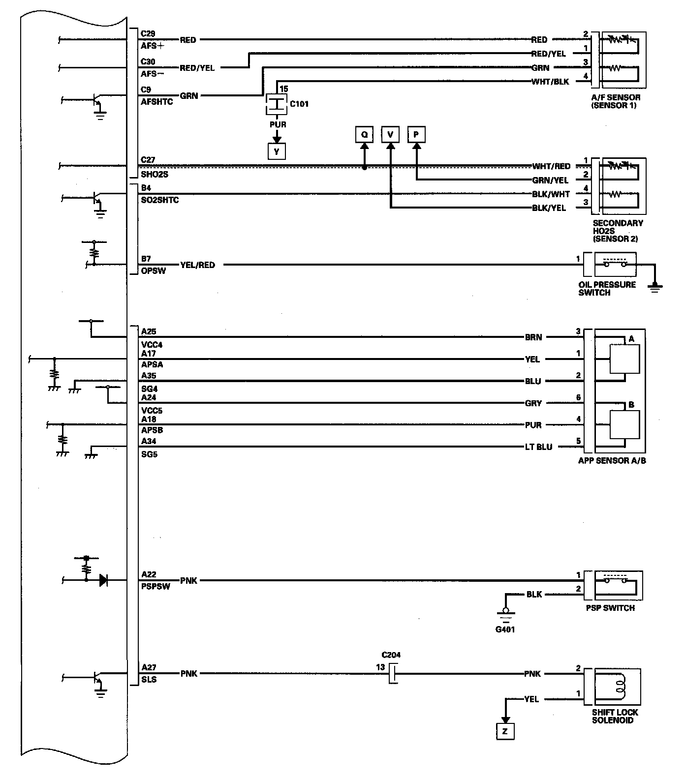
PCM Circuit Diagram (Part 4):



PCM Circuit Diagram (Part 5):



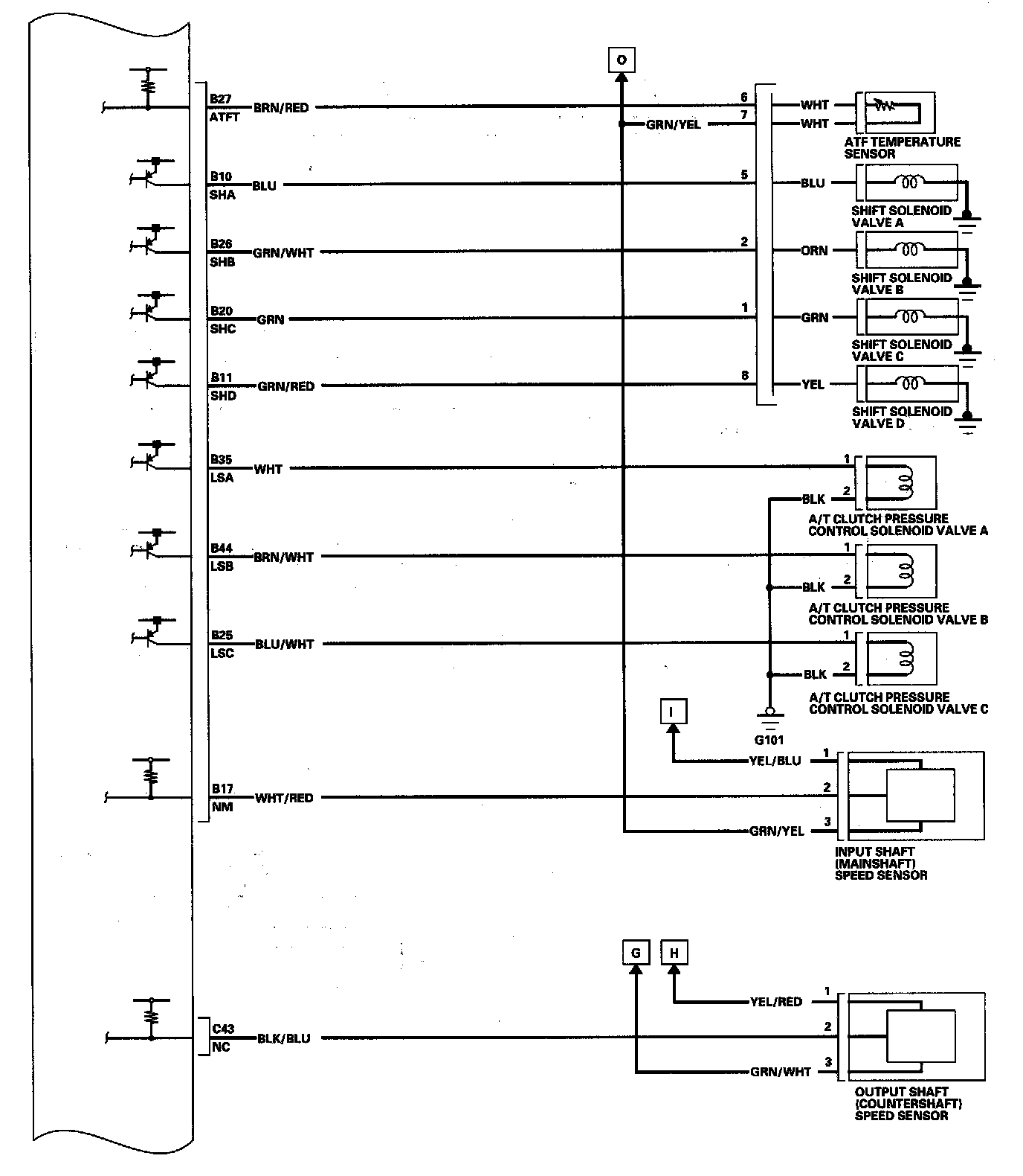
PCM Circuit Diagram (Part 6):



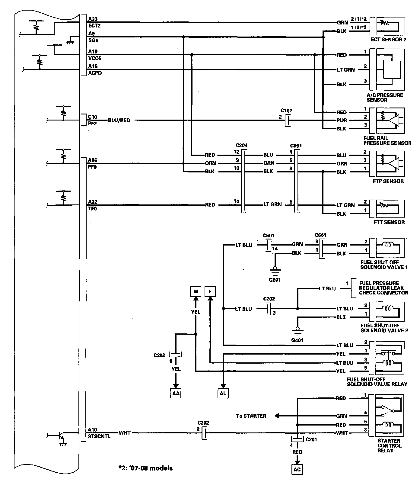
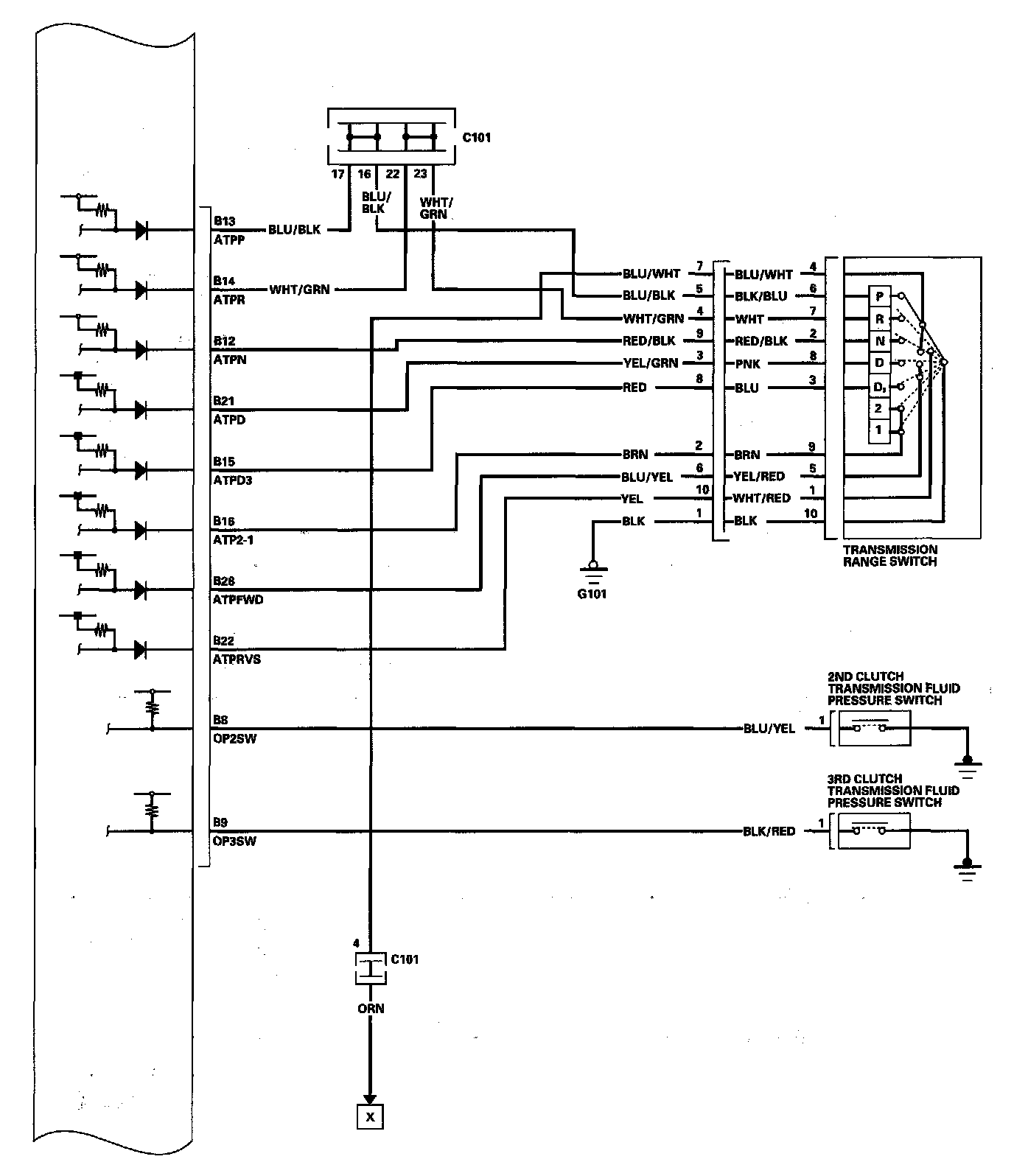
PCM Circuit Diagram (Part 7):



PCM Circuit Diagram (Part 8):



PCM Circuit Diagram (Part 9):



PCM Circuit Diagram (Part 10):



PCM Circuit Diagram (Part 11):



PCM Circuit Diagram (Part 12):