LEMON Manuals: Even more car manuals for everyone: 1960-2025
Home >> Honda >> 2008 >> Civic L4-1.8L >> Repair and Diagnosis >> Specifications >> Mechanical Specifications >> Automatic Transmission/Transaxle >> Service Specifications
April 5, 2026: LEMON Manuals is launched! Read the announcement.

Service Specifications

Flex Plate





Tighten the eight bolts in a crisscross pattern in two or more steps.

Housing and Shaft Assemblies

Housing And Shaft Assemblies:





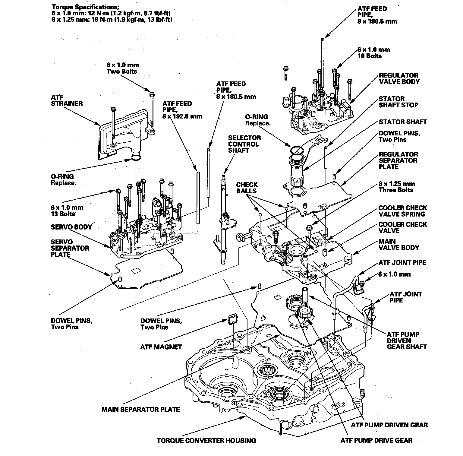
Valve Body

Valve Body:






For information regarding Transmission Overhaul Specifications, please refer to Service and Repair. Service and Repair