LEMON Manuals: Even more car manuals for everyone: 1960-2025
Home >> Honda >> 2008 >> Civic Si L4-2.0L >> Repair and Diagnosis >> Heating and Air Conditioning >> Control Assembly >> Service and Repair >> Heater Control Panel Removal/Installation
April 5, 2026: LEMON Manuals is launched! Read the announcement.

Heater Control Panel Removal/Installation

Heater Control Panel Removal/Installation

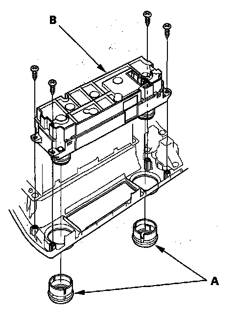
1. Remove the center panel.
2. Remove the dials (A), the self-tapping screws, and the heater control panel (B).






3. Install the control panel in the reverse order of removal. After installation, operate the various functions to make sure they work properly.
4. Run the self-diagnosis function to confirm that there are no problems in the system.